Найти в Дзене
Компания инженеров

Ремонт и доработка сварочного аппарата Telwin Force 168 MPGE

Этот аппарат - ни что иное, как обычный Telwin Force 165. А громкие слова Multi-Protection for Generator - не более, чем рекламный трюк. Ничем этот аппарат от Telwin Force 165 не отличается. Зато менеджеры явно обеспечили продажи "новой модели". Привожу схему этого аппарата Кому будет нужна схема в формате PDF - напишите мне письмо на электронную почту, я пришлю файл со схемой. Аппарат принесли в ремонт с известной проблемой: не включается. Будем ремонтировать. Разборка аппаратов данного семейства подробно описана в моей статье Плата ремонтируемого мной аппарата выглядит так Аппарат до меня ещё не ремонтировали, лаковое покрытие на плате не повреждено. Осмотрим плату внимательнее. Сверху виден оборванный резистор в позиции R4 Силовые транзисторы преобразователя в этом аппарате установлены типа IRGP4068D Оба транзистора пробиты, что неудивительно. Оба диода рекуперации D14 и D31 - с треснувшими корпусами. Печально. Заводской трансформатор TI 117303 в позиции Т1 сделал своё чёрное дело.

Этот аппарат - ни что иное, как обычный Telwin Force 165. А громкие слова Multi-Protection for Generator - не более, чем рекламный трюк. Ничем этот аппарат от Telwin Force 165 не отличается. Зато менеджеры явно обеспечили продажи "новой модели".

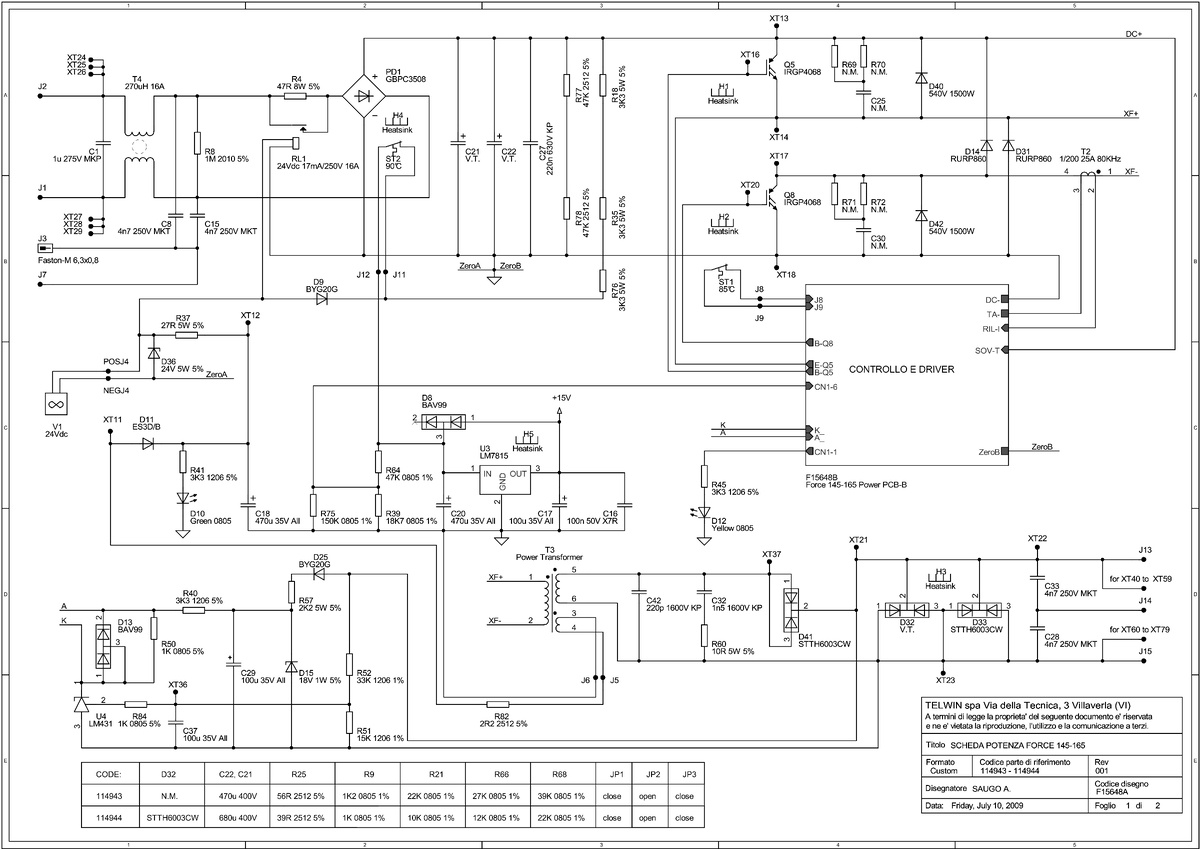
Привожу схему этого аппарата

Схема аппарата, лист 1. Собственность компании Telwin.
Схема аппарата, лист 1. Собственность компании Telwin.
Схема аппарата, лист 2. Собственность компании Telwin.
Схема аппарата, лист 2. Собственность компании Telwin.

Кому будет нужна схема в формате PDF - напишите мне письмо на электронную почту, я пришлю файл со схемой.

Аппарат принесли в ремонт с известной проблемой: не включается. Будем ремонтировать. Разборка аппаратов данного семейства подробно описана в моей статье

Плата ремонтируемого мной аппарата выглядит так

Плата аппарата со стороны компонентов. Фото автора.
Плата аппарата со стороны компонентов. Фото автора.
Плата аппарата со стороны монтажа. Фото автора.
Плата аппарата со стороны монтажа. Фото автора.

Аппарат до меня ещё не ремонтировали, лаковое покрытие на плате не повреждено. Осмотрим плату внимательнее. Сверху виден оборванный резистор в позиции R4

Неисправный резистор R4. Фото автора.
Неисправный резистор R4. Фото автора.

Силовые транзисторы преобразователя в этом аппарате установлены типа IRGP4068D

Транзистор Q8 на плате аппарата. Фото автора.
Транзистор Q8 на плате аппарата. Фото автора.

Оба транзистора пробиты, что неудивительно. Оба диода рекуперации D14 и D31 - с треснувшими корпусами. Печально. Заводской трансформатор TI 117303 в позиции Т1 сделал своё чёрное дело. В этом ему помог резистор R48 сопротивлением (неожиданно!) 1 кОм. Через этот резистор подаются импульсы с выхода микросхемы ШИМ U1 (UC2845) на затвор транзистора Q4 (IRFD110). Транзистор маломощный, ёмкость его затвора всего 180 пФ, но в сочетании с резистором сопротивлением 1 кОм эта RC-цепь прилично затягивает фронт и спад импульсов на частоте порядка 65 кГц. Вот удивительно: в аппаратах Telwin Tecnica 144/164 этот резистор имеет сопротивление 47 Ом, а в аппаратах Telwin Force 145/165 - почему-то 1 кОм. При ремонтах аппаратов я всегда заменяю этот резистор на резистор сопротивлением 47 Ом, после чего импульсы обретают необходимую прямоугольную форму. Заменять резистор желательно при выпаянном трансформаторе Т1 исключительно для удобства монтажа.

Так выглядит плата без трансформатора Т1

Плата без трансформатора Т1. Фото автора.
Плата без трансформатора Т1. Фото автора.

Перед установкой нового трансформатора мы попробуем немного доработать аппарат для обеспечения его долгой жизни. Если посмотреть схему аппарата, на ней обозначены элементы снабберных цепей: резисторы R69, R70, R71, R72 и конденсаторы С25, С30. Рядом с обозначениями этих деталей на схеме указано N.M. (Not Mounted - не установлены). А хотелось бы, чтобы были установлены. Чем этот аппарат такой особенный, что в нём решили "сэкономить"? Неужели снабберные цепи оказались именно в этом семействе аппаратов "лишними" и не выполняют никаких функций? Проверим?

Давайте посмотрим на плату. Места для установки вышеуказанных деталей на ней есть. Резисторы должны быть SMD размера 2512. Выберем в качестве экспериментальных резисторы сопротивлением по 51 Ом каждый, а конденсаторы по 1 нФ, 1 кВ. Дополнительно параллельно каждой паре резисторов подключим по быстродействующему диоду с неприлично звучащим названием HER308. Выводы диодов намеренно оставим длинными для улучшения охлаждения. Снабберные цепи типа D-R-C приняты в большинстве инверторных сварочных аппаратов с прямоходовой схемой преобразования. На плате аппарата эти цепи выглядят так

Цепь C25 - R69 - R70 на плате. Фото автора.
Цепь C25 - R69 - R70 на плате. Фото автора.
Цепь C30 - R71 - R72 на плате. Фото автора.
Цепь C30 - R71 - R72 на плате. Фото автора.

Настало время установить новый трансформатор на плату аппарата. Конечно же, я установлю трансформатор собственного изготовления, который выглядит так

Новый трансформатор на плате аппарата. Фото автора.
Новый трансформатор на плате аппарата. Фото автора.

Трансформатор намотан на покупном каркасе с Ш-образным сердечником и устанавливается в отверстия платы. Это удобно. А вот так выглядят импульсы на нагрузочных резисторах 220 Ом, 2 Вт, подключённых вместо затвор - эмиттеров силовых транзисторов преобразователей

Импульсы на нагрузочных резисторах. Фото автора.
Импульсы на нагрузочных резисторах. Фото автора.

Теперь можно собирать высоковольтную часть аппарата. Сначала установим диоды рекуперации D14, D31 типа MUR1560. Если этого не сделать до установки силовых транзисторов, то устанавливать диоды будет крайне неудобно. Привалочные плоскости радиаторов силовых транзисторов зачищаем наждачной бумагой с зернистостью 320 до получения однородной матовой поверхности без царапин и без забоин (с завода были). Транзисторы установим типа SGT60N60FD1, проверенные многочисленными ремонтами аппаратов. На выводы затвора и эмиттера транзисторов наденем фторопластовые трубки

Силовой транзистор на радиаторе. Фото автора.
Силовой транзистор на радиаторе. Фото автора.

В позицию R4 установим проволочный резистор RX21 сопротивлением 47 Ом с заявленной китайцами мощностью 20 Вт (да - да, конечно...)

Резистор R4 на плате. Фото автора.
Резистор R4 на плате. Фото автора.

И на десерт устраним заводское свинство в логике работы защиты от перегрева аппарата так же, как описано в моей статье

Вот теперь можно подать на аппарат питание 230 вольт и проверить его в режиме сварки - варит. Довольно неплохо варит, кстати. Можем, если хотим!

Работу снабберных цепей в бытовых условиях оценить проблемно. Но эти цепи однозначно выполняют свою функцию по компенсации выбросов напряжения при переходных процессах в схеме преобразователя. После прогона в течение одного часа резисторы снабберных цепей ощутимо нагрелись. Будем надеяться, что аппарат с установленными снабберными цепями будет работать дольше, чем аппарат без этих цепей.

Не было бы диодов - резисторы грелись бы ещё сильнее, что с учётом их скромных габаритов может привести к банальному самопроизвольному отпаиванию резисторов с платы. Да, естественно, что нагрев компонентов нужно проверять только после отключения питания платы и разряда конденсаторов С21, С22. Не лезьте в схему аппарата, находящегося под напряжением!

Публикации моих статей на Дзен не приносят мне никакого дохода. И ладно бы просто доход не приносили! Ведь подготовка материалов требует больших усилий и затрат времени. Поэтому, если вам интересно читать статьи по ремонту
электроники, и вы хотите помочь развитию моего канала, то я буду весьма благодарен вашим пожертвованиям на карту Сбер 2202 2061 0277 2519