Добавить в корзинуПозвонить
Найти в Дзене

Разборка и ремонт BlueWeld Prestige 164 (практическое руководство)

Данная статья посвящена ремонту инверторного сварочного аппарата марки Blueweld Prestige 164 для ручной дуговой сварки штучным электродом с покрытием. Разумеется, материалами статьи можно и нужно пользоваться при ремонте аппаратов Blueweld Prestige 144, Telwin Tecnica 144, Telwin Tecnica 164, Telwin Force 145, Telwin Force 165. Все эти аппараты собраны по одной и той же схеме с незначительными отличиями. Ремонт аппаратов указанных марок был неоднократно рассмотрен в интернете, однако я не встречал детального руководства по разборке и ремонту аппарата с необходимыми фотографиями и описанием тонкостей ремонта. Постараюсь восполнить данный пробел. При прочтении статьи и ремонте аппарата необходимо пользоваться принципиальной схемой аппарата Эти схемы не являются секретными, в интернете есть. Если вы вдруг не нашли схему вашего аппарата – пишите, пришлю, если у меня такая есть. Заранее прошу прощения за несколько суховатый стиль изложения материала. Технарь я, не балерина. Если что-то упус

Данная статья посвящена ремонту инверторного сварочного аппарата марки Blueweld Prestige 164 для ручной дуговой сварки штучным электродом с покрытием. Разумеется, материалами статьи можно и нужно пользоваться при ремонте аппаратов Blueweld Prestige 144, Telwin Tecnica 144, Telwin Tecnica 164, Telwin Force 145, Telwin Force 165. Все эти аппараты собраны по одной и той же схеме с незначительными отличиями.

Ремонт аппаратов указанных марок был неоднократно рассмотрен в интернете, однако я не встречал детального руководства по разборке и ремонту аппарата с необходимыми фотографиями и описанием тонкостей ремонта. Постараюсь восполнить данный пробел. При прочтении статьи и ремонте аппарата необходимо пользоваться принципиальной схемой аппарата

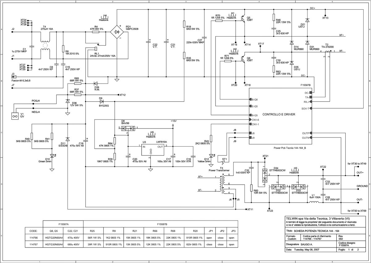
Принципиальная схема аппарата, лист 1. Собственность компании Telwin.
Принципиальная схема аппарата, лист 1. Собственность компании Telwin.
Принципиальная схема аппарата, лист 2. Собственность компании Telwin.
Принципиальная схема аппарата, лист 2. Собственность компании Telwin.

Эти схемы не являются секретными, в интернете есть. Если вы вдруг не нашли схему вашего аппарата – пишите, пришлю, если у меня такая есть.

Заранее прошу прощения за несколько суховатый стиль изложения материала. Технарь я, не балерина. Если что-то упустил – спрашивайте в комментариях, я хорошим людям всегда готов помочь.

В самом начале скажу о приборах, необходимых для ремонта инверторных сварочных аппаратов. Нужен цифровой мультиметр, даже самый простой, типа M830. Как крайний вариант подойдёт и любой стрелочный мультиметр, которым можно измерить сопротивление 0 - 10 кОм, постоянное напряжение 0 - 30 вольт, 0 - 400 вольт, переменное напряжение 0 - 300 вольт и постоянный ток 0 - 1 ампер. Также необходим любой осциллограф с открытым входом и полосой пропускания канала вертикального отклонения не менее 1 МГц. Эти параметры осциллографа принципиальны, без них нормально оценить импульсы в схеме инверторного сварочного аппарата невозможно. Для нашей задачи подойдут и ламповые осциллографы. Я в далёком прошлом настроил свой первый персональный компьютер Радио-86РК с помощью стрелочного мультиметра Ц4341 и лампового осциллографа С1-19Б. Можно использовать радиолюбительские приборы типа Н313, ОМЛ-2М, ОМЛ-3М. А уж любой профессиональный осциллограф с экраном побольше будет только удобнее.

Бесполезно пытаться ремонтировать инверторные сварочные аппараты, не имея вышеуказанных приборов. В интернете на форумах я часто читал сообщения с текстом наподобие: "Помогите починить аппарат, из приборов есть только тестер, осциллографа нет и взять негде". Не получится отремонтировать автомобиль с помощью одного домкрата, и не сварить суп, если в наличии только половник.

Кстати, сварочный аппарат, отремонтированный с помощью моего осциллографа С1-77, работает не хуже и не лучше, чем аппарат, отремонтированный с помощью осциллографа Hantek или Tektronix.

Ещё одно необходимое устройство для ремонта электроники, связанной с питающей сетью 220 вольт - разделительный трансформатор 220/220 вольт мощностью не менее 200 Вт. Он нужен для уменьшения вероятности поражения электрическим током при случайном касании частей схемы. Такой трансформатор не исключает полностью риска электрического удара, но делает манипуляции с ремонтируемым устройством намного безопаснее. Можно проводить измерения и снятие осциллограмм в схеме аппарата под напряжением. Я использую трансформатор ТС-250-2М от телевизоров семейства УПИМЦТ. Напряжение сети я подаю на выводы первичной обмотки, а вторичные обмотки 170 вольт, 18 вольт и 6,4 вольта соединены последовательно для получения напряжения, близкого к 220 вольтам. Обзор этого разделительного трансформатора есть в моей статье "Немного о безопасности жизнедеятельности"

которую я настоятельно рекомендую прочитать и сделать для себя необходимые выводы.

Не пренебрегайте безопасностью. Жизнь - одна.

Для пайки мелких компонентов я использую паяльник ЭПСН-40/220, для пайки крупных - ЭПСН-100/220, подключенный через самодельный симисторный регулятор мощности для уменьшения нагрева и обгорания жала. Припой ПОС-61, основной флюс - канифоль сосновая, в редких случаях и с обязательной промывкой места пайки - флюс ЛТИ-120.

Сейчас я расскажу о правильном порядке разборки аппарата.

Все снятые с аппарата крепёжные изделия и прочие детали необходимо укладывать в ёмкость, исключающую их потерю. Это – закон, иначе и браться за ремонт не стоит. Я использую одну пластиковую кассетницу с восемью отделениями и крышкой на защёлке (защёлка - это важно!) для мелких деталей и вторую побольше для крупных (радиаторы, вентилятор и прочее). Корпусные детали укладываю в картонную коробку. И все три ёмкости подписываю, чтобы не играть потом в угадайку: от чего этот крепёж? А этот?

Несколько фотографий аппарата в собранном виде

Сначала необходимо снять ручку регулятора сварочного тока

Ручка регулятора сварочного тока на валу переменного резистора. Фото автора.
Ручка регулятора сварочного тока на валу переменного резистора. Фото автора.
Ручка регулятора сварочного тока снята с вала резистора. Фото автора.
Ручка регулятора сварочного тока снята с вала резистора. Фото автора.

Далее выворачиваем четыре самореза крепления ручки аппарата (отвёртка PH2) и снимаем ручку

Вид на передние саморезы крепления ручки аппарата. Фото автора.
Вид на передние саморезы крепления ручки аппарата. Фото автора.
Вид на задние саморезы крепления ручки аппарата. Фото автора.
Вид на задние саморезы крепления ручки аппарата. Фото автора.
Ручка аппарата снята. Фото автора.
Ручка аппарата снята. Фото автора.

Убираем ручку в коробку.

Переворачиваем аппарат вверх ногами и выворачиваем саморез крепления задней крышки

Вид на саморез крепления задней крышки. Фото автора.
Вид на саморез крепления задней крышки. Фото автора.

Отводим в сторону заднюю крышку

Задняя крышка отведена от корпуса аппарата, вид 1. Фото автора.
Задняя крышка отведена от корпуса аппарата, вид 1. Фото автора.
Задняя крышка отведена от корпуса аппарата, вид 2. Фото автора.
Задняя крышка отведена от корпуса аппарата, вид 2. Фото автора.

Укладываем аппарат на боковую стенку. Отсоединяем серые провода от выключателя сетевого напряжения

Провода от платы к выключателю напряжения сети, вид 1. Фото автора.
Провода от платы к выключателю напряжения сети, вид 1. Фото автора.
Провода от платы к выключателю напряжения сети, вид 2. Фото автора.
Провода от платы к выключателю напряжения сети, вид 2. Фото автора.

Далее отсоединяем жёлто-зелёный провод защитного заземления от клеммы J3 платы аппарата

Провод заземления подсоединён к клемме J3 платы. Фото автора.
Провод заземления подсоединён к клемме J3 платы. Фото автора.
Задняя крышка полностью отсоединена от аппарата. Фото автора.
Задняя крышка полностью отсоединена от аппарата. Фото автора.

Убираем в коробку заднюю крышку с выключателем и сетевым проводом.

Отворачиваем гайку крепления клеммы провода защитного заземления к кожуху аппарата. Гайка М4, ключ «7»

Вид на крепление провода защитного заземления к кожуху аппарата. Фото автора.
Вид на крепление провода защитного заземления к кожуху аппарата. Фото автора.
Провод защитного заземления отсоединён от кожуха аппарата. Фото автора.
Провод защитного заземления отсоединён от кожуха аппарата. Фото автора.

Отворачиваем два самореза крепления кожуха аппарата

Саморез крепления кожуха аппарата к основанию справа. Фото автора.
Саморез крепления кожуха аппарата к основанию справа. Фото автора.
Саморез крепления кожуха аппарата к основанию слева. Фото автора.
Саморез крепления кожуха аппарата к основанию слева. Фото автора.

Снимаем кожух с аппарата

Кожух снят с аппарата. Фото автора.
Кожух снят с аппарата. Фото автора.
Кожух снят с аппарата, вид сверху. Фото автора.
Кожух снят с аппарата, вид сверху. Фото автора.

Укладываем кожух в коробку

Несколько фотографий аппарата без кожуха

Аппарат без кожуха, вид слева-сверху. Фото автора.
Аппарат без кожуха, вид слева-сверху. Фото автора.
Аппарат без кожуха, вид сверху. Фото автора.
Аппарат без кожуха, вид сверху. Фото автора.

Далее проверяем вольтметром постоянного тока отсутствие напряжения на конденсаторах C21, C22. Проверка необходима, иначе можно получить очень сильный удар электрическим током, вплоть до смертельного исхода. Энергии в конденсаторах при полном заряде вполне достаточно, чтобы вызвать остановку сердца. Нам оно не надо. Поэтому проверяем отсутствие напряжения (1 – 2 вольта не в счёт). Если напряжение больше – разряжаем конденсаторы проволочным резистором сопротивлением порядка 1 кОм и мощностью 10 Вт или более. Именно проволочным, плёночный или углеродистый может выйти из строя при подключении к конденсаторам, заряженным до амплитудного значения напряжения сети. Резистор из строя выйдет, а конденсаторы полностью не разрядятся. Поэтому используем для принудительного разряда конденсаторов только проволочный резистор и обязательно контролируем отсутствие опасного напряжения на конденсаторах после разряда. Разряжать конденсаторы C21, C22 необходимо после каждого включения аппарата в процессе ремонта.

Что, нудный я? Зато живой. И хочу, чтобы вы живыми оставались.

Переворачиваем аппарат вверх ногами и отворачиваем саморез крепления передней крышки аппарата

Саморез крепления передней крышки аппарата. Фото автора.
Саморез крепления передней крышки аппарата. Фото автора.

Снимаем переднюю крышку

Передняя крышка снята с аппарата. Фото автора.
Передняя крышка снята с аппарата. Фото автора.

Укладываем переднюю крышку в коробку

Фотография аппарата без крышек

Плата аппарата на основании корпуса. Фото автора.
Плата аппарата на основании корпуса. Фото автора.

Переворачиваем аппарат вверх ногами и отворачиваем два самореза крепления платы к основанию корпуса

Вид на саморезы крепления платы аппарата к основанию корпуса. Фото автора.
Вид на саморезы крепления платы аппарата к основанию корпуса. Фото автора.

Укладываем основание корпуса в коробку

Вид платы аппарата без корпуса

Плата аппарата, вид 1. Фото автора.
Плата аппарата, вид 1. Фото автора.
Плата аппарата, вид 2. Фото автора.
Плата аппарата, вид 2. Фото автора.
Плата аппарата, вид 3. Фото автора.
Плата аппарата, вид 3. Фото автора.
Плата аппарата, вид 4. Фото автора.
Плата аппарата, вид 4. Фото автора.

Теперь пришло время осмотреть плату аппарата и произвести электрические измерения на предмет наличия повреждений деталей. У этого семейства аппаратов есть относительно часто встречающийся набор деталей, выходящих из строя. Это резистор R4, транзисторы Q5, Q8 и детали затворных цепей. У резистора R4 обрывается проволочная обмотка, иногда с разрывом керамического корпуса. Транзисторы Q5, Q8 выходят из строя по-разному (электрический пробой, обрыв выводов), иногда с разрывом корпуса. Очень редко один из транзисторов остаётся исправным, но менять необходимо всё равно оба.

Будьте внимательны! Медная фольга печатных проводников на плате аппарата не очень хорошо приклеена к стеклотекстолиту. При пайке нельзя перегревать печатные проводники.

Если транзисторы неисправны, то необходимо снять их вместе с радиаторами или отдельно. Перед снятием радиаторов нужно отстегнуть пружины, прижимающие диоды D14, D31 к радиаторам, и аккуратно отделить диоды от плоскостей радиаторов. Будьте внимательны: диод D14 установлен на радиаторе без прокладки, поскольку его катод по схеме соединён с коллектором транзистора Q5. А вот диод D31 устанавливается на радиаторе транзистора Q8 обязательно через теплопроводящую прокладку, поскольку катод D31 не должен соединяться с коллектором транзистора Q8. Если забыть установить эту прокладку и включить аппарат в сеть, то силовые компоненты неминуемо выйдут из строя.

Чтобы качественно отремонтировать аппарат, необходимо снять оба радиатора силовых транзисторов, поскольку радиаторы закрывают доступ к деталям затворных цепей. Сняли? Хорошо.

Следующим этапом обязательно выпаиваем штатный трансформатор T1

Вид на штатный трансформатор Т1, Фото из интернета.
Вид на штатный трансформатор Т1, Фото из интернета.

В интернете этот трансформатор часто называют Трансформатором Гальванической Развязки (ТГР). Я так не буду называть, для меня это просто трансформатор. Не знаю, с чем это связано, но во всех аппаратах, которые приносили мне в ремонт, этот трансформатор был неисправен. При измерениях индуктивности обмоток трансформатора обычно были около 40 - 80 мкГн, тогда как норма 500 - 800 мкГн. Не будем искать причины его выхода из строя, лучше поговорим, как с наименьшими трудо- и финансовыми затратами заменить этот трансформатор.

Если попытаться заменить неисправные детали, оставив штатный трансформатор T1, то аппарат скоро вновь выйдет из строя. Неисправный трансформатор не в состоянии обеспечить необходимую форму и амплитуду импульсов на затворах транзисторов Q5, Q8. Транзисторы с неисправным трансформатором могут начать работать с большими потерями при переключении или вообще в активном (линейном) режиме, что для них в данном случае недопустимо. Транзисторы Q5, Q8 в сварочном аппарате должны работать исключительно в ключевом режиме: полностью закрыт - быстрое переключение в открытое состояние - полностью открыт - быстрое переключение в закрытое состояние - полностью закрыт и так далее. Для обеспечения такого режима работы транзисторов драйверы их затворов должны выдавать на затворы импульсы достаточной амплитуды с фронтами минимальной длительности для быстрого и полного открывания и закрывания транзисторов.

Я никогда не пытался разбирать и ремонтировать штатные трансформаторы типов 117303 или 120303, которые ставят в это семейство аппаратов с завода. И вам не рекомендую, если для вас ремонт трансформатора не является самоцелью. Я всегда самостоятельно изготавливал трансформатор для замены штатного. Вариантов изготовления несколько.

Вариант 1: намотать трансформатор на каркасе заводского изготовления с Ш-образным ферритовым сердечником. И такие комплекты продаются, но либо дороговато стоят (в России), либо надо покупать 10 комплектов (в Китае). Я однажды попробовал намотать трансформатор на каркасе фильтра помех из блока питания компьютера. Нагрел сердечник строительным феном, разделил на половины, намотал новые обмотки по 20 витков в каждой, собрал, установил в аппарат, проверил - работает. Не понравилось, много побочных действий, и всегда есть опасность сломать при разборке сердечник. Но такой вариант вполне допустим.

Вариант 2: намотать трансформатор на ферритовом кольце. Я принял для себя именно этот вариант. Использую кольца отечественного производства размера К20х12х6 из феррита марки М1500НМ3 или М2000НМ1. Скорее всего, подойдут кольца и из ферритов других марок, предназначенных для работы на средних частотах (начальная магнитная проницаемость 1500, 2000, 2500, 3000). Я наматываю обмотки 28 витков тремя сложенными вместе проводами из кабеля для локальных компьютерных сетей UTP Cat 5E (витая пара в обиходе). В этих кабелях по 4 или по 8 проводов сечением диаметром 0,5 мм в поливинилхлоридной изоляции. Для намотки трансформатора достаточно 1 метра проводов. Перед намоткой я заваливаю острые грани кольца снаружи и внутри наждачной бумагой зернистостью 100, потом обматываю полоской бумажного малярного скотча шириной 5 мм в один слой. Это необходимо для предотвращения возможных повреждений изоляции проводов об острые грани сердечника. Если намотать больше одного слоя, то обмотки не поместятся на сердечник. Опытным путём установлено, что на обмотанный в один слой сердечник помещается как раз 28 витков в три провода, на обмотанный в 2 слоя - 25 витков в три провода

Самодельный трансформатор на ферритовом кольце размера К20х12х6
Самодельный трансформатор на ферритовом кольце размера К20х12х6

Внимание! Существуют кабели UTP Cat 5E с алюминиевыми проводами, покрытыми медью. Обозначаются такие кабели CCA - Copper Covered Aluminium. Если на оболочке кабеля есть аббревиатура CCA - провода такого кабеля использовать для намотки обмоток трансформатора нельзя!

Индуктивность любой обмотки трансформатора у меня получается порядка 0,6 – 0,8 мГн. Исходя из опыта, полагаю, что индуктивность обмоток можно и не измерять, если соблюдать технологию намотки трансформатора. Не у всех есть измеритель индуктивности. Вот у меня его как раз нет, поэтому в самом начале работ по изготовлению трансформаторов пришлось брать у знакомых. Сейчас я уже не измеряю индуктивность обмоток, но форму импульсов на затворах транзисторов Q5, Q8 проверяю обязательно. Изготовленные по вышеуказанной технологии трансформаторы обеспечивают нужную форму и амплитуду импульсов на затворах транзисторов Q5, Q8, что является необходимым условием для надёжной работы аппарата. Подробно технология изготовления трансформатора рассмотрена в моей статье

Перед установкой трансформатора на плату необходимо проверить исправность всех элементов затворных цепей транзисторов Q5, Q8, а также транзистора Q4, диода D20 и стабилитронов D22, D24. При выходе из строя заводского трансформатора T1 часто пробиваются или обрываются стабилитроны D22, D24. Если подать питание на схему управления аппарата с впаянным исправным трансформатором T1, то при пробитых стабилитронах D22, D24 не будет импульсов на вторичных обмотках трансформатора, а при хотя бы одном оборванном компоненте D20, D22, D24 может выйти из строя транзистор Q4. Если элементы Q4, D20, D22, D24 исправны, то нужно проверить работу каскада на транзисторе Q4. Для этого вместо первичной обмотки трансформатора (выводы 1 и 8) подключаем любой углеродистый или плёночный резистор сопротивлением 220 Ом и мощностью 2 Вт. Подаём + 20...24 вольт от любого источника питания со стабилизированным выходным напряжением и выходным током не менее 500 миллиампер на схему управления (минус на минусовой вывод конденсаторов C21, C22, плюс на нижний по схеме вывод резистора R35 (тот, что соединён с выводом 1 микросхемы U3). Я использую в этом случае блок питания от систем сигнализации марки AccordTec с выходным напряжением 24 вольта и максимальным выходным током 3 ампера. Можно использовать отдельный блок питания от настольного компьютера, взяв питание с выводов "- 12 вольт" и "+ 12 вольт". Таким образом, мы подаём питание на схему управления и можем проконтролировать наличие напряжения питания + 15 вольт на выводе 3 микросхемы U3 и прямоугольных импульсов с периодом около 15 микросекунд и амплитудой около 15 вольт на стоке транзистора Q4 относительно истока. Если импульсов нет - ищем причину неисправности. Причин может быть много, все их невозможно даже предположить, поэтому если будут конкретные вопросы - обращайтесь в комментариях. Будем искать неисправности способом "ваши глаза и руки + моя голова". Такой опыт есть, я помогал людям удалённо ремонтировать аппараты.

По поводу микросхемы U3. Это линейный стабилизатор напряжения с выходным напряжением + 15 вольт. Иногда в аппаратах бывает установлена микросхема L7815CV. Я перед первым включением схемы управления заменяю эту микросхему на L7815ABV-DG производства ST Microelectronics. Объясню, почему именно этого типа. ST Microelectronics выпускает хорошие микросхемы, у меня не было в практике выходов из строя продукции этого производителя. Индекс ABV-DG обозначает микросхему в промышленном исполнении с рабочей температурой от - 40 градусов Цельсия до + 85 градусов Цельсия, допустимым отклонением выходного напряжения плюс - минус 2 процента от номинального (15 вольт в данном случае) и толстым фланцем крепления к теплоотводу. Микросхема L7815ABV стоит почти в два раза дешевле, но выпускается с тонким фланцем. Тонкий фланец означает гораздо худший теплоотвод от кристалла микросхемы к радиатору. Мы же хотим, чтобы аппарат работал долго? Хотим. Тем более, что с завода на плате аппарата стоят микросхемы UC2845 и LM224 тоже в промышленном исполнении. Вполне логично установить и стабилизатор питания схемы управления в наилучшем из доступных исполнений.

Подойдут и отечественные микросхемы КР142ЕН8В, КР142ЕН8Е.

Радиатор микросхемы U3 я обязательно снимаю с платы, зачищаю плоскость, на которую устанавливается микросхема, до чистого алюминия, шлифую наждачной бумагой зернистостью 160 или более мелкой. Фланец микросхемы смазываю тонким слоем теплопроводящей пасты КПТ-8, устанавливаю микросхему на радиатор, излишки пасты удаляю чистой салфеткой.

Транзистор Q4 штатно устанавливается типа IRFD110. Его можно заменить транзисторами IRFD120 или IRFD123 без каких-либо изменений в монтаже на плате. Также можно установить любой полевой транзистор с изолированным затвором и индуцированным каналом с минимальным постоянным током стока 800 миллиампер или более и постоянным напряжением сток-исток 100 вольт или более в корпусе TO-92 или TO-220, например NCE0106, IRF610, IRF730 и им подобные. Микросхема UC2845 может управлять затвором транзистора даже с большой ёмкостью затвора, например 2SK3878. Если на плате аппарата были установлены четыре силовых транзистора, то транзистор Q4 необходимо заменить на IRFD120, IRFD123 или другой с минимальным постоянным током стока 1,3 ампера или более и постоянным напряжением сток-исток 100 вольт или более.

Намотанный на ферритовом кольце трансформатор я закрепляю на плате аппарата термоклеем. Клеевого пистолета у меня нет, так что плавлю стержень термоклея очищенным жалом паяльника

Вид на самодельный трансформатор, установленный на плате. Фото автора.
Вид на самодельный трансформатор, установленный на плате. Фото автора.

Далее припаиваю выводы обмоток в соответствующие отверстия на плате. Обратите внимание на правильное подключение начала и конца каждой обмотки! Начала обмоток на схеме отмечены точкой у соответствующего вывода обмотки. Далее необходимо припаять вместо цепей затвор - эмиттер транзисторов Q5, Q8 нагрузочные резисторы сопротивлением 220 Ом и мощностью 2 Вт. Сопротивление принципиально! При снятии осциллограмм с резисторов другого сопротивления вы получите неправильные результаты! И подключать необходимо сразу оба резистора (в случае ремонта аппарата с четырьмя ключевыми транзисторами - сразу четыре резистора).

Теперь подаём питание на схему управления и проверяем осциллографом наличие и форму импульсов на нагрузочных резисторах. Форма импульсов должна быть точно такая же, как на приведённой ниже фотографии

Осциллограмма импульсов на затворах транзисторов Q5, Q8. КГО - 5 мкс/деление, КВО - 5 вольт/деление. Фото автора.
Осциллограмма импульсов на затворах транзисторов Q5, Q8. КГО - 5 мкс/деление, КВО - 5 вольт/деление. Фото автора.

Если форма, период или амплитуда импульсов на ваших осциллограммах отличается от приведённой - нужно искать неисправности. Опять же, всё не предположить, не сможете справиться - пишите. Будем помогать друг другу.

Нельзя впаивать в плату силовые транзисторы для тех пор, пока нет уверенности в правильной работе их затворных цепей. Транзисторы стоят недёшево, да и дополнительные приключения нам не нужны.

Если вы уверены в правильной работе затворных цепей силовых транзисторов, то можно приступать к проверке и ремонту высоковольтной части аппарата. Проверяем отсутствие напряжения на конденсаторах C21, C22. Если напряжение больше 1-2 вольт - разряжаем конденсаторы и только после этого производим измерения в схеме аппарата. Нам нужно проверить исправность резисторов R4, R46, R63 (все три резистора проверяем в плате без выпайки), диодов D14, D31 (обязательно выпаяв эти диоды из платы), диодов D21, D35 (проверяем в плате без выпайки, но только после выпайки диодов D14, D31), диодного моста PD1 (проверяем в плате без выпайки), а также диодных сборок D32, D33, D34 (проверяем в плате без выпайки). Три последних компонента я проверяю мультиметром в режиме проверки диодов на выходных гнёздах аппарата.

Резистор R4 с завода стоит неизвестного типа с обозначением 47 Ом 8 Вт. Возникает вполне понятное желание заменить его проволочным резистором типа SQP мощностью 10 Вт и сопротивлением 47 Ом. Но не стоит этого делать. Нужно заменить резистор R4 двумя параллельно включенными резисторами типа SQP мощностью 10 Вт и сопротивлением по 82 Ом или по 100 Ом каждый. Один резистор типа SQP мощностью 10 Вт и сопротивлением 47 Ом не выдерживает ударного тока при включении аппарата в сеть и выходит из строя примерно при пятом-шестом включении аппарата в сеть. Так что не жмотничаем и ставим два резистора по 10 Вт параллельно

Параллельно соединённые резисторы 10 Вт, 82 Ом 2 штуки в позиции R4. Фото автора.
Параллельно соединённые резисторы 10 Вт, 82 Ом 2 штуки в позиции R4. Фото автора.

Резисторы R46, R63 с завода стоят неизвестного типа с обозначением 22 Ом 12 Вт. Для их замены у меня есть резисторы SQP мощностью 15 Вт и сопротивлением 20 Ом.

Диоды D14, D31 штатно ставят типов FE8JT или MUR860. На замену подойдут любые диоды в корпусе TO-220-2, например MUR1560, RHRP860, RHRP1560 и аналогичные им.

Диодные сборки D32, D33, D34 штатно ставят типа STTH6003CW. Заменить можно диодными сборками MM80FU040CT. Диодные сборки D32, D33 должны быть одного типа.

Я проверяю высоковольтную часть сначала без силовых транзисторов. То есть, на плату аппарата установлены все компоненты, кроме транзисторов Q5, Q8 и их радиаторов. Напряжение питания 220 вольт я подаю на аппарат исключительно со вторичной обмотки разделительного трансформатора, о котором писал чуть ранее, через последовательно включенную лампу накаливания 220 вольт 200 Вт. Если в высоковольтной части аппарата есть какие-то невыявленные неисправности, лампа загорится в половину накала или полным накалом и будет гореть далее при подключенной плате аппарата. Нормальное явление, если лампа при включении аппарата загорится и тут же погаснет. Это происходит при протекании через неё большого тока заряда конденсаторов C21, C22. Когда конденсаторы зарядятся (0,5...1 секунда), ток падает, и лампа гаснет. Если всё так и происходит - уже неплохо.

Далее надо проверить величину постоянного напряжения на конденсаторах C21, C22 - должно быть порядка 300 вольт. Если оно в норме, то проверяем осциллографом работу схемы начального запуска аппарата. На нагрузочных резисторах 220 Ом, которые подключены вместо переходов затвор - эмиттер силовых транзисторов, должны периодически (раз в одну - две секунды) появляться импульсы такой же формы, частоты и амплитуды, как и при проверке схемы управления от внешнего источника питания. Скорее всего, так и будет.

Если импульсов нет, то надо проверить наличие и исправность компонентов R18, R35, D9, C20, хотя в моей практике эти детали из строя никогда не выходили.Для проверки конденсатора C20 желателен измеритель параметров конденсаторов, но упрощенно можно проверить конденсатор заменой на такой же заведомо исправный или по наличию на его выводе "+" изменяющегося напряжения при подключенном к сети аппарате. Особенно хорошо это напряжение видно осциллографом, линия развёртки колеблется примерно от 8 вольт до 13 вольт с периодом в одну - две секунды.

Теперь поговорим о силовых транзисторах. В аппаратах ставят с завода транзисторы IRGP4068D или HGTG30N60A4. Заменить можно транзисторами HGTG30N60A4D, FGH60N60SMD, FGH60N60SFD, FGH60N60UFD, SGT60N60FD1. Оба транзистора необходимо устанавливать одного типа. Естественно, что всевозможные варианты перемаркированных или восстановленных транзисторов с наваренными выводами использовать нельзя. Это всё равно, что воду из лужи пить или тухлые персики кушать.

Радиаторы силовых транзисторов необходимо отмыть от грязи тёплой водой с мылом, просушить, а привалочные плоскости. на которые устанавливаются силовые компоненты - прошлифовать наждачной бумагой зернистостью 160 или более мелкой до получения однородной матовой поверхности без царапин, забоин и наплывов лака. Транзисторы перед установкой на радиаторы я смазываю тонким слоем теплопроводящей пасты КПТ-8. Винты крепления транзисторов затягиваю. Излишки пасты, вышедшие из-под транзисторов, удаляю чистой салфеткой, а потом слегка отпускаю винты, чтобы была возможность выровнять транзисторы по отверстиям в плате для их выводов. На выводы затвора и эмиттера транзисторов, а также на оба вывода диодов D14, D31 я надеваю изоляционные фторопластовые трубки необходимой длины (около 9 мм). Можно и термоусаживаемые, но мне больше нравятся фторопластовые. Непонятно, почему эти трубки не устанавливают на заводе? Плату лаком покрывают, а выводы компонентов Q5, Q8, D14, D31 - голые. При этом аппараты недешёвые

Фторопластвые изолирующие трубки на выводах диода D31 и транзистора Q8. Фото автора.
Фторопластвые изолирующие трубки на выводах диода D31 и транзистора Q8. Фото автора.

Теперь можно установить радиаторы на плату через дистанционные латунные втулки. Далее я затягиваю винты крепления силовых транзисторов, смазываю диод D14 термопастой, устанавливаю теплопроводящую прокладку под диод D31, закрепляю оба диода пружинами к радиаторам. Переворачиваю плату стороной монтажа вверх и аккуратно припаиваю выводы транзисторов Q5, Q8 к соответствующим площадкам. Очищаю плату от остатков флюса, промываю изопропиловым спиртом, высушиваю бумажными салфетками и после этих операций внимательно осматриваю места паек в лупу на предмет отсутствия замыкания соседних дорожек и наплывов припоя. После этого переворачиваю плату монтажом вниз и устанавливаю пластмассовую дистанционную планку на радиаторы транзисторов. Эта планка - очень важная деталь, она предотвращает касание радиаторов друг об друга

Дистанционная планка на радиаторах силовых транзисторов. Фото автора.
Дистанционная планка на радиаторах силовых транзисторов. Фото автора.

Настало время проверить работу платы аппарата. Подключаем её к питанию 220 вольт, обязательно от разделительного трансформатора и через лампу 200 Вт. Сначала должен загореться индикатор "Перегрузка", через одну - две секунды погаснуть, после аппарат запускается, загорается индикатор "Сеть", срабатывает реле RL1, вентилятор должен работать. Если всё так и произошло - прекрасно. Нить лампы при этом слегка накаливается. Если лампа горит полным или половинным накалом - выключаем немедленно. Видимо, в схеме аппарата есть ещё неисправности, нужно искать дальше. Потребуется совет - пишите.

Если плата аппарата работает, то подключаем её напрямую к вторичной обмотке разделительного трансформатора и измеряем вольтметром постоянное напряжение на выходных гнёздах платы - должно быть порядка 70 вольт. Подключаем лампу 220 вольт 200 Вт к выходным зажимам, лампа должна гореть тускло. Теперь можно выключить аппарат, разрядить конденсаторы C21, C22 резистором и покрыть изоляционным лаком все точки, где производилась пайка и вообще все сомнительные на предмет повреждения изоляции участки на плате. Я использую акриловый изоляционный лак "Plastik-71". Лак сохнет примерно полчаса, оставляем плату сушиться.

Теперь можно собрать аппарат в корпус и проверить в режиме сварки. Я всегда проверяю электродом диаметром 3 мм, более толстыми электродами этот аппарат варить не может и неминуемо выйдет из строя. Варит? Отлично. Если не варит, а электрод только искрит, дуга не зажигается, то вероятно обгорание контактов реле RL1. Оригинальное реле не найти, я устанавливаю реле Songle SM1H-24VDC-SL-A. Оно по посадочному месту подходит на плату один-в-один вместо штатного реле

Реле SM1H-24VDC-SL-A в позиции RL1. Фото автора.
Реле SM1H-24VDC-SL-A в позиции RL1. Фото автора.

Возможны и другие неисправности, при которых невозможно зажечь нормальную сварочную дугу. Возникнут, не сможете разобраться - задавайте вопросы.

Не рекомендую проверять аппарат в режиме сварки без корпуса. Это опасно с точки зрения возможности поражения электрическим током из первичной сети, не позволяет потоку воздуха от вентилятора нормально охлаждать компоненты аппарата, и ещё возможно попадание брызг раскалённого металла из зоны сварочной дуги в аппарат.

Напоследок приведу простые, но обязательные к соблюдению правила эксплуатации инверторных сварочных аппаратов, обеспечивающие их долгую бесперебойную работоспособность.

1. Нельзя вносить в тёплое помещение аппарат без упаковки. Я не говорю про заводскую коробку, достаточно завернуть аппарат в большой полиэтиленовый пакет, в ватник, в любое покрывало, чтобы исключить доступ тёплого воздуха к холодным частям аппарата. Аппарат должен прогреваться медленно и в упаковке, не менее 6 часов.

2. В дождливую или снежную погоду необходимо исключить попадание воды или снега внутрь аппарата.

3. Нельзя превышать максимально допустимый диаметр электрода. Для аппаратов Blueweld Prestige 164, Telwin Tecnica 164, Telwin Force 165 это 3 мм и с перерывами между сменой электродов. Аппарат должен успеть охладиться.

4. После окончания сварочных работ нельзя сразу выключать аппарат, необходимо дать ему охладиться не менее 10 минут.

5. Нельзя ронять, ударять, трясти аппарат, тянуть его к себе за сварочные провода.

6. Нельзя допускать попадания в аппарат металлической пыли и стружки, которая часто образуется при работе с металлом (резка, зачистка сварочных швов и т.д.).

7. Неоднозначный пункт, подсказанный сообществом Дзен: своим аппаратом работай сам. Не давай пользоваться другим. А то другие запользуют и скажут, что так и было.

8. Очень важный пункт, который подсказал опыт ремонтов. Не использовать сварочный аппарат для прогрева бетона! Никогда не использовать сварочный аппарат для прогрева бетона!

Вот, собственно, и всё описание основных моментов ремонта и правил эксплуатации инверторных сварочных аппаратов семейства BlueWeld Prestige и Telwin Tecnica.

Публикации моих статей на Дзен не приносят мне никакого дохода. И ладно бы просто доход не приносили! Ведь подготовка материалов требует больших усилий и затрат времени. Поэтому, если вам интересно читать статьи по ремонту электроники, и вы хотите помочь развитию моего канала, то я буду весьма благодарен вашим пожертвованиям на карту Сбер 2202 2061 0277 2519