Добавить в корзинуПозвонить
Найти в Дзене

Пульт (Блок Вызова) домофона KD-3000. Принципиальная и монтажная схемы.

KD-3000VTM не частый гость в российских подъездах. Модель, из всех координатных, что я ремонтировал, пожалуй самая надёжная и функциональная. Но, дешёвые, не надёжные и бестолковые визиты вытеснили много хороших домофонов только из за дешевизны. Тут жлобство победило.
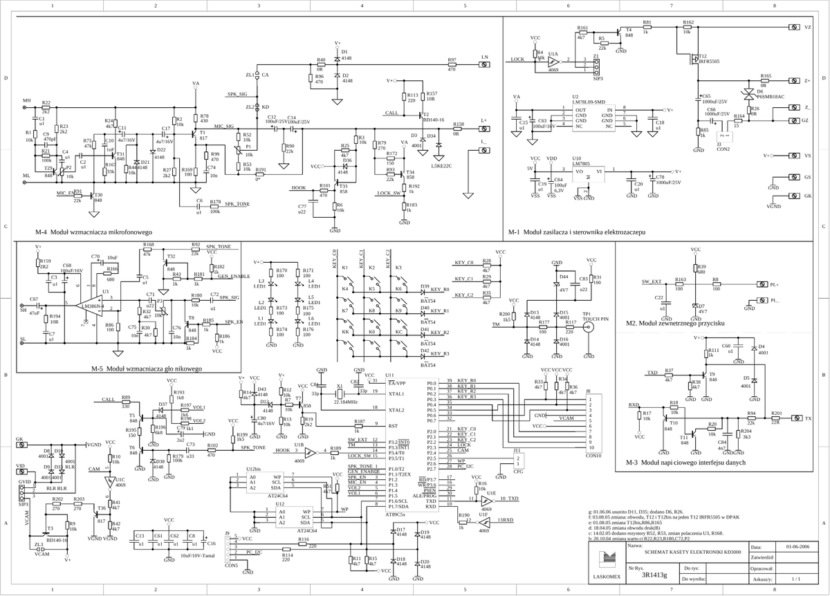
На всех просторах интернета таких схем не найти. А данные модели хоть и редко, но иногда ломаются. Так же замечу, что их уже пять лет как сняли с производства. На схеме все элементы пульта, кроме дисплея. Схема дисплея. Это не большая отдельная плата внутри пульта. На следующих трёх схемах всё, что касается основной платы пульта От себя добавлю, что монтаж здесь двусторонний. И на вторую сторону вынесены все кнопки. Кнопки обыкновенные тактовые и менять их не самое приятное занятие. Приходится вытаскивать процессор из панельки, а местами подлезть к месту пайки очень проблематично. Платой дисплея завершу. В корпусе динамик, микрофон и считыватель вынесены с платы. Мой второй канал, где я не часто анализирую алгоритмы Дзе
Так выгдялит KD-3000VTM
Так выгдялит KD-3000VTM

KD-3000VTM не частый гость в российских подъездах. Модель, из всех координатных, что я ремонтировал, пожалуй самая надёжная и функциональная. Но, дешёвые, не надёжные и бестолковые визиты вытеснили много хороших домофонов только из за дешевизны. Тут жлобство победило.
На всех просторах интернета таких схем не найти. А данные модели хоть и редко, но иногда ломаются. Так же замечу, что их уже пять лет как сняли с производства.

Основная схема
Основная схема

На схеме все элементы пульта, кроме дисплея.

Дисплей
Дисплей

Схема дисплея. Это не большая отдельная плата внутри пульта.

На следующих трёх схемах всё, что касается основной платы пульта

1
1
2
2
3
3

От себя добавлю, что монтаж здесь двусторонний. И на вторую сторону вынесены все кнопки. Кнопки обыкновенные тактовые и менять их не самое приятное занятие. Приходится вытаскивать процессор из панельки, а местами подлезть к месту пайки очень проблематично.

Плата дисплея
Плата дисплея

Платой дисплея завершу. В корпусе динамик, микрофон и считыватель вынесены с платы.

Мой второй канал, где я не часто анализирую алгоритмы Дзен и философствую о разном

Алгоритмы Дзен и другие размышления | Дзен