Найти в Дзене
Компания инженеров

Ремонт сварочного аппарата Telwin Force 195

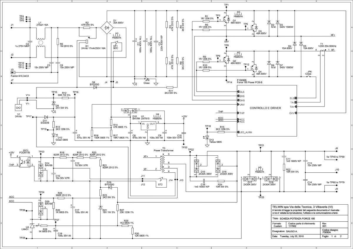
Нам всем надоела рутина: Telwin Tecnica 144, Blueweld Prestige 164, Telwin Force 165, так что разбавим серые будни новым для нас аппаратом. Встречайте: Telwin Force 195! Схема аппарата сильно отличается от привычных схем недорогих аппаратов Telwin. Привожу схему (2 листа), кому нужна в хорошем качестве в формате PDF - пишите письмо на электронную почту, пришлю В схеме аппарата есть генератор прямоугольных импульсов частотой порядка 60 Герц, собранный на операционном усилителе U3C. Этот генератор работает при отсутствии напряжения на выходе аппарата, то есть при запуске аппарата или при коротком замыкании электрода на деталь. При этом на выходе микросхемы ШИМ UC2845 присутствуют пачки импульсов. Этот момент необходимо учитывать при проверке параметров и формы импульсов на затворах силовых транзисторов при ремонте аппарата. Порядок разборки аппаратов этого семейства подробно рассмотрен в моей статье Настоятельно рекомендую внимательно ознакомиться, поскольку статья обобщает опыт многих л
Внешний вид аппарата. Фото автора.
Внешний вид аппарата. Фото автора.

Нам всем надоела рутина: Telwin Tecnica 144, Blueweld Prestige 164, Telwin Force 165, так что разбавим серые будни новым для нас аппаратом. Встречайте: Telwin Force 195!

Схема аппарата сильно отличается от привычных схем недорогих аппаратов Telwin. Привожу схему (2 листа), кому нужна в хорошем качестве в формате PDF - пишите письмо на электронную почту, пришлю

Принципиальная схема аппарата, лист 1.
Принципиальная схема аппарата, лист 1.
Принципиальная схема аппарата, лист 2.
Принципиальная схема аппарата, лист 2.

В схеме аппарата есть генератор прямоугольных импульсов частотой порядка 60 Герц, собранный на операционном усилителе U3C. Этот генератор работает при отсутствии напряжения на выходе аппарата, то есть при запуске аппарата или при коротком замыкании электрода на деталь. При этом на выходе микросхемы ШИМ UC2845 присутствуют пачки импульсов. Этот момент необходимо учитывать при проверке параметров и формы импульсов на затворах силовых транзисторов при ремонте аппарата.

Порядок разборки аппаратов этого семейства подробно рассмотрен в моей статье

Настоятельно рекомендую внимательно ознакомиться, поскольку статья обобщает опыт многих людей и способна ответить на множество вопросов.

Плата аппарата выглядит так

Вид платы со стороны компонентов. Фото автора.
Вид платы со стороны компонентов. Фото автора.
Вид платы со стороны монтажа. Фото автора.
Вид платы со стороны монтажа. Фото автора.

Аппарат собран по схеме однотактного прямоходового преобразования, в каждом плече работают по два транзистора FGH40N60SFD

Силовые транзисторы преобразователя. Фото автора.
Силовые транзисторы преобразователя. Фото автора.

диодные сборки выходного выпрямителя 60CPH03 по две штуки параллельно в прямой и возвратной цепях

Диодные сборки выходного выпрямителя. Фото автора.
Диодные сборки выходного выпрямителя. Фото автора.

При осмотре платы сразу бросается в глаза перегоревший резистор R2 предзаряда конденсаторов фильтра

Неисправный резистор R2. Фото автора.
Неисправный резистор R2. Фото автора.

Такая неисправность обычно является следствием пробоя силовых транзисторов Q1, Q2, Q3, Q4 преобразователя. Проверяю транзисторы на пробой - пробиты. А ещё между радиаторами силовых транзисторов виден заводской трансформатор Т2 типа 117303

Заводской трансформатор Т2 на плате. Фото автора.
Заводской трансформатор Т2 на плате. Фото автора.

Конечно, кто бы сомневался! Миллионы трансформаторов заказаны, надо устанавливать их в аппараты. На пользователей наплевать, как и всегда. Мир развитого капитализма, общество потребления.

Новый купим? Нет, этот отремонтируем. По крайней мере - попробуем. Силовые транзисторы пробиты, нужно их демонтировать. Наша задача сохранить в целости плату аппарата, поэтому сначала выпаяем конденсатор С1

Здесь был конденсатор С1. Фото автора.
Здесь был конденсатор С1. Фото автора.

После демонтажа конденсатора С1 открывается свободный доступ к винтам крепления транзисторов Q1, Q3 (ключ Hex 3, в обиходе - шестигранник). Отвернём винты, снимем их вместе с шайбами

Транзисторы Q1 и Q3. Фото автора.
Транзисторы Q1 и Q3. Фото автора.

Винты крепления транзисторов Q2, Q4 отворачиваем тем же ключом. Затем отвёрткой PH2 отворачиваем саморезы крепления радиаторов к плате и снимаем радиаторы. Не потеряйте латунные втулки, которые установлены между радиаторами и платой!

Плата без радиаторов. Фото автора.
Плата без радиаторов. Фото автора.

Теперь проверим диоды рекуперации D4, D5, выпаяв их из платы. Диоду D4 нехорошо, у него отсутствует часть корпуса

Диод D4 на плате. Фото автора.
Диод D4 на плате. Фото автора.

Выпаиваем и видим

Жарко было? Да, очень жарко! Фото автора.
Жарко было? Да, очень жарко! Фото автора.

На корпусе конденсатора С3 остался отпечаток фланца диода. Диод явно перегревался во время работы аппарата. Диод D4 пробит, диод D5 пробит.

Детали затворных цепей уцелели все

Затворные цепи на плате. Фото автора.
Затворные цепи на плате. Фото автора.

А на плате обнаружился дополнительный не обозначенный на схеме компонент от точки J13 к правому проводу в жёлтой изоляции - резистор сопротивлением 2,2 Ом мощностью 0,5 Вт

Нет тебя в схеме! Фото автора.
Нет тебя в схеме! Фото автора.

Этот резистор подключён последовательно с вторичной обмоткой 3 - 4 силового трансформатора Т3 (смотрите лист 1 принципиальной схемы).

"Завод-изготовитель оставляет за собой право вносить в конструкцию изделия изменения, не отражённые в настоящей документации и не ухудшающие его работу".

Это всё мелочи. Давайте проверим работу драйвера затворов, нагрузив его выходы резисторами 220 Ом, 2 Вт. Вдруг мы всё придумали, и заводской трансформатор 117303 исправен? Снимем осциллограмму на любом из резисторов

Импульсы с заводским ТГР. Фото автора.
Импульсы с заводским ТГР. Фото автора.

Нам не повезло? Нам повезло! Причина возникновения неисправности в аппарате найдена. Обидно, что вышли из строя дорогостоящие силовые компоненты. Поэтому рекомендую всем владельцам инверторных сварочных аппаратов Telwin/BlueWeld не полениться, частично разобрать свои аппараты и посмотреть в зазор между радиаторами силовых транзисторов. Если на плате присутствует красно-коричневый корпус трансформатора драйвера затворов - замените его прямо сейчас! Его всё равно придётся заменить, и лучше сделать это до выхода из строя силовых компонентов. Примите как данность: с завода аппараты укомплектованы дефектным трансформатором для сокращения срока его службы. Если мы хотим, чтобы аппарат работал долго, трансформатор нужно заменить хотя бы самодельным. Я об изготовлении трансформаторов написал несколько статей, читайте:

Выпаяем заводской трансформатор

Место на плате для установки трансформатора. Фото автора.
Место на плате для установки трансформатора. Фото автора.

Я изготавливаю небольшими партиями вот такие трансформаторы

ТГР собственного изготовления. Фото автора.
ТГР собственного изготовления. Фото автора.

которые полностью заменяют собой заводские трансформаторы 117303 или 120303. Их преимущество в том, что мои трансформаторы устанавливаются в плату в заводские отверстия. Выпаял неисправный, впаял новый, проверил осциллограммы.

Новый ТГР на плате. Фото автора.
Новый ТГР на плате. Фото автора.

Реклама. Если вы хотите заказать такой трансформатор для ремонта аппарата Telwin/Blueweld - напишите мне письмо на электронную почту.

Осциллограммы с новым трансформатором ожидаемо хорошие, импульсы прямоугольные

Импульсы с новым ТГР. Фото автора.
Импульсы с новым ТГР. Фото автора.

Теперь можно установить новые силовые транзисторы SGT40N60FD2, диоды рекуперации SFR15F60T2 и впаять на своё место конденсатор С1. В позицию R2 я установлю два проволочных резистора SQP 10 Вт 100 Ом параллельно

Резисторы в позиции R2. Фото автора.
Резисторы в позиции R2. Фото автора.

Плата аппарата запустилась, на выходе есть напряжение 62 вольта. Всё? Нет, не всё. Для того, чтобы аппарат работал долго, устраним заводскую диверсию. Дело в том, что контакты датчика ST1 перегрева радиатора диодного моста D1 подключены в разрыв цепи питания схемы управления аппаратом. То есть, при перегреве диодного моста силовой преобразователь аппарата выключается, вентилятор перестаёт работать и охлаждать нагретые компоненты аппарата. А ведь это неправильно.

Мы сделаем иначе. Мы выпаяем провода датчика ST1 из платы

Точки подключения датчика ST1 к плате. Фото автора.
Точки подключения датчика ST1 к плате. Фото автора.

замкнём освободившиеся точки J4 и J5 перемычкой

Перемычка в цепи питания схемы управления. Фото автора.
Перемычка в цепи питания схемы управления. Фото автора.

а провода датчика ST1 подключим последовательно с проводами датчика ST2

Датчики St1 и ST2 соединены теперь последовательно. Фото автора.
Датчики St1 и ST2 соединены теперь последовательно. Фото автора.

Теперь при срабатывании любого из датчиков перегрева зажигается индикатор "Перегрев/Перегрузка", силовой преобразователь аппарата продолжает работать, вентилятор вращается, а вот дугу зажечь не удастся: будут только искры.

Я не люблю вносить изменения в заводскую схему аппаратуры, но в данном случае полагаю такое вмешательство оправданным и даже необходимым. Незачем кормить производителя. Есть аппарат - вот пусть он и работает!

Публикации моих статей на Дзен не приносят мне никакого дохода. И ладно бы просто доход не приносили! Ведь подготовка материалов требует больших усилий и затрат времени. Поэтому, если вам интересно читать статьи по ремонту
электроники, и вы хотите помочь развитию моего канала, то я буду весьма благодарен вашим пожертвованиям на карту Сбер 2202 2061 0277 2519