Добавить в корзинуПозвонить
Найти в Дзене
RADIO INFO

Одноламповый рефлексный радиоприемник японского радиолюбителя

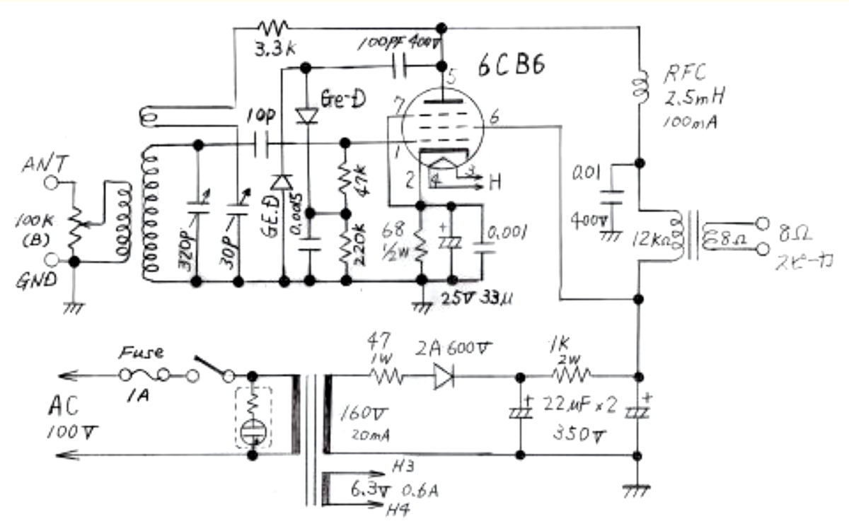
Добрый день дорогие друзья. Нашел в своих архивах довольно интересный одноламповый рефлексный радиоприемник рассчитанный на работу в диапазоне СВ, который можно построить из небольшого количества деталей. По словам японца, на небольшую антенну, этот приемник кроме местных радиостанций, уверено принимает корейские и китайские радиостанции. Принципиальная схема рефлексного радиоприемника Радиоприемник, собран всего на одной радиолампе 6CB6. Усиление как по высокой, так и по низкой частоте осуществляется одной лампой. Сигнал, полученный при усилении высокой частоты, детектируется германиевым диодом, и далее усиливается по низкой частоте. Нагрузкой является первичная обмотка трансформатора НЧ Собирается приемник на металлическом шасси Вид в подвал шасси приемника Список деталей Список деталей сделан онлайн переводчиком с японского языка, я его особо не корректировал, но о некоторых деталях мы поговорим подробнее. Высокочастотная дроссельная катушка (анодный дроссель) RFC 2,5 мГн, ее хоро

Добрый день дорогие друзья.

Нашел в своих архивах довольно интересный одноламповый рефлексный радиоприемник рассчитанный на работу в диапазоне СВ, который можно построить из небольшого количества деталей. По словам японца, на небольшую антенну, этот приемник кроме местных радиостанций, уверено принимает корейские и китайские радиостанции.

Принципиальная схема рефлексного радиоприемника

-2

Радиоприемник, собран всего на одной радиолампе 6CB6. Усиление как по высокой, так и по низкой частоте осуществляется одной лампой. Сигнал, полученный при усилении высокой частоты, детектируется германиевым диодом, и далее усиливается по низкой частоте. Нагрузкой является первичная обмотка трансформатора НЧ

Собирается приемник на металлическом шасси

Вид в подвал шасси приемника

-3

Список деталей

-4

Список деталей сделан онлайн переводчиком с японского языка, я его особо не корректировал, но о некоторых деталях мы поговорим подробнее.

Высокочастотная дроссельная катушка (анодный дроссель) RFC 2,5 мГн, ее хорошо видно на фото в подвале приемника, что то подобное можно найти от старых ламповых приемников и телевизоров, намотанное на высокоомные резисторы. Думаю допустимо небольшое отклонение от номинала 2,5 мГн

-5

Вот еще один вариант дросселей

-6

Катушки входного контура наматываются на оправке D=32мм. Основная катушка имеет 60 витков, проводом d=0,25мм, антенная катушка 25 витков, того же провода и катушка связи 5 витков.

В приемнике применена американская радиолампа 6CB6 корпорации RCA, приобрести ее можно на AliExpress

-7

Но у меня предложение с AliExpress не вызывает доверия, и я бы попробовал бы применить какие ни будь советские аналоги, например 6Ж38П, вот ее характеристики.

-8

Продается эта лампа на Мешке за 240 руб.

-9

Но здесь еще добавится пересылка еще +300руб

Наверное выгоднее купить в «ЧИП и ДИП» за 420 руб, так как там доставка бесплатная.

-10

Еще думаю, что также подойдет и лампа 6Ж4П

-11

Она тоже продается в «ЧИП и ДИП» за 620 руб.

Из детекторных диодов наиболее подходящими по Uобр. будут выделенные в табличке красной рамкой.

-12

Самый подходящий Д2Ж

Комплектование остальных деталей не должно вызывать затруднений

На этом у нас сегодня все.
Рекомендую посмотреть
Подборку публикаций моего канала,
где Вы найдете статьи по рассмотренной выше теме, и множество других
материалов, которые могут быть Вам интересны и полезны.
Ставьте лайки, комментируйте, подписывайтесь и заходите на мой
канал, есть много интересной и нужной информации для радиолюбителей