Добавить в корзинуПозвонить
Найти в Дзене
TWOKARBURATORS

Какие есть признаки неисправности аккумулятора автомобиля?

Выход из строя аккумуляторной батареи (АКБ) автомобиля практически всегда ставит крест на продолжении его эксплуатации. Существует несколько признаков по которым можно самостоятельно определить, что пришла пора заменить ее на новую. Или хотя бы зарядить. Рассмотрим их все, чтобы ориентироваться в этой проблеме. Полную версию этой статьи смотри на нашем сайте twokarburators.ru - "Основные признаки неисправности АКБ автомобиля". А так же подписывайтесь на наш канал в Телеграм (там нет рекламы). Вот ссылка https://t.me/twokarburators Если, например, значительно разряжена АКБ, то скорее всего провернуть коленчатый вал двигателя стартером не получится. Либо он вообще откажется работать (втягивающее реле при этом может щелкать), либо будет крутить, но медленно. И такая прокрутка не позволит запустить двигатель. Все это происходит потому, что разряженный аккумулятор не может обеспечить подачу пускового тока требуемой силы для работы стартера. И он не крутит как положено. Обычно такой признак
Оглавление
Аккумулятор автомобиля
Аккумулятор автомобиля

Выход из строя аккумуляторной батареи (АКБ) автомобиля практически всегда ставит крест на продолжении его эксплуатации.

Существует несколько признаков по которым можно самостоятельно определить, что пришла пора заменить ее на новую. Или хотя бы зарядить.

Рассмотрим их все, чтобы ориентироваться в этой проблеме.

Полную версию этой статьи смотри на нашем сайте twokarburators.ru - "Основные признаки неисправности АКБ автомобиля".

А так же подписывайтесь на наш канал в Телеграм (там нет рекламы). Вот ссылка https://t.me/twokarburators

Основные признаки неисправности АКБ (аккумуляторной батареи) автомобиля.

1. Не крутит стартер автомобиля.

Если, например, значительно разряжена АКБ, то скорее всего провернуть коленчатый вал двигателя стартером не получится.

Либо он вообще откажется работать (втягивающее реле при этом может щелкать), либо будет крутить, но медленно. И такая прокрутка не позволит запустить двигатель.

Все это происходит потому, что разряженный аккумулятор не может обеспечить подачу пускового тока требуемой силы для работы стартера. И он не крутит как положено.

2 Тускло светятся лампы внутреннего освещения салона автомобиля.

Обычно такой признак является сопутствующим к "не крутит стартер". В особо тяжелом случае индикаторы на приборной панели могут вообще не загореться.

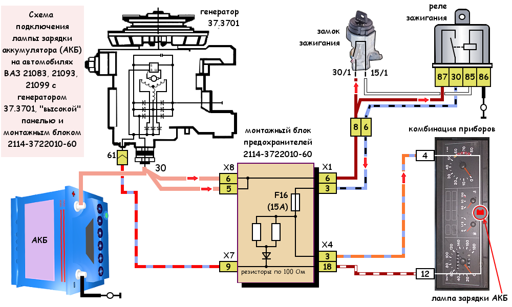
3. Пропала зарядка аккумулятора (АКБ).

На автомобиле с работающим двигателем источником электрического тока является генератор. Он вырабатывает ток для питания потребителей бортовой сети автомобиля и заряжает аккумуляторную батарею. При исчезновении зарядного тока на автомобиле загорается контрольная лампа зарядки на приборной панели, стрелка на вольтметре (если имеется) отклоняется в красную зону. То есть в этой неисправности в основном виноват генератор. Но в ряде случаев генератор может быть не причем.

Схема подключения лампы зарядки АКБ
Схема подключения лампы зарядки АКБ

Почему такое может произойти?

В процессе длительной эксплуатации автомобиля на выводах клеммах аккумулятора и клеммах присоединенных к ним проводов растет слой окислений. Что делает невозможным полноценный контакт клемм проводов и выводов АКБ. Электрический ток не проходит, аккумулятор не заряжается.

Для устранения неисправности необходимо периодически очищать клеммы и выводы наждачной бумагой. Плюс, смазывать их техническим вазелином.

Помимо этого выйти из строя может сама аккумуляторная батарея.

Она попросту не воспринимает заряд. Возможно пластины внутри нее осыпались из-за старости, механического повреждения, слишком высокого зарядного тока (неисправен регулятор напряжения в генераторе или зарядное устройство при стационарной зарядке).

«Сульфатация» пластин внутри АКБ, так же является причиной невозможности полноценно зарядить аккумулятор.

4. Кипит аккумулятор.

При этом после остановки двигателя слышно бурление внутри аккумуляторной батареи. Он кипит. Уровень электролита снижается. Под капотом появился запах "тухлого яйца". Стрелка вольтметра уходит в красную зону. Приборы светятся непривычно ярко.

Такое возможно когда осыпались пластины внутри банок аккумулятора и возникло короткое замыкание между ними. В таком случае АКБ перестает воспринимать заряд и постоянно бурлит.

Если аккумулятор продолжает "кипеть" после замены регулятора, придется заменить его новым. Короткое замыкание в банках АКБ - приговор для него.

Таким образом, зная хотя бы вот эти четыре признака неисправности АКБ можно смело приступать к диагностике возникших проблем.

Как проверить степень заряженности АКБ автомобиля?

Подключаем вольтметр (мультиметр, автотестер в режиме вольтметра) одним щупом к положительному выводу АКБ, другим к отрицательному.

Фиксируем показания прибора:

- напряжение 12,6 В – аккумулятор заряжен на 100%;
- напряжение
12,4 В – заряжен на 75%;
- напряжение
12,2 В – заряжен на 50%;
- напряжение
12,0 В – заряжен на 25%.

Еще способы проверки АКБ изложены в статье - "Проверка аккумуляторной батареи автомобиля".

Проверка АКБ мультиметром (вольметром)
Проверка АКБ мультиметром (вольметром)

Примечания и дополнения

На части автомобильных аккумуляторов имеется "глазок" - индикатор заряда. Если он горит зеленым светом, то АКБ заряжена, если белым, то ее нужно заряжать, если черным, то аккумулятор разряжен. Следует сказать, что в ряде случаев, зеленый цвет индикатора не является показателем полностью заряженной АКБ. Обычно он появляется при ее зарядке где-то на 75 процентов. Поэтому, для более точного определения степени заряда лучше воспользоваться вольтметром или ареометром.

Что можно почитать еще по ремонту и обслуживанию автомобилей с пробегом на нашем канале? Вот несколько статей.

- Несколько признаков скорой замены высоковольтных проводов

- Как проверить утечку тока на автомобиле мультиметром?

- Несколько простых способов очистки АКБ автомобиля

- Нет зарядки АКБ автомобиля. Причины.

Подписывайтесь на наш канал twokarburators, будет еще много чего нужного и полезного!