Найти в Дзене

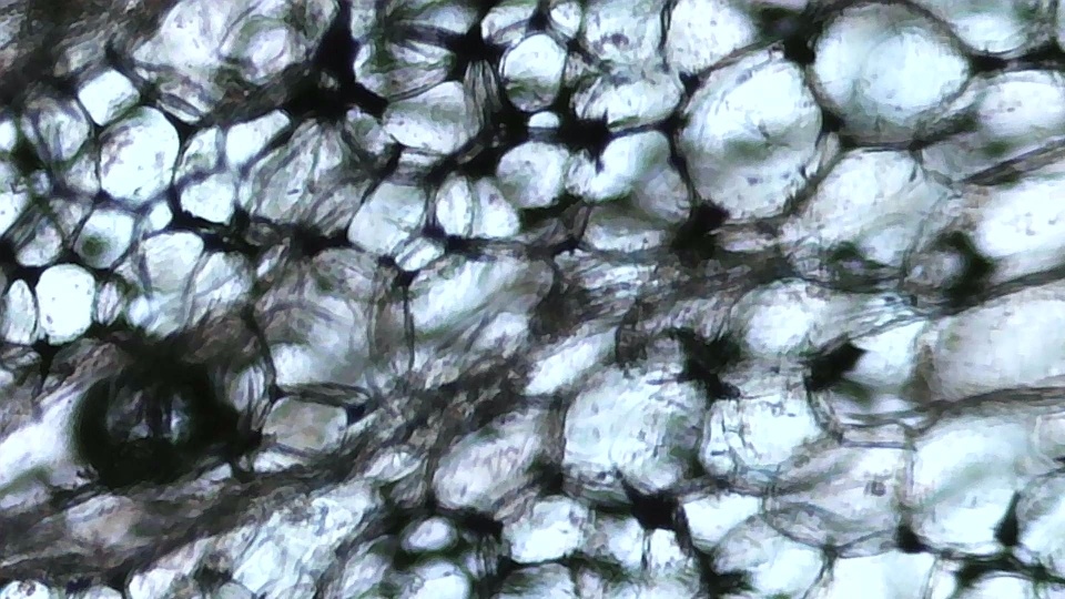
Черешня увеличенная в сотни раз

Под увеличением можно будет рассмотреть клеточные структуры, такие как клеточные стенки, ядра, вакуоли (хранилища сока) Чтобы увидеть такое изображение, вам нужно будет воспользоваться микроскопом и подготовить образец черешни. Так выглядит внутренний мир черешни

Под увеличением можно будет рассмотреть клеточные структуры, такие как клеточные стенки, ядра, вакуоли (хранилища сока)

Чтобы увидеть такое изображение, вам нужно будет воспользоваться микроскопом и подготовить образец черешни.

-2
-3
-4

Так выглядит внутренний мир черешни