Найти в Дзене

Орион-128. Часы КР512ВИ1.

Всех приветствую! В нашей жизни часы играют важную роль. Без часов никуда. Поэтому в компьютере должны быть часы. Даже если это не касается того, когда были созданы или изменены файлы. Часы - это красиво и стильно. А если это часы КР512ВИ1 отечественного производства, то это ещё и гордо 😀 На Орионе часов не было очень долго. Только сравнительно недавно, буквально несколько лет назад, была разработана схема подключения. Дело в том, что ОС ОРДОС не требует в атрибутах для своих файлов наличия отметок даты и времени, в то время как ОС DSDOS очень активно этим пользуется. Хотя и без этого также может работать. Но с часами смотрится красиво! Подключается микросхема КР512ВИ1 к Ориону по следующей схеме: Обвязка вокруг микросхемы кажется немного пугающей, но это из-за особенностей адресации самой микросхемы. Вход AS это строб адреса, а вход DS - строб данных, а вот шина адреса/данных AD0-AD7 у них общая. Так что без такой обвязки не обойтись. На полевом транзисторе ВС170 собран узел задержки

Всех приветствую!

В нашей жизни часы играют важную роль. Без часов никуда. Поэтому в компьютере должны быть часы. Даже если это не касается того, когда были созданы или изменены файлы. Часы - это красиво и стильно. А если это часы КР512ВИ1 отечественного производства, то это ещё и гордо 😀

На Орионе часов не было очень долго. Только сравнительно недавно, буквально несколько лет назад, была разработана схема подключения.

Дело в том, что ОС ОРДОС не требует в атрибутах для своих файлов наличия отметок даты и времени, в то время как ОС DSDOS очень активно этим пользуется. Хотя и без этого также может работать.

Но с часами смотрится красиво!

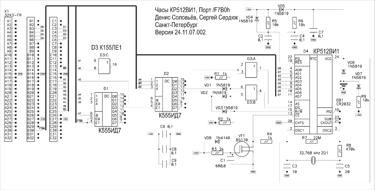
Подключается микросхема КР512ВИ1 к Ориону по следующей схеме:

Обвязка вокруг микросхемы кажется немного пугающей, но это из-за особенностей адресации самой микросхемы. Вход AS это строб адреса, а вход DS - строб данных, а вот шина адреса/данных AD0-AD7 у них общая. Так что без такой обвязки не обойтись. На полевом транзисторе ВС170 собран узел задержки для активации входа /CS. Опыт работы показал, что некоторые экземпляры микросхем при включении питания теряют свои данные и при чтении микросхема выдаёт мусор. Связано это с переходными процессами внутри самой микросхемы, поэтому подача лог. 0 на вывод /CS делается с некоторой задержкой.

Применение полевого транзистора обусловлено отсутствием утечек, ведь при выключении компьютера микросхема подпитывается батарейкой CR2032, при этом подпирая вывод /CS высоким уровнем, а полевой транзистор хорошо запирается.

Хоть CR2032 батарейка, которую нельзя заряжать, в схему введён поддерживающий резистор номиналом 10кОм, подпитывающий батарейку током 200мкА. Вместо батарейки можно применить аккумулятор LIR2032.

Но самое тонкое место в работе с КР512ВИ1 - это монтаж.

Рекомендуют размещать кварцевый резонатор и резистор 22МОм как можно ближе к выводам микросхемы, чтобы как можно меньше было помех на этот узел, а корпус резонатора соединить с общим проводом. Следуя рекомендациям, самое удачное расположение кварцевого резонатора, с моей точки зрения, это под самой микросхемой вместе с резистором 22МОм. Конденсаторы обвязки резонатора можно расположить либо рядом с микросхемой, либо также под ней, если получается это сделать. Так как весь этот узел капризный, я расположил все эти элементы под микросхемой. Сама КР512ВИ1 ставится на панельку.

Остальные элементы схемы располагаем как угодно, но всё же желательно, чтобы соединения были как можно короче.

Свой вариант часов я решил сделать на макетной плате размерами 100х50мм.

Разместить обвязку кварцевого резонатора лучше под микросхемой
Разместить обвязку кварцевого резонатора лучше под микросхемой
Часы в сборе. Вид со стороны деталей.
Часы в сборе. Вид со стороны деталей.
Часы в сборе. Вид со стороны монтажа.
Часы в сборе. Вид со стороны монтажа.

Часы собраны, проверяем монтаж на ошибки и подключаем к компьютеру.

После старта ОС часы могут показывать либо некорректные дату/время, либо, как в моём случае, не идут вообще.

Часы не идут
Часы не идут

Воспользовавшись утилитами DATE$ и TIME$, которые идут в любой сборке ОС DSDOS, выставляем правильные дату и время.

L TIME$ hh:mm:ss [Enter], где hh:mm:ss текущее время, а можно просто выполнить L TIME$ /S и время установится автоматически при условии подключения к ORI-серверу.

L DATE$ dd.mm.yy [Enter], где dd.mm.yy текущие значения даты.

При первом включении и настройке даты/времени система может выдать сообщение "Сбой питания часов!" и может сбиться дата. Ничего страшного. После инициализации и пуска внутреннего генератора всё настроится как надо и в дальнейшем этого сообщения не будет. А дату придётся выставить заново.

Вот так идут часы после установки:

-6

Схему в хорошем качестве, гербер для печатной платы и программы (у кого их нет) можно скачать по ссылке https://disk.yandex.ru/d/wifmRuiW2FC3FQ

До новых встреч!