Добавить в корзинуПозвонить
Найти в Дзене
Абамет

Выбор поворотного стола для фрезерного станка с ЧПУ

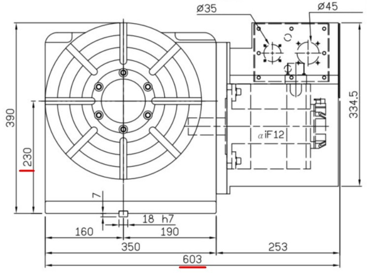
Поворотный стол (4-ая ось) значительно расширяет возможности 3-ех осевого фрезерного станка с ЧПУ. Стол позволяет обрабатывать сложные корпусные детали с разных сторон за один установ, что увеличивает точность обработки и сокращает общее время производства. Также поворотный стол позволяет изготавливать детали со сложной геометрией, которые в 3-ех осях сделать невозможно или очень сложно. При выборе поворотного стола следует обратить внимание на следующие параметры: Рассмотрим каждый из этих этапов выбора поворотного стола более подробно. В первую очередь нужно обратить внимание на размеры деталей. Выбранный поворотный стол должен обеспечить надежное крепление детали и возможность ее обработки. Если деталь или зажимное приспособление (кулачки патрона, например) будут выступать за наружный диаметр планшайбы стола, то необходимо также обратить внимание на расстояние от рабочего стола станка до центра поворота планшайбы (230 мм на рисунке), чтобы убедиться, что планшайба поворотного стола
Оглавление

Введение

Поворотный стол (4-ая ось) значительно расширяет возможности 3-ех осевого фрезерного станка с ЧПУ. Стол позволяет обрабатывать сложные корпусные детали с разных сторон за один установ, что увеличивает точность обработки и сокращает общее время производства. Также поворотный стол позволяет изготавливать детали со сложной геометрией, которые в 3-ех осях сделать невозможно или очень сложно.

Внешний вид поворотного стола
Внешний вид поворотного стола

При выборе поворотного стола следует обратить внимание на следующие параметры:

  • габаритные размеры и масса деталей, которые нужно будет обрабатывать;
  • размеры рабочей зоны фрезерного станка, на котором поворотный стол будет работать;
  • технологические параметры поворотного стола: крутящий и тормозной моменты, скорость вращения, точность поворота.

Рассмотрим каждый из этих этапов выбора поворотного стола более подробно.

Габаритные размеры и масса деталей

В первую очередь нужно обратить внимание на размеры деталей. Выбранный поворотный стол должен обеспечить надежное крепление детали и возможность ее обработки. Если деталь или зажимное приспособление (кулачки патрона, например) будут выступать за наружный диаметр планшайбы стола, то необходимо также обратить внимание на расстояние от рабочего стола станка до центра поворота планшайбы (230 мм на рисунке), чтобы убедиться, что планшайба поворотного стола с закрепленной деталью сможет поворачиваться.

Планировка поворотного стола
Планировка поворотного стола

Также нужно уточнить, какая максимальная допустимая нагрузка на планшайбу у поворотного стола. Общая масса заготовки и зажимного приспособления не должна превышать это значение.

Если у детали большое отношение длины к диаметру, то ее нужно обрабатывать с использованием задней опоры. В этом случае максимальная допустимая нагрузка может быть в два раза больше.

Фрезерование детали с поворотным столом и задней опорой
Фрезерование детали с поворотным столом и задней опорой

Задние бабки/опоры для поворотного стола предлагаются двух основных видов:

  • задняя бабка с конусом Морзе под вращающийся центр;
  • задняя бабка с вращающейся планшайбой и тормозом.
Задние опоры для поворотного стола
Задние опоры для поворотного стола

Размеры рабочей зоны фрезерного станка

Поворотный стол часто устанавливают поперек рабочего стола станка (вдоль оси Y) справа от оператора, напротив устройства смены инструмента. При таком его расположении снижается риск столкновения режущего инструмента с оснасткой или деталью и остается место на рабочем столе станка для установки тисков для работы в 3-ех осях.

Рабочая зона фрезерного станка с поворотным столом и задней опорой
Рабочая зона фрезерного станка с поворотным столом и задней опорой

Корпус поворотного стола, при таком его расположении, часто свешивается с рабочего стола станка. Нужно уточнить ширину стола станка и минимальный зазор от его края до переднего защитного кожуха. В сумме эти значения должны быть больше габаритный длины поворотного стола.

Планировка рабочей зоны фрезерного станка
Планировка рабочей зоны фрезерного станка

Необходимо также убедиться, что всё помещается и по высоте. Для этой проверки будут нужны минимальное и максимальное расстояния от торца шпинделя до поверхности рабочего стола фрезерного станка. И нужно учесть необходимый вылет режущего инструмента, чтобы шпиндель станка с инструментом мог подойти к обрабатываемой детали, установленной на поворотном столе.

Необходимые параметры поворотного стола

Важность того или иного параметра определяется задачами производства.

Для работы поворотной оси в режиме позиционирования (3+1) важен тормозной момент стола, который будет надежно удерживать обрабатываемую деталь. В этом случае лучше выбрать систему гидравлического зажима вместо пневматического, с которой тормозной момент будет больше.

Если в процессе производства нужно часто поворачивать деталь, то важное значение будет иметь максимальная скорость вращения планшайбы стола. Высокая скорость вращения сократит вспомогательное время цикла.

Точность поворота планшайбы также указывается в техническом описании стола. Нужно сопоставить это значение с требованиями в чертеже.

Если обработка будет проводиться в режиме полной 4-ой оси, то нужно обратить особое внимание на крутящий момент поворотного стола.

Заключение

Поворотный стол выбирается в первую очередь, исходя из задач производства. Выбор конкретной модели зависит от размеров и веса деталей, которые нужно будет обрабатывать.

При выборе поворотного стола важно также обратить внимание на размеры рабочей зоны фрезерного станка, с которым он будет работать. Стол должен поместиться в станок вместе с деталью и зажимными приспособлениями.

Правильно подобранный поворотный стол существенно расширит возможности производства, увеличить его эффективность и производительность.