Найти в Дзене
Компания инженеров

Доремонт Telwin Force 165 из Осташкова

Осташков - районный центр Тверской области. Небольшой город, который стоит на озере Селигер. Если будет возможность - рекомендую посетить эти места всем интересующимся природными богатствами земли русской. Я сам в Осташкове бывал много раз, и ещё неоднократно буду. Места там красивые, душа отдыхает от городской суеты. Для рыболовов Селигер - настоящая находка, поскольку рыба в нём водится, и её много. Не Ахтуба, конечно, но всё же. Кстати, исток реки Волги находится недалеко от Осташкова. Но сегодня мы с вами на рыбалку не пойдём, а будем ремонтировать инверторный сварочный аппарат модели Telwin Force 165 который мне привезли из Осташкова. Разборка подобных аппаратов подробно рассмотрена в моей статье: Настоятельно рекомендую ознакомиться. Приведу также принципиальную схему аппарата для понимания процесса ремонта Аппарат до меня побывал в руках человека с паяльником, который произвёл в нём некоторые работы, а именно: - выпаял силовые транзисторы преобразователя Q5 и Q8 - заменил стабил

Осташков - районный центр Тверской области. Небольшой город, который стоит на озере Селигер. Если будет возможность - рекомендую посетить эти места всем интересующимся природными богатствами земли русской. Я сам в Осташкове бывал много раз, и ещё неоднократно буду. Места там красивые, душа отдыхает от городской суеты. Для рыболовов Селигер - настоящая находка, поскольку рыба в нём водится, и её много. Не Ахтуба, конечно, но всё же. Кстати, исток реки Волги находится недалеко от Осташкова.

Но сегодня мы с вами на рыбалку не пойдём, а будем ремонтировать инверторный сварочный аппарат модели Telwin Force 165

Внешний вид аппарата. Фото автора.
Внешний вид аппарата. Фото автора.

который мне привезли из Осташкова. Разборка подобных аппаратов подробно рассмотрена в моей статье:

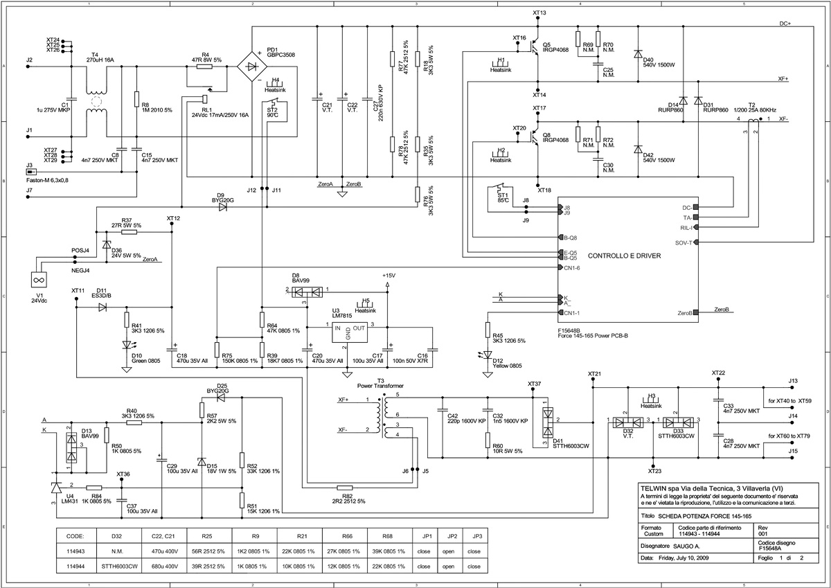
Настоятельно рекомендую ознакомиться. Приведу также принципиальную схему аппарата для понимания процесса ремонта

-2
-3

Аппарат до меня побывал в руках человека с паяльником, который произвёл в нём некоторые работы, а именно:

- выпаял силовые транзисторы преобразователя Q5

Место установки транзистора Q5. Фото автора.
Место установки транзистора Q5. Фото автора.

и Q8

Место установки транзистора Q8. Фото автора.
Место установки транзистора Q8. Фото автора.

- заменил стабилитрон D15 на стабилитрон с гибкими выводами типа 1N4746A

Стабилитрон 1N4746A в позиции D15. Фото автора.
Стабилитрон 1N4746A в позиции D15. Фото автора.

- заменил диодные сборки D32, D33, D41 выходного выпрямителя сварочного тока на сборки типа FFH30US30DN. Под винт крепления сборки D33 не установил шайбу

Диодные сборки в позициях D32, D33, D41. Фото автора.
Диодные сборки в позициях D32, D33, D41. Фото автора.

- заменил TVS диод D42 типа 1.5SMC540A на обычный диод типа US1

Диод US1 в позиции D42. Фото автора.
Диод US1 в позиции D42. Фото автора.

Как мы можем видеть, работы производились крайне неаккуратно. А ещё этот индивид установил в отверстия радиаторов силовых транзисторов случайно взятые винты. Чтоб было.

Мы так не делаем. Мы подходим к любому делу (к ремонту в том числе) ответственно, поэтому смоем изопропиловым спиртом следы жизнедеятельности прежних ремонтников с платы аппарата и внимательно осмотрим плату.

Мы даже не удивимся, что на плате остался заводской трансформатор Т1 типа TI120303

Заводской трансформатор Т1 на плате. Фото автора.
Заводской трансформатор Т1 на плате. Фото автора.

Никак невозможно прочитать в интернете информацию о необходимости замены этого трансформатора. Или не хочется, что тоже вариант. Но зачем тогда за ремонт браться? Берёшься - делай хорошо, чтобы люди потом были благодарны. Не хочешь делать хорошо - не берись. Ведь на всех ремонтников тень бросаешь своими необдуманными действиями.

Давайте подадим на схему управления постоянное напряжение +24 вольта и снимем осциллограммы на резисторах 220 Ом, 1 Вт, подключённых вместо затвор - эмиттеров силовых транзисторов Q5 и Q8

Осциллограммы на затворах с заводским трансформатором. Фото автора.
Осциллограммы на затворах с заводским трансформатором. Фото автора.

Все осциллограммы в этой статье сняты с помощью осциллографа С1-94 с открытым входом Y, внешним делителем 1:10, длительностью горизонтальной развёртки 2 микросекунды на деление, усилением канала вертикального отклонения 0,5 вольта на деление.

Как вам эти импульсы? Прямо скажем - не очень. Поэтому мы с вами выпаяем заводской трансформатор с помощью оловоотсоса и паяльника ЭПСН-40/42, промоем плату от грязи

Плата готова к установке нового трансформатора Т1. Фото автора.
Плата готова к установке нового трансформатора Т1. Фото автора.

И установим на плату трансформатор, изготовленный на покупном каркасе с ферритовым сердечником Ш5х5 из материала PC40

Изготовленный трансформатор. Фото автора.
Изготовленный трансформатор. Фото автора.

Реклама: если Вы хотите заказать такой же трансформатор для замены заводского ТГР - напишите мне письмо на электронную почту. Также я могу подготовить индивидуально подобранный ремкомплект для ремонта именно Вашего аппарата. Вам не придётся заказывать детали у непроверенных продавцов и ждать заказ несколько недель.

Изготовленный трансформатор на плате. Фото автора.
Изготовленный трансформатор на плате. Фото автора.

Давайте снимем осциллограммы на тех же нагрузочных резисторах с новым трансформатором драйвера затворных цепей

Осциллограмма импульсов с новым трансформатором. Фото автора.
Осциллограмма импульсов с новым трансформатором. Фото автора.

Вот теперь импульсы правильной формы, аппарат работать будет.

Что ещё необходимо сделать перед установкой силовых транзисторов? Конечно, проверить исправность диодов рекуперации D14 и D31. Выпаиваем их из платы (не ленимся, берём паяльник мощностью 100 Вт и выпаиваем) и проверяем мультиметром в режиме прозвонки диодов. Диод D14 прозванивается адекватно, а диод D31 оборван. Его неисправность видна невооружённым глазом: корпус диода с трещиной вдоль пластины теплоотвода. Заменим оба диода на диоды SFR15F60T2.

Остался нерешённым вопрос с диодом в позиции D42. Нет у нас диодов 1.5SMC540A, под заказ их привезут через 8 - 10 недель. Долго. Какие варианты? Деталь-то малораспространённая, заменить нечем. Придётся пойти на крайние меры: установить снабберные цепи типа R-C, как это сделано во всех аппаратах серии Telwin Tecnica / BlueWeld Prestige 144/164. Конденсаторы С25 и С30 установим ёмкостью по 2200 пФ на напряжение 1600 вольт, а резисторы - типа SQP мощностью 15 Вт и сопротивлением 20 Ом. На плате аппарата есть места для установки резисторов снабберных цепей размера SMD 2512 по две штуки параллельно (по 47 Ом, скорее всего), но мы этот вариант отметаем как неприемлемый, поскольку резисторы снабберных цепей во время работы силового преобразователя нагреваются очень сильно, и два резистора SMD размера 2512 через некоторое время банально отпаяются от контактных площадок.

Далее рутина: шлифуем привалочные плоскости радиаторов силовых транзисторов, смазываем фланцы транзисторов тонким слоем теплопроводящей пасты КПТ-8, устанавливаем транзисторы на радиаторы, а радиаторы - на плату. После этого подаём питание на плату от разделительного трансформатора 230/230 вольт

через последовательно включённую лампу накаливания 220 вольт, 200 Вт. Плата аппарата запускается, на выходе есть напряжение 62 вольта. Собираем аппарат в корпусе и проверяем в режиме сварки электродом диаметром 3 миллиметра. Варит! Оставляем аппарат под напряжением на час, потом проверяем резисторы снабберных цепей на нагрев: порядка 100 градусов на поверхности керамических корпусов. Приемлемо.

Таким образом мы с вами путём нехитрых манипуляций привели в работоспособное состояние неплохой аппарат с "диким" дизайном корпуса. Никто не мешал тому индивиду, кто до нас залезал с паяльником в этот аппарат, отремонтировать его самостоятельно. Нет возможности изготовить красивый трансформатор на Ш-образном магнитопроводе - намотай на ферритовом кольце, благо технология намотки не является секретной. Есть даже две статьи об этом:

Совсем недавно я нашёл в хламе ферритовое кольцо от фильтра радиопомех размером К22х14х8. Намотал на нём три обмотки по 28 витков, установил в свой стенд - работает! И импульсы такие, какие и должны быть. Из "ничего" сделал "чего". Используй то, что под рукою, так тоже можно. Вариантов - масса!

Если у вас возникли вопросы - пишите в комментариях или на электронную почту. Хотите отремонтировать Ваш аппарат самостоятельно - я помогу дистанционно, благо опыт есть.

Публикации моих статей на Дзен не приносят мне никакого дохода. И
ладно бы просто доход не приносили! Ведь подготовка материалов требует
больших усилий и затрат времени. Поэтому, если вам интересно читать
статьи по ремонту электроники, и вы хотите помочь развитию моего канала,
то я буду весьма благодарен вашим пожертвованиям на карту Сбер 2202
2061 0277 2519