Добавить в корзинуПозвонить
Найти в Дзене
3DTODAY

3D-печатные метаматериалы могут повысить приживаемость эндопротезов

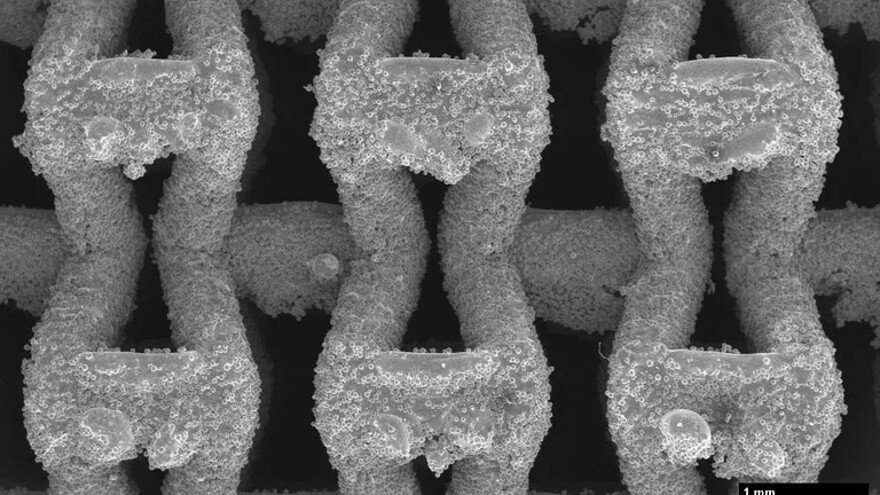
Ученые Санкт-Петербургского политехнического университета имени Петра Великого предложили использовать 3D-печатные метаматериалы с отрицательным коэффициентом Пуассона в производстве костных имплантатов. Особое поведение таких материалов под нагрузками поможет снизить риски воспалений и отторжений. При нагрузках тазобедренные имплантаты подвержены изгибу, что ведет к сжатию одной стороны имплантата и растяжению другой. В итоге одна сторона имплантата всегда прижимается к кости, а вторая отводится от нее, что может приводить к повреждениям поверхностей раздела между костью и имплантатом. Кроме того, получаемые в результате износа частицы могут проникать в пространство между имплантатом и костью, вызывая воспаления и отторжения. Ученые СПбПУ предложили использовать метаматериал с отрицательным коэффициентом Пуассона (-0,09 и -0,003), сообщает агентство «РИА Новости» со ссылкой на пресс-службу вуза. Такие материалы расширяются в поперечном сечении при продольном растяжении и сужаются при

Ученые Санкт-Петербургского политехнического университета имени Петра Великого предложили использовать 3D-печатные метаматериалы с отрицательным коэффициентом Пуассона в производстве костных имплантатов. Особое поведение таких материалов под нагрузками поможет снизить риски воспалений и отторжений.

При нагрузках тазобедренные имплантаты подвержены изгибу, что ведет к сжатию одной стороны имплантата и растяжению другой. В итоге одна сторона имплантата всегда прижимается к кости, а вторая отводится от нее, что может приводить к повреждениям поверхностей раздела между костью и имплантатом. Кроме того, получаемые в результате износа частицы могут проникать в пространство между имплантатом и костью, вызывая воспаления и отторжения.

Ученые СПбПУ предложили использовать метаматериал с отрицательным коэффициентом Пуассона (-0,09 и -0,003), сообщает агентство «РИА Новости» со ссылкой на пресс-службу вуза. Такие материалы расширяются в поперечном сечении при продольном растяжении и сужаются при продольном сжатии. Эта свойство может помочь получать имплантаты с повышенной приживаемостью. По жесткости материалы близки к пористой (трабекулярной) костной ткани.

-2

Научная команда уже изготовила опытные образцы материалов нового типа методом 3D-печати по технологии селективного лазерного сплавления металлопорошковых композиций (SLM) и провела лабораторные испытания.

А у вас есть интересные новости? Поделитесь с нами своими разработками, и мы расскажем о них всему миру! Ждем ваши идеи по адресу news@3Dtoday.ru.