Найти в Дзене

УПЧ на эмиттерных повторителях.

Эта идея посетила меня давно, но ждала своей реализации. В этой статье я расскажу о теоретической основе :)) и результатах моделирования, а далее о практической реализации этой идеи.

Для начала вспомним, что такое эмиттерный повторитель.

Рис. 1.
Рис. 1.

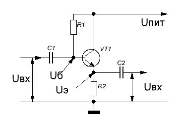
Эмиттерный повторитель — это разновидность схемы включения биполярного транзистора, выполняющего особую функцию: повторять исходящий сигнал на своём выходе без искажений.

Входное сопротивление такого устройства чрезвычайно велико, что помогает защитить источник сигнала от перегрузок и повреждений. Между тем, выходное сопротивление, напротив, оказывается небольшим, позволяя эффективно взаимодействовать с последующими элементами схемы. Эмиттерные повторители могут работать в широком диапазоне частот. И еще одно положительное свойство: каскад охвачен 100% - ной отрицательной связью по постоянному току.

Напряжение сигнала на выходе немного ниже чем на входе, но имеет ту же фазу, т.е. Uвх>Uвых. Постоянное напряжение на эмиттере меньше напряжения на базе на напряжение потери на переходе Б-Э, т.е. на 0,7 В для кремниевого транзистора. Проверим это на модели.

Рис. 2.
Рис. 2.

Модель показывает все по науке: напряжение на базе на 0,7 В больше, чем на эмиттере, сигнал на выходе повторяет сигнал на входе и по размаху и по фазе. А где же здесь усиление? Давайте вспомним закон Ома.

Рис. 3.
Рис. 3.

Вывод: эмиттерный повторитель усиливает не напряжение сигнала, а его ток. А так как I x U = P, то он усиливает мощность сигнала.

Ну и что нам от этого? А вот что: на входе может быть высокоомный источник сигнала с малой его мощностью, а на выходе получим мощный сигнал на малом сопротивлении.

В качестве высокоомного источника мы можем использовать повышающий трансформатор.

Рис. 4.
Рис. 4.

Как видим, на вторичной обмотке трансформатора размах колебаний в пять раз больше, чем на первичной. И точно такой же сигнал будет на выходе эмиттерного повторителя, только мощность его будет больше.

А не сделать ли вторичную обмотку резонансной ?

Рис. 5.
Рис. 5.

Вот и получился усилитель напряжения на эмиттерных повторителях с коэффициентом около 240, т.е. более 47 дБ.

Конечно, у этого усилителя есть недостаток: нужно настраивать контуры. Но при наличии приборов (генератора и ВЧ-пробника к мультиметру) это не составит труда. Зато АЧХ получается отличной для УПЧ.

Рис. 6.
Рис. 6.

Безусловно, что если вместо биполярного транзистора поставить полевой, все будет еще лучше.

Рис. 7.
Рис. 7.

С тремя контурами и тремя транзисторами усиление получилось около 60 дБ.

Вот такая меня посетила идея. Теперь нужно воплотить ее практически.

Всем здоровья и успехов!