Найти в Дзене
Абамет

Металлообрабатывающие станки с ЧПУ. Как выбрать станок с ЧПУ по металлу

Металлорежущее оборудование с ЧПУ часто выбирают для производства деталей, требующих как токарной, так и фрезерной обработки. Возникает вопрос: что лучше приобрести? Один токарный станок с приводными фрезерными инструментами, который позволяет изготавливать комбинированные детали, или два отдельных станка — токарный и фрезерный? Оба подхода имеют свои преимущества и недостатки. 1. Деталь обрабатывается за один установ без перезажима, что исключает необходимость дополнительной оснастки и перепривязки, снижая риск ошибок и потери точности. Это повышает уровень автоматизации производства. 2. Базовая комплектация включает ось C, которая позволяет обрабатывать деталь с разных сторон, обеспечивая полноценную 4-осевую обработку. 3. Возможность использования как осевого, так и радиального приводного инструмента, что позволяет обрабатывать детали как с торца, так и с диаметра. 4. Один станок занимает меньше места в цехе, что может быть важным фактором. Кроме того, его проще обслуживать.
Оглавление

Металлорежущее оборудование с ЧПУ часто выбирают для производства деталей, требующих как токарной, так и фрезерной обработки. Возникает вопрос: что лучше приобрести? Один токарный станок с приводными фрезерными инструментами, который позволяет изготавливать комбинированные детали, или два отдельных станка — токарный и фрезерный? Оба подхода имеют свои преимущества и недостатки.

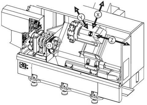
1. Комбинированное решение: токарный станок с функцией фрезерования (приводной инструмент - ось Y)

Схема токарного станка с ЧПУ с приводным инструментом – осью Y
Схема токарного станка с ЧПУ с приводным инструментом – осью Y

Преимущества токарного станка с приводным инструментом

1. Деталь обрабатывается за один установ без перезажима, что исключает необходимость дополнительной оснастки и перепривязки, снижая риск ошибок и потери точности. Это повышает уровень автоматизации производства.

2. Базовая комплектация включает ось C, которая позволяет обрабатывать деталь с разных сторон, обеспечивая полноценную 4-осевую обработку.

-2

3. Возможность использования как осевого, так и радиального приводного инструмента, что позволяет обрабатывать детали как с торца, так и с диаметра.

4. Один станок занимает меньше места в цехе, что может быть важным фактором. Кроме того, его проще обслуживать.

5. В большинстве случаев токарный станок с приводным инструментом стоит дешевле, чем покупка двух станков (токарного и фрезерного). Однако станки с осью Y, которые предоставляют больше возможностей для фрезерования, могут быть достаточно дорогими.

-3

В каталоге Abamet токарно-фрезерные обрабатывающие центры с осью Y

Токарно-фрезерный обрабатывающий центр с ЧПУ ST-20YF

-4

Особенность базовой комплектации: ось С, приводной инструмент, дополнительная ось Y

  • Максимальный обрабатываемый диаметр: 280 мм
  • Максимальная длина обработки 500 мм
  • Шпиндель: A2-6, 15/18,5 кВт, 4000 об/мин
  • Патрон: трехкулачковый гидравлический, 203 мм (8'')
  • Револьверная головка: 12-позиционная, BMT55

Токарно-фрезерный обрабатывающий центр с ЧПУ ST-20SYF с контршпинделем

-5

Особенность базовой комплектации: ось С, приводной инструмент, дополнительная ось Y, S — контршпиндель

  • Максимальный обрабатываемый диаметр: 280 мм
  • Максимальная длина обработки 500 мм
  • Шпиндель (главный): A2-6, 15/18,5 кВт, 4000 об/мин
  • Контршпиндель: A2-5, 5,5/7,5 кВт, 6000 об/мин
  • Патрон: трехкулачковый гидравлический, 203 мм (8'')
  • Револьверная головка: 12-позиционная, BMT55

Токарно-фрезерный обрабатывающий центр с ЧПУ ST-30YF

-6

Особенность базовой комплектации: ось С, приводной инструмент, дополнительная ось Y

  • Максимальный обрабатываемый диаметр: 400 мм
  • Максимальная длина обработки 1000 мм
  • Шпиндель: A2-8, 18,5/22 кВт, 3500 об/мин
  • Патрон: трехкулачковый гидравлический, 254 мм (10'')
  • Револьверная головка: 12-позиционная, BMT55

Токарно-фрезерный обрабатывающий центр с ЧПУ ST-30SYF с контршпинделем

-7
  • Особенность базовой комплектации: ось С, приводной инструмент, дополнительная ось Y, S — контршпиндель
  • Максимальный обрабатываемый диаметр: 400 мм
  • Максимальная длина обработки 1000 мм
  • Шпиндель (главный): A2-8, 18,5/22 кВт, 3500 об/мин
  • Контршпиндель: A2-6, 7,5/11 кВт, 4000 об/мин
  • Патрон: трехкулачковый гидравлический, 254 мм (10'')
  • Револьверная головка: 12-позиционная, BMT55

Токарно-фрезерный обрабатывающий центр с ЧПУ ST-45YF

-8
  • Особенность базовой комплектации: ось С, приводной инструмент, дополнительная ось Y
  • Максимальный обрабатываемый диаметр: 560 мм
  • Максимальная длина обработки 2265 мм
  • Шпиндель: A2-11, 30/37 кВт, 2000 об/мин
  • Патрон: трехкулачковый гидравлический, 457 мм (18'')
  • Револьверная головка: 12-позиционная, BMT75

2. Традиционное решение: два отдельных станка – токарный и фрезерный

Токарный станок Abamet серии ST (слева) и фрезерный станок Abamet серии VF (справа)
Токарный станок Abamet серии ST (слева) и фрезерный станок Abamet серии VF (справа)

Преимущества двух отдельных станков

1. Повышенная производительность. Два станка могут работать одновременно, в то время как на токарно-фрезерном станке операции точения и фрезерования выполняются последовательно.

2. Расширенные возможности для фрезерования. Больший ход по оси Y (на токарных станках обычно ±50-60 мм) и более мощный фрезерный шпиндель с увеличенной мощностью и крутящим моментом.

3. Фрезерный инструмент не занимает места в револьвере токарного станка. В инструментальном магазине фрезерного станка обычно можно разместить более 20 инструментов, тогда как емкость револьвера токарного станка часто ограничена 12 инструментами.

-10

4. Для фрезерных станков предлагается более недорогая инструментальная оснастка, в то время как для токарных станков с приводными инструментами требуются дорогостоящие приводные блоки.

5. Повышенная надежность производства. Поломка одного станка не влияет на работу другого.

Если для изготовления деталей на фрезерном станке требуется 4-я ось, станок нужно оснастить поворотным столом:

Поворотный стол для фрезерного станка
Поворотный стол для фрезерного станка

В каталоге Abamet фрезерные обрабатывающие центры серии VF

Фрезерный обрабатывающий центр с ЧПУ по металлу VF-2TSM

-12
  • Тип: вертикально-фрезерный
  • Размер рабочего стола: 1100х500 мм
  • Количество осей: 3, 4 (опционально), 4+1 (опционально)
  • Ход по осям X/Y/Z: 860/500/500 мм
  • Конус шпинделя: BT40
  • Максимальные обороты шпинделя: 10000 об/мин
  • Емкость сменщика инструмента: 24

Фрезерный обрабатывающий центр с ЧПУ по металлу VF-3SM

-13
  • Тип: вертикально-фрезерный
  • Размер рабочего стола: 1280х600 мм
  • Количество осей: 3, 4 (опционально), 4+1 (опционально)
  • Ход по осям X/Y/Z: 1100/600/600 мм
  • Конус шпинделя: BT40
  • Максимальные обороты шпинделя: 10000 об/мин
  • Емкость сменщика инструмента: 24

3. Выводы и рекомендации по выбору металлорежущего станка с ЧПУ

Выбор оборудования во многом зависит от конфигурации деталей, предъявляемых к ним требований и серийности производства.

  • Если фрезерные операции требуют небольшого количества инструментов (например, 2-4) и их выполнение занимает незначительное время, проще и удобнее выполнить все работы на одном станке.
  • Если требуется большое количество фрезерных инструментов (более половины позиций револьвера) и время фрезерования значительно превышает время токарной обработки, лучше рассмотреть вариант с двумя станками. Токарный станок с приводным инструментом, прежде всего, предназначен для токарных работ. Использовать его 20% времени для точения и 80% для фрезерования — не оптимальный подход.

С 1990 года компания Abamet занимается комплексным оснащением производств в сфере металлообработки. Станки с ЧПУ по металлу, станочная оснастка, режущий инструмент – в каталоге интернет-магазина. Продажи и поставки по всей России. Ознакомиться с оборудованием вы можете на нашем сайте Abamet. Переходите, выбирайте, спрашивайте!