Добавить в корзинуПозвонить
Найти в Дзене

Как сделать чертежи более читабельными и понятными: путеводитель для инженеров

Чертежи - это язык инженеров, архитекторов и дизайнеров. От их ясности и информативности зависит успешность любого проекта. К сожалению, многие чертежи страдают от перегруженности, неочевидных обозначений и не всегда наглядной подачи информации. В результате, даже опытные специалисты могут столкнуться с трудностями при их прочтении и понимании. Хотя инженерный чертеж строго регламентирован стандартами, истинный мастер способен внести в него нечто большее, чем просто соблюдение правил. Когда чертеж создается с глубоким пониманием конструкции, с интуитивным чувством пространства и функциональности, и заботы о том, кто будет по нему работать — он приобретает ту самую "натуралистичность". Это не про идеальную ровность линий, а про внутреннее единство смысла, которое подсознательно считывается. Он перестает быть механическим набором линий и символов, а становится визуальным воплощением инженерного духа – точным, ясным, логичным, функциональным и, в своей строгой лаконичности, по-настоящему

Чертежи - это язык инженеров, архитекторов и дизайнеров. От их ясности и информативности зависит успешность любого проекта. К сожалению, многие чертежи страдают от перегруженности, неочевидных обозначений и не всегда наглядной подачи информации. В результате, даже опытные специалисты могут столкнуться с трудностями при их прочтении и понимании.

Как сделать чертежи более читабельными и понятными: путеводитель для инженеров
Как сделать чертежи более читабельными и понятными: путеводитель для инженеров

Хотя инженерный чертеж строго регламентирован стандартами, истинный мастер способен внести в него нечто большее, чем просто соблюдение правил. Когда чертеж создается с глубоким пониманием конструкции, с интуитивным чувством пространства и функциональности, и заботы о том, кто будет по нему работать — он приобретает ту самую "натуралистичность". Это не про идеальную ровность линий, а про внутреннее единство смысла, которое подсознательно считывается. Он перестает быть механическим набором линий и символов, а становится визуальным воплощением инженерного духа – точным, ясным, логичным, функциональным и, в своей строгой лаконичности, по-настоящему красивым. Это и есть "частичка души", оставленная в творении, которую подсознательно считывают другие профессионалы. Такой чертеж не просто инструмент производства, он – произведение инженерного искусства. Это как тот "набросок силуэта на салфетке", который цепляет восприятие сильнее, чем механически идеальный чертеж.

Как же сделать чертежи более читабельными и понятными? Давайте разберемся в ключевых моментах.

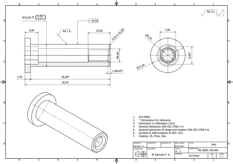
Чертеж Ось стандарт ISO
Чертеж Ось стандарт ISO

Соблюдайте стандарты оформления ЕСКД, ISO или другой требуемый (Единая система конструкторской документации): Следуйте стандартам ЕСКД, которые устанавливают правила оформления чертежей, такие как размеры листов, шрифты, масштабы, линии, обозначения и т.д. Это обеспечивает последовательность и единообразие, облегчая чтение.

Продумайте компоновку:

  1. Расположение деталей: Размещение детали на чертеже должно быть логичным и учитывать характер обработки, наглядность и удобство нанесения размеров. Например, детали, которые изготавливаются на станках, обычно показывают в том положении, в котором они закрепляются на станке.
  2. Виды, разрезы, сечения: Располагайте их так, чтобы они были наглядными и логически связаны между собой. Используйте достаточное пространство между элементами.
  3. Главное изображение: Главное изображение должно давать наибольшее представление о форме детали. Как правило, выбирают вид спереди с полным или частичным разрезом.

Выбирайте оптимальный масштаб ГОСТ 2.302-68: Используйте стандартные масштабы, которые позволят детально отобразить все необходимые элементы, но не перегружать чертеж.

Опытные конструкторы часто мысленно "проходят" технологический путь изготовления детали при выборе положения на чертеже. Деталь для токарки — в оси шпинделя, для фрезерования — в положении крепления на столе. Это напрямую влияет на понятность для производства.

Используйте графические объекты и символы.

  1. Стандартные элементы: Используйте стандартные графические объекты и символы для обозначения различных элементов.
  2. Размеры: По возможности выносите размеры за пределы детали.
  3. Условности и упрощения: Применяйте условности и упрощения, которые не искажают суть конструкции.

Делайте надписи четкими и лаконичными.

Технические требования: Содержательные и четкие технические требования, соответствующие ГОСТ 2.316.

Надписи: Используйте стандартные шрифты с достаточной высотой (ГОСТ 2.304), четкие и лаконичные текстовые надписи и таблицы.

Разделение на листы: Если чертеж слишком объемный, разделите его на несколько листов. Не пытайтесь уместить на одном листе слишком много деталей и видов.

Чертеж-шедевр в машиностроении — это тот, который
Чертеж-шедевр в машиностроении — это тот, который

Чертеж-шедевр в машиностроении — это тот, который:

  • Легко читается и интерпретируется: даже без дополнительных объяснений. Забудьте о фразах "Заусенцы удалить" или "Острые кромки притупить". Пишите конкретно: "Острые кромки притупить фаской 0.2x45°" или "Радиус скругления неуказанных кромок R0.5".
  • Исключает двусмысленность: каждая линия, каждый размер, каждое обозначение несет однозначный смысл.
  • Передает намерение конструктора: ясно показывает, как деталь должна быть изготовлена, собрана и функционировать.
  • Оптимизирован для производства: учитывает технологические особенности, облегчая работу производственникам. Назначайте допуски и шероховатости, исходя из реальной функциональной необходимости, а не из желания "сделать всё поточнее". Необоснованно завышенная точность — это прямая дорога к удорожанию и браку. Это и есть честность перед производством.
  • Чувство Меры: Это интуитивное понимание баланса. Знание, когда применить условность или упрощение, а когда необходима детализация, какие размеры критичны, а какие могут быть выведены или опущены. Это как талантливый музыкант, который знает, когда добавить ноту, а когда оставить паузу для максимального эффекта.
  • Жизненность: Чертеж-шедевр не просто изображает геометрию. Он неявно передает функцию детали, способ ее изготовления (через указание баз, допусков, шероховатости) и взаимодействие с другими частями. Профессионал, читая такой чертеж, видит не просто линии, а работающую деталь в машине. Он "дышит" инженерной мыслью, заложенной в конструкцию.

Это достигается не "старанием" в обычном смысле, а глубоким опытом, погружением, интуицией и внутренним ощущением. Используйте принцип "одного взгляда": ключевая информация (основные габариты, функциональные элементы) должна читаться мгновенно. Второстепенное (мелкие элементы, вспомогательные размеры) — на периферии или на дополнительных видах.

Самопроверка обязательна, но недостаточна. "Замыленный" глаз пропускает ошибки. Прежде чем отдать чертеж в работу, сделайте главное — попросите коллегу, не знакомого с проектом, посмотреть на него. Поймет ли он логику вашего решения без пояснений? Легко ли найти ключевые элементы?Если он поймет всё без ваших комментариев — вы достигли цели. Это лучший способ выявить "слепые зоны" и сделать ваш язык по-настоящему ясным и точным

Цель чертежа - передать информацию ясно и точно. Механическое следование стандартам без понимания конечной цели, без стремления к ясности для того, кто будет читать чертеж, приводит к "пустым" чертежам. Они могут быть формально правильными, но неэффективными.

Следуйте стандартам и используйте все доступные средства для создания читабельных и понятных чертежей. Это попытка предугадать вопросы производства, облегчить его труд, сделать процесс понятным и даже (в идеале) приятным. Это и есть высшая форма инженерной искренности.

Следуя этим рекомендациям, вы сможете создавать качественные чертежи, которые легко читаются и понимаются, что, в свою очередь, обеспечит более эффективную коммуникацию и успешную реализацию ваших проектов.