Добавить в корзинуПозвонить
Найти в Дзене
Историческое оружиеведение

Радикально новая концепция: ручной пулемет по-американски

Канал "Историческое оружиеведение" продолжает цикл статей о ручных пулеметах, разработанных в годы т.н. Холодной войны. И сегодня поговорим об экспериментальных ручных пулеметах, которые испытывались американскими военными в 1975 - 1979 годах под обозначением ХМ235 и (чуть позже) ХМ248, но проиграли ручному пулемету ХМ249 - американизированной версии бельгийского пулемета "Миними" (который и был принят на вооружение американской армии в 1982 году). Заодно посмотрим на то, какими извилистыми путями двигалась к ручному пулемету мысль американских военных начальников (ссылка на другие статьи цикла будет в конце). В 1968 году американские военные начальники решили, что пехотному отделению американской армии на поле боя требуются не две используемые в автоматическом режиме винтовки М14 или М16, а полноценный ручной пулемет. Увы, выбор был не богат, точнее, полностью отсутствовал - единый пулемет М60 под патрон 7,62х51 мм был тяжеловат, а "модульный стрелковый комплекс" М63 Юджина Стоунера
Оглавление

Канал "Историческое оружиеведение" продолжает цикл статей о ручных пулеметах, разработанных в годы т.н. Холодной войны. И сегодня поговорим об экспериментальных ручных пулеметах, которые испытывались американскими военными в 1975 - 1979 годах под обозначением ХМ235 и (чуть позже) ХМ248, но проиграли ручному пулемету ХМ249 - американизированной версии бельгийского пулемета "Миними" (который и был принят на вооружение американской армии в 1982 году).

Заодно посмотрим на то, какими извилистыми путями двигалась к ручному пулемету мысль американских военных начальников (ссылка на другие статьи цикла будет в конце).

Небольшое введение

В 1968 году американские военные начальники решили, что пехотному отделению американской армии на поле боя требуются не две используемые в автоматическом режиме винтовки М14 или М16, а полноценный ручной пулемет.

Увы, выбор был не богат, точнее, полностью отсутствовал - единый пулемет М60 под патрон 7,62х51 мм был тяжеловат, а "модульный стрелковый комплекс" М63 Юджина Стоунера под патрон 5,56х45 мм, хотя и понравился "морским котикам" во Вьетнаме, но категорически не нравился армейским офицерам по вооружению, которые полагали, что он слишком сложен для слабо образованных новобранцев.

Перспективы М63 Юджина Стоунера были окончательно уничтожены решением, согласно которому стандартный патрон 5,56х45 мм не подходил для перспективного ручного пулемета, от которого в будущей войне (по мысли американских военных стратегов) требовалось эффективно поражать цели на дистанции более 800 м (до 1000 м).

Мысль американских стратегов проникла в головы американских военных начальников, и те потребовали вынуть и положить перед ними ручной пулемет под абсолютно новый патрон 6х45 мм (самое любопытное, что требование это было основано не столько на необходимости увеличить дальность патрона 5,56х45 мм, сколько на необходимости увеличить дальность действия трассирующего состава этого патрона, который отказывался работать дальше 800 м). Предполагалось, что пуля нового патрона весом 6,8 г будет иметь скорость 747 м/с - против пули весом 3,5 г, показывавшей скорость 990 м/с.

Американские оружейники напряглись и к концу 1974 года выдали три пулемета под новый патрон: компания Maremont, производившая М60, предложила XM233 (уменьшенный вариант М60), компания Philco (будущая Ford Aerospace) предложила ХМ234, а армейская лаборатория Родмана (Rock Island Arsenal) предложила XM235, который существенно раздвинул стены "пулеметостроения".

Ручной пулемет ХМ235.
Ручной пулемет ХМ235.

Когда за дело берутся инженеры...

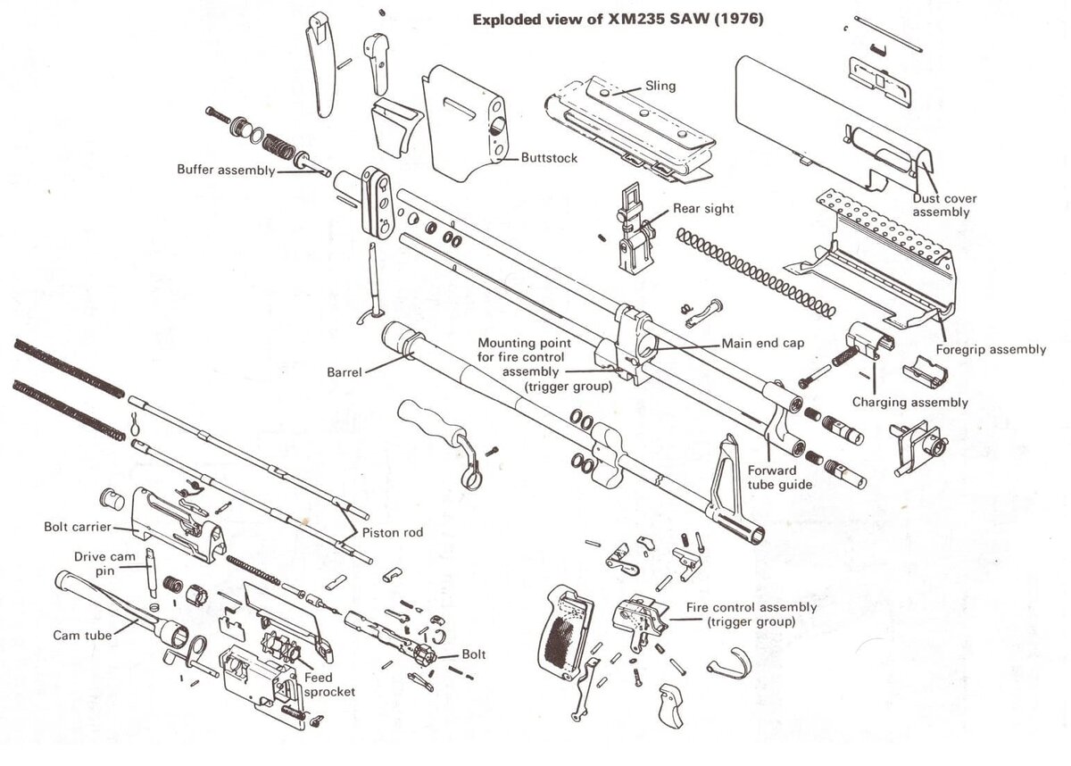
Ручной пулемет ХМ235 не только непривычно выглядел, но и устроен был довольно непривычно.

Во-первых, затворная группа имела длинный откат, который позволял пуле покинуть ствол, не испытав воздействия удара при его окончании.

Во-вторых, удар при окончании отката был максимально смягчен.

В-третьих, уменьшен импульс отдачи и ее влияние на подъем дульного среза (за счет оптимального размещения элементов конструкции (газовой системы, рукоятки, приклада и т.п.).

В-четвертых, изменен механизм подачи - патроны подавались ротором (как в револьвере).

В-пятых, снижена скорострельность (до 500 в/м).

Помимо этого:

Ствольная коробка и цевье носили сугубо декоративный характер - весь механизм пулемета работал на двух стальных трубках, по которым двигалась затворная рама с поворачивающимся затвором с тремя боевыми упорами.

Трубки выполняли и роль газовых трубок: автоматика пулемета работала от энергии пороховых газов, которые отводились в две газовые камеры, расположенные над и под стволом, приводили в движение поршни, расположенные внутри стальных трубок, которые, в свою очередь, приводили в движение затворную раму.

В задней части системы находился буфер сложной конструкции.

Устройство ХМ235.
Устройство ХМ235.

Не менее оригинально располагались контейнер с патронами и пистолетная рукоять - параллельно (рукоятка справа, коробка слева).

Такое решение позволило расположить оба элемента по центру тяжести оружия - оптимальной точке расположения и того и другого (побочным эффектом стало то, что ручным пулеметом могли пользоваться только правши).

Питание пулемета осуществлялось из специального быстро примыкаемого контейнера, в котором находилась рассыпная лента, рассчитанная на 100 или 200 патронов.

Пулемет разбирался на специальные модули за 10 секунд - идея была в том, что стрелок мог восстановить работоспособность пулемета, просто заменив вышедший из строя модуль.

Испытания новых пулеметов под новый патрон были начаты в декабре 1974 года.

Чтобы соблюсти чистоту эксперимента, вместе с ними были испытаны и три пулемета под патрон 5,56х45 мм НАТО - M16 HBAR (тяжелоствольный вариант винтовки М16), бельгийский Minimi и западногерманский HK 23A1.

Ручной пулемет ХМ235 был настолько хорош, что американские военные даже закрыли глаза на дискриминацию левшей и на то, что пулемет имел не самую на тот момент популярную компоновку булл-пап.

И никто не обратил внимание на то, что помимо ХМ235 еще один пулемет с блеском прошел все испытания - бельгийский Minimi.

Гладко было на бумаге...

Второй раунд испытаний начался с неприятностей: американские военные начальники решили, что патрон 6х45 мм - излишняя роскошь. Решение было непростым и продиктовано, как считают специалисты, двумя основными причинами:

во-первых, необходимость иметь третий патрон в списке снабжения (5,56х45 мм, 6х45 мм, 7,62х51 мм) заставлял нервничать снабженцев;

во-вторых, американские военные начальники совершенно не представляли, как они смогут заставить своих союзников по НАТО сертифицировать этот патрон, после того, как они едва ли не силой заставили их принять первые два.

Решение было принято в лучших традициях военных начальников: от патрона 6х45 мм решили отказаться, требование поражать цели на дистанции "свыше 800 м" заменили на "до 800 м", а ХМ235 приказали переделать под патрон 5,56х45 мм.

Вопросы подготовки пулемета ХМ235 к второму этапу испытаний были поручены компании Ford Aerospace - она должна была подготовить пулемет к серийному производству и изготовить пробную партию из 18 пулеметов.

В качестве образца арсеналом Рок Айленд им был передан пулемет, переделанный под патрон 5,56х45 мм.

Готовя пробную партию, конструкторы Ford Aerospace внесли ряд изменений в конструкцию пулемета: были изменены положение рукояти (смещена назад, за коробку с патронами), удлинен приклад, удлинен ствол, изменена форма коробки с патронами, поставлено дополнительное цевье и симметричная рукоять заряжания (под цевьем), переработаны сошки и прицельные приспособления.

Оружие получило индекс ХМ248.

Пулемет ХМ235 под патрон 5,56х45 мм.
Пулемет ХМ235 под патрон 5,56х45 мм.
Пулемет ХМ248.
Пулемет ХМ248.

В таком виде пулемет ХМ248 вышел во второй круг испытаний, в котором встретился с ХМ106 (в очередной раз переделанной в пулемет винтовкой М16), ХМ249 (бельгийский пулемет Minimi, срочно подготовленный к конкурсу) и ХМ262 (западногерманский пулемет НК21А1. Все - под патрон 5,56х45 мм НАТО.

Испытания претендентов начались в апреле 1979 года, а в мае 1980 года победителем был признан бельгийский ХМ249, который после некоторой доработки и повторных испытаний был принят на вооружение американской армии под обозначением М249.

О двух других претендентах (ХМ106 и ХМ262) поговорим чуть позже.

Цикл статей о ручных пулеметах времен Холодной войны будет продолжен.

Не пропустите!

Об испанском РП "Амели" можно прочитать здесь.

О пулемете Джонсона обр. 1941 г можно прочитать здесь.

Подписка, лайк и репост помогут развитию канала. Спасибо!

Хобби
3,2 млн интересуются