Добавить в корзинуПозвонить
Найти в Дзене
Шарапов Механик

Паровые котлы. Часть 2 - конструкции.

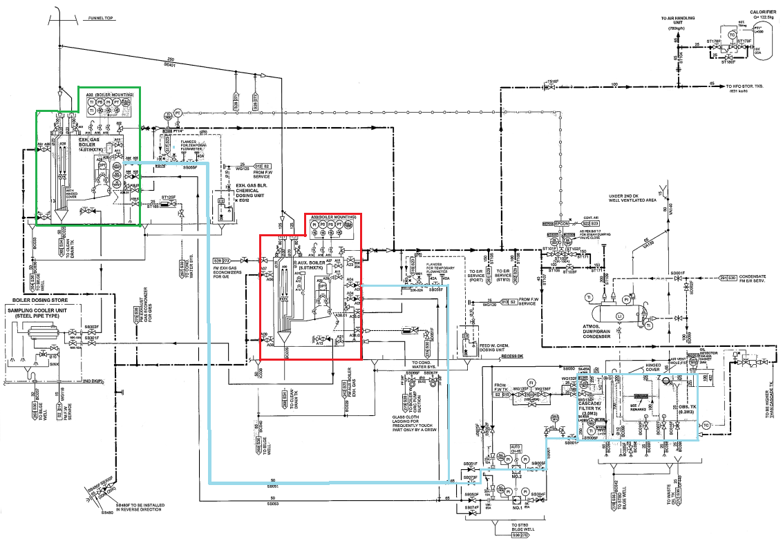
Привет! Продолжаем изучать паровые котлы и сегодня разбираемся с конструкциями котлов, с их элементами. Начну с базовой программы, ее по прежнему читают в высших учебных заведениях и я это поддерживаю, база очень хорошая. Далее, будет несколько котлов уже современных, на них я даже работал, расскажу про «приколы» конструкций, странности современной школы котлостроения, да ты и сам все поймешь. Ты научишься самостоятельно находить нужные элементы на самых убогих скетчах, это тебе пригодится и в период учебы и при работе с японскими инструкциями. Но, для начала, как и обещал, довольно странная система утилизации тепла с одного контейнеровоза 2017-го года постройки без циркуляционного насоса. Давай взглянем на схему пара (Рисунок 2), в которую интегрирован этот котел. Пар могут давать котлы: вспомогательный, утилизационный главного двигателя и два утилизационных котла дизель генераторов (Рисунок 3). Система циркуляции общая только для утилей генераторов и вспомогача. То есть, пока работа
Оглавление
Рисунок 1. Газоводотрубный котел типа "VX".
Рисунок 1. Газоводотрубный котел типа "VX".

Привет!

Продолжаем изучать паровые котлы и сегодня разбираемся с конструкциями котлов, с их элементами. Начну с базовой программы, ее по прежнему читают в высших учебных заведениях и я это поддерживаю, база очень хорошая. Далее, будет несколько котлов уже современных, на них я даже работал, расскажу про «приколы» конструкций, странности современной школы котлостроения, да ты и сам все поймешь. Ты научишься самостоятельно находить нужные элементы на самых убогих скетчах, это тебе пригодится и в период учебы и при работе с японскими инструкциями.

Система циркуляции без насоса

Но, для начала, как и обещал, довольно странная система утилизации тепла с одного контейнеровоза 2017-го года постройки без циркуляционного насоса.

Рисунок 2. Схема вспомогательного пара. Красным - вспомогательный котел, зеленым - цтилизационный котел главного двигателя, голубым - питательная вода.
Рисунок 2. Схема вспомогательного пара. Красным - вспомогательный котел, зеленым - цтилизационный котел главного двигателя, голубым - питательная вода.

Давай взглянем на схему пара (Рисунок 2), в которую интегрирован этот котел. Пар могут давать котлы: вспомогательный, утилизационный главного двигателя и два утилизационных котла дизель генераторов (Рисунок 3). Система циркуляции общая только для утилей генераторов и вспомогача. То есть, пока работают генераторы оснащенные утилизационными котлами, теплоноситель вспомогательного котла греется уходящими газами генераторов. Но к утилизационному котлу главного двигателя подходит только питательная вода и никакой циркуляции (Рисунок 4). То есть, по воде этот утиль - тупик. Единственный для воды вариант покинуть теплообменный контур - быть испаренной. Но тут же змеевик и естественная циркуляция не то, чтобы маловероятна, она невозможна.

Рисунок 3. Теплообменный контур в виде цельнотянутого смеевика для утилизационного парового котла главного двиагтеля (на Рисунке 2).
Рисунок 3. Теплообменный контур в виде цельнотянутого смеевика для утилизационного парового котла главного двиагтеля (на Рисунке 2).

В чем тогда секрет этого котла, без вообще какой-либо циркуляции? Все просто. Работает он на довольно низких параметрах, теплообменные трубки затоплены водой, об этом заботится автоматический регулятор уровня. Все это исключает перегрев и повреждение труб.

Рисунок 4. Схема вспомогательного пара. Красным - утилизационный котлы дизель генераторов, синим - системациркуляции воды вспомогательного котла через них.
Рисунок 4. Схема вспомогательного пара. Красным - утилизационный котлы дизель генераторов, синим - системациркуляции воды вспомогательного котла через них.

С этой системой есть один прикол, связан со схемой пара и отсутствием циркуляционного контура. Смотри Рисунок 5. На ходу утилизационный котел главного двигателя дает пар и его хватает для хоз нужд, турбины нет, но при этом давление во вспомогательном котле падает, потому что он не греется ничем если работают дизель генераторы без утилизационных котлов. Есть, конечно греющие змеевики взаимные в утиле и вспомогаче, что греют друг друга, но даже когда главный двигатель работает вспомогачь будет пускаться. Чувствуешь, эффективностью пахнет?

Рисунок 5. Схема вспомогательного пара. Оранжевым - линия отвода пара от котлов, фиолетовым - греющие змеевики котлов.
Рисунок 5. Схема вспомогательного пара. Оранжевым - линия отвода пара от котлов, фиолетовым - греющие змеевики котлов.

А теперь к основной теме - конструкции паровых котлов.

Начнем с динозавров.

КАВ 6.3 / 7

Рисунок 6. Вспомогательный водотрубный паровой котел КАВ 6,3/7.
Рисунок 6. Вспомогательный водотрубный паровой котел КАВ 6,3/7.

Котел автоматизированный водотрубный. Паропроизводительность 6300 килограмм в час, номинальное давление 7 кг на квадратный сантиметр. Но, если мы заглянем в ТТХ этого котла, то увидим такое вот изложение характеристики "давление". Смотри Рисунок 7.

Рисунок 7. Характеристики котлов.
Рисунок 7. Характеристики котлов.

А все потому, что система автоматизированного управления этого котла может поддерживать давление в двух режимах - позиционное и пропорциональное. И в режиме позиционном есть две позиции - старт топочного утстройства на 5 килограммах и остановка на 7-ми. В режиме пропорциональном давление поддерживается на уровне 6.7 килограмма за счет изменения производительности форсунки. По какому закону меняется принцип регулирования, с позиционного на пропорциональный и обратно? В зависимости от нагрузки. Есть точка, уставка на уровне 20 процентов нагрузки, на которой и происходит переключение. Если нагрузка ниже 20 процентов - котел работает в режиме старт-стоп, то есть на позиционном регулировании. Выше 20 процентов - регулирование пропорциональное и старается адаптироваться к нагрузке с целью - не гасить факел.

В целом КАВ 6.3 / 7 - это простой и компактный вспомогач. Насыщенный пар для теплообменников он дает и делает это хорошо, но этот котелок обладает довольно низким КПД - на уровне 80,5 процентов, что для парового котла - очень мало, а температура уходящих газов довольно высокая. Низкотемпературная коррозия элементам газохода не страшна, но это тепло можно и использовать. Давай посмотрим на эскизы, чертежи и фотографии котла, найдем базовые элементы.

Это поперечный разрез, с которым тебе предстоит работать, делать курсовую, сдавать зачет, возможно. Давай нейдем базовые элементы.

Рисунок 8. Поперечный разрез котла КАВ 6,3 / 7
Рисунок 8. Поперечный разрез котла КАВ 6,3 / 7

Барабаны, водяной (12) (он всегда заполнен водой) и пароводяной (1). В паро-водяном находится зеркало испарения, так на техническом языке принято называть поверхность воды, с которой происходит ее испарение. Барабаны друг с другом сообщены трубами. Конвективным пучком (17), экраном (11) и отпускными трубами (10). Квадратики (7) изображают кладку из огнеупорного материала, кладка (6) вокруг топочного устройства имеет особую форму. Пространство, ограниченное первым рядом труб конвективного пучка, экраном и кладкой - называется топкой.

Чтобы все это не запоминать, давай один раз разберемся, мне так больше нравится. Как понять, где тут конвективный пучок труб? Конвективным он называется, потому что способ передачи тепла здесь - конвекция. То есть, в топке горит факел, образуются продукты горения с высокой температурой и они омывают этот пучок, передавая тепло воде через стенки труб. Чтобы газы проходили через этот пучок, между дружбами должны быть расстояния, поэтому трубы тут расположены в шахматном порядке. Как клетки на шахматной доске на месте черных клеток, а на месте белых ничего нет и по этим белым клеткам проходят газы.

Рисунок 9. Шахматное расположение труб в конвективном пучке.
Рисунок 9. Шахматное расположение труб в конвективном пучке.

Теперь, газы есть в топке, им нужно куда-то выходить, ищем кожух котла (он всегда обозначен как толстая стенка с изоляцией (позиция 16 на Рисунке 10). Куда пойти газам из топки? По направлению красной стрелки, потому что только тут есть выход в выпускную трубу. По пути в трубу газы омывают трубы (17), это и есть искомый конвективный пучок. Конвективный пучок определять научились.

Рисунок 10. Направление движения топочных газов в топке котла КАВ
Рисунок 10. Направление движения топочных газов в топке котла КАВ

Экран. Экран это сплошная стена из вплотную друг к другу распроложенных труб (Маленький зазор все таки есть, тут у нас температурные расширения все таки).

Рисунок 11. Трубы экрана.
Рисунок 11. Трубы экрана.

Газы эти трубы омывать не могут, они через них просто не пройдут. Трубки экрана греются излучением, то есть теплообмен здесь лучистый или радиационный ( с ионизирующим излучением этот термин не имеет ничего общего). Присмотрись к эскизу, в нижней и верхней частях, возле коллекторов, трубки экрана расходятся. Для чего? А для того, чтобы их можно было вмонтировать в коллекторы, иначе все отверстия просто сольются воедино. На прочности конструкции это отразится не самым лучшим образом. Что там за трубы за экраном (номер 10 на Рисунке 10)? Газы их не омывают, излучение от факела на них тоже не попадает. Получается, эти трубы самые холодные. Если трубы (17 и 11) горячие, а трубы (10) холодные, то водичка сама собой, под воздействием разных температур будет внутри котла перемещаться, циркулировать. Думаю, что ты уже догадался, что (10) - это три ряда отпускных труб, вода в них движется вниз. Эти трубы не участвуют в генерации пара, но обеспечивают естественную циркуляцию, поэтому они очень важны. Почему три, когда тут две? А считать нужно по осевым линиям.

В самом низу, на коллекторе и частично на трубах лежит изоляция (Рисунок 10). Что она изолирует? Да ничего. В этом месте она используется как защитный слой. При работе форсунки, как штатной так и не очень на этот участок могут попадать как топливо, так и продукты его горения. Чтобы они не сокращали жизнь вальцовочным соединениям, не разрушали элементы конструкции коррозией и лежит этот слой изоляции.

Передняя и задняя часть топки тоже изолированы специальными блоками (7), что различными способами крепятся к кожуху котла. В передней части топки помимо выреза под форсунку (6) есть вырез и под смотровое окно(3), чтобы механик имел возможность наблюдать за факелом.

Вот я тут сижу, перечисляю компоненты конструкции, а, у тебя не возникает вопроса, как это вообще все собрано воедино и как это крепится к конструкции судна? Тут нет ярко выраженной системы опор.

Рисунок 12. Каркас котла КАВ.
Рисунок 12. Каркас котла КАВ.

Конструкция обретает жесткость когда собирается воедино. Коллекторы скрепляются трубами, к коллекторам крепятся кронштейны кожухов, на кожуха крепится изоляция и навесное оборудование. Опоры при этом у котла четыре. Одна пара приварена к водяному коллектору, вторая к кожуху.

Рисунок 13. Опоры котла КАВ и их крепление к судовой конструкции
Рисунок 13. Опоры котла КАВ и их крепление к судовой конструкции

При креплении котла к судовой конструкции одна нога должна быть приварена к корпусу, а вторая и третья должны иметь возможность перемещаться, чтобы нивелировать температурные изменения размеров конструкции. Какая именно приваривается? Это зависит от того, к какой из них будет ближе (по вертикальной оси) расположен главный стопорный клапан.

Классические водотрубные котлы все как один похожи друг на друга и ты пользуясь этой методикой, а именно, поиском источника тепла и поиском пути следования газов, сможешь найти все элементы любого водотрубного котла.

КВ-1

Рисунок 14. Поперечное сечение котла КВ-1. Красным - хвостовые поверхности теплообмена. 1 - экономайзер двухсекционный, 2 - воздухоподогреватель.
Рисунок 14. Поперечное сечение котла КВ-1. Красным - хвостовые поверхности теплообмена. 1 - экономайзер двухсекционный, 2 - воздухоподогреватель.

Вот котел КВ-1. Абсолютно все то-же самое, только появились хвостовые поверхности теплообмена. Хвостовые, потому что ими как котейка заканчивается котел. Они находятся на выходе из газового тракта. Как понять что тут и где? По мере следования газов к выходу в атмосферу температура из падает, естественно. Поэтому по пути следования газов теплообменники располагаются по такому же принципу. Самые горячие в начале - самые холодные - в конце. В качестве хвостовых теплообменников могут быть экономайзеры и подогреватели воздуха. Через экономайзеры проходит питательная вода прежде чем попасть в котел и экономайзеры по ходу газов расположены первыми, а на самом выходе располагаются подогреватели воздуха, если они есть. Воздух сильно греть не нужно.

Рисунок 15. Поперечное сечение котла КВ-2. 1 - воздухоподогреватель, 2- пароперегреватель.
Рисунок 15. Поперечное сечение котла КВ-2. 1 - воздухоподогреватель, 2- пароперегреватель.

А вот КВ-2. Почти такой-же котел, только вот вертикальные трубы (1) говорят о том, что это не подогреватель воды, а подогреватель воздуха, экономайзера (подогревателя питательной воды тут нет) , а (2) - пароперегерватель петлевой. То есть, когда создавался КВ-2 преследовалась цель - достичь максимально возможных параметров пара на выходе, а экономичность отошла на второй план.

По хвостовым поверхностям теплообмена, проблемам, коррозии и методах борьбы с ними будет отдельное видео, как и по котлу КВГ-80 (очень интересный агрегат).

Газо-водотрубный Митсубиши

Давай посмотрим на то, с чем тебе может посчастливиться работать.

Рисунок 16. Поперечное сечение котла "Осака". Рамками разделен на зоны для удобства.
Рисунок 16. Поперечное сечение котла "Осака". Рамками разделен на зоны для удобства.

Вспомогательный котел Осака на 14 тонн пара в час с номинальным давлением 9 бар. Дает только насыщенный пар, так как перегреватель пара отсутствует вовсе. Кстати, опять про актуальность базовой информации. Этот котел установлен на судне 2007-го года постройки, а это учебник по паровым котлам 1988-го года. База та-же.

Разбираемся с типом котла. Делим котел на три части: нижняя (красная), средняя (синяя) и верхняя (зеленая). Линия N.W.L. показывает нормальный уровень воды в котле. Итого, вся нижняя и средняя часть котла, включая теплообменные трубы и даже топку затоплены водой. Стрелкой показано движение топочных газов, и они огибают трубки снаружи, значит, котел водотрубный. Вода внутри, а газы снаружи. Но в нижней части есть жаровая труба, да и вся топка окружена водой. Получается, что нижняя часть газотрубная. В итоге, котел с элементами газо- и водотрубного, поэтому он газоводотрубный. Не путать с комбинированным. Комбинированный это когда вспомогач совмещен с утилем, например

Рисунок 17. Комбинированный (вспомогательный и утилизационный в одном) котел.
Рисунок 17. Комбинированный (вспомогательный и утилизационный в одном) котел.

Давай внесем немного ясности в среднюю часть, на Рисунке 18 показан ее вид сверху. Поток газов организован по кругу и сделано это при помощи двух экранов: 1 и 2. Так, а что за труба 3 и почему она такая большая? А это опускная труба, значит, все остальные – подъёмные, а котел с естественной циркуляцией воды.

Рисунок 18. Теплообменная секция (вид сверху). 1 - внешний экран, 2 - внутренний экран, 4 - направление движения газов, 3 - опускная труба.
Рисунок 18. Теплообменная секция (вид сверху). 1 - внешний экран, 2 - внутренний экран, 4 - направление движения газов, 3 - опускная труба.

Опускная труба одна, стоит на выходе по пути следования газов, поэтому, самая холодная. Водичка циркулирует по направлению, указанному стрелками на Рисунке 19.

Рисунок 19. Направление естественной циркуляции воды.
Рисунок 19. Направление естественной циркуляции воды.

Из-за недостаточной жесткости конструкции внутри конструкторам пришлось установить стойку (1). Смотри Рисунок 20.

Рисунок 20. Дополнительная стойка жесткости в пароводяном пространстве.
Рисунок 20. Дополнительная стойка жесткости в пароводяном пространстве.

Это охренеть какой простой, надежный и неприхотливый котел. Полостью сварная конструкция (даже трубы), они вальцованные и обваренные. Сварка хороша тем, что котел трудно простудить. Есть такой термин, когда при неправильном обслуживании котла, через топку попадает холодный воздух и по вальцовочным соединениям начинает капать вода, эти капли называют соплями, а болезнь простудой. Такие котлы я вижу каждый раз, работая на конетейнеровозах и ни разу не видел неполный ремонтный набор или истории, говорящей о внеплановом ремонте.

Несмотря на то, что котел в плане циркуляции самостоятелен, на него заводится внешний циркуляционный контур в виде экономайзера. Вспомогач в этой схеме превращается в сепаратор пара, способный выдавать до 13 тонн в час. Насыщенный пар, перенаправленный в пароперегреватель может подаваться на утилизационную турбину в количестве до 12 тонн в час, что может выдавать в общую сеть более МегаВатта электроэнергии. МегаВатт, это около 700 электрических чайников, работающих одновременно. Хватит, чтобы вдохнуть жизнь в среднего размера поселок, в котором очень любят чай

Что же, очень старался сделать этот выпуск нескучным. На подобных лекциях мы обычно спали… Следующий выпуск по котлам будет по водоподготовке, а ты жмякни там все, что нужно и, увидимся…