Найти в Дзене
RADIO INFO

Средневолновый вещательный радиопередатчик с синтезатором частоты из радиоконструктора.

Добрый день дорогие друзья. Я продолжаю перебирать свои электронные архивы, которые начал собирать, когда Дзена и в помине еще не было. Многих наших и зарубежных сайтов, откуда я черпал информацию, уже к сожалению не существует, но так устроена жизнь, что все хорошее когда то заканчивается. Кое что и очень многое удаляю, то что может представлять интерес посетителям моего канала складываю в отдельную папку и сортирую, папка будет огромная в пределах нескольких Гб, и в перспективе выложу ее Яндекс Диске, и естественно поделюсь ссылкой со своими читателями. Ну а самое интересное, я буду потихоньку выкладывать на страницах моего канала, и сегодня мы рассмотрим средневолновый радиопередатчик с синтезатором частоты из радиоконструктора. Радиопередатчик легко программируется с помощью DIP-переключателя на любой свободный канал AM. полоса вещания – от 540 до 1710 КГц, имеет дальность передачи на расстояние до 1/4 мили (около 450м), работает от напряжения 9–15 В постоянного тока Схема радиопер

Добрый день дорогие друзья.

Я продолжаю перебирать свои электронные архивы, которые начал собирать, когда Дзена и в помине еще не было. Многих наших и зарубежных сайтов, откуда я черпал информацию, уже к сожалению не существует, но так устроена жизнь, что все хорошее когда то заканчивается. Кое что и очень многое удаляю, то что может представлять интерес посетителям моего канала складываю в отдельную папку и сортирую, папка будет огромная в пределах нескольких Гб, и в перспективе выложу ее Яндекс Диске, и естественно поделюсь ссылкой со своими читателями. Ну а самое интересное, я буду потихоньку выкладывать на страницах моего канала, и сегодня мы рассмотрим средневолновый радиопередатчик с синтезатором частоты из радиоконструктора.

Радиопередатчик легко программируется с помощью DIP-переключателя на любой свободный канал AM. полоса вещания – от 540 до 1710 КГц, имеет дальность передачи на расстояние до 1/4 мили (около 450м), работает от напряжения 9–15 В постоянного тока

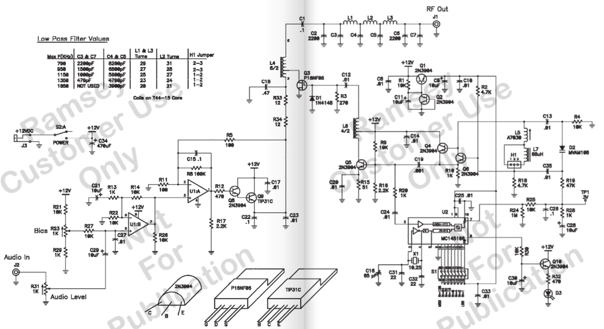
Схема радиопередатчика, которая у меня была не очень хорошего качества, но тем не менее при желании все можно понять и рассмотреть, и в дополнение к схеме я привожу достаточно подробную инструкцию по сборке. Скачать и посмотреть ее можно ЗДЕСЬ. И еще большая просьба к тем, кому не нравится мой перевод, не нужно Вам дальше читать, и можете отписаться от моего канала, я это переживу.

-2

ВЧ-генератор состоит из Q4, Q6 и связанных с ними компонентов. Частота работы определяется выбором правильных значений для L5, L7 и варакторного диода (варикапа) D2. Часть схемы с фазовой автоподстройкой частоты управляет емкостью варакторного диода, чтобы поддерживать частоту точно такой же, как выбрано.

Буферный усилитель Q5 увеличивает выходную мощность генератора настолько, чтобы управлять конечным радиочастотным усилителем Q3.

Аудиовход направляется от J2, источника аудиовхода, к операционному усилителю U1. который одновременно усиливает и сдвигает уровень входящего сигнала. Транзисторы Q8, Q9 используются для увеличения текущей выходной мощности операционного усилителя, чтобы модулировать финальный каскад радиочастотного усилителя. Эти транзисторы смещены работающий в линейной области с уровнем выходного сигнала при отсутствии сигнала, равным ровно половине напряжение питания устанавливается потенциометром R23, поэтому входящий аудиосигнал усиленный без искажений.

Силовой полевой транзистор Q3 представляет собой каскад выходного усилителя мощности». Его утечка напряжение подается через согласующий автотрансформатор L4 от Q8 и Q9, таким образом создавая выходной сигнал AM. Затем этот сигнал фильтруется низкими частотами. с помощью С1 – С7 и катушек индуктивности L1– L3.

Не рекомендуется использовать обычную батарею 9 В. для питания этого комплекта. Вместо этого используется аккумуляторная батарея, состоящая из восьми ячеек по 1,5 В, Можно использовать герметичную батарею 12 В или другой внешний источник постоянного тока 12 В.

Часть схемы с фазовой автоподстройкой частоты отвечает за поддержание частота передатчика. U2 — это MC145106 синтезатор частот. Этот чип следит настройки каждого переключателя в DIP-переключателе S1 и исходя из этого информации, вычисляет желаемую частоту. Эти переключатели запрограммированный в двоичном формате, вы просто суммируете закрытые положения переключателя: 1, 2, от 4, 8 до 128, чтобы получить любое число от 0 до 255. Финал выходная частота будет равна запрограммированному числу, умноженному на 10 кГц. Для АМ полоса вещания 540–1710 кГц, нам нужно будет запрограммировать только диапазон от 54 до 1710 кГц. 171. Например, если частота вещания 550 КГц при желании, нам понадобится запрограммированное число 55 (55 раз по 10 кГц равно 550 кГц). Закрытие переключатели 32, 16, 4, 2 и 1 в сумме дают 55, наше желаемое число. Как другой пример, что нам понадобится для 1520 КГц? Наша желаемая программа число 152, и нам придется замкнуть переключатели 128, 16 и 8, что добавляет до 152!

Микросхема синтезатора фазовой автоподстройки частоты (ФАПЧ) использует кварц с частотой 10,24 МГц. частоту и делит ее на 1024, чтобы получить стабильное задание. частота 10 кГц для фазового детектора ФАПЧ. U1 также принимает вывод частоту от ГУН (генератор, управляемый напряжением) и делит ее на номер, который мы назовем «N». N — данные частоты, отправленные U2, а N всегда равна желаемой частоте в мегагерцах, умноженной на 10. Используя приведенный выше пример, частота 550 кГц дает N, равный 55, поэтому частота генератора делится на 55, а затем сравнивается с опорная частота 10 кГц. Если желаемая частота меньше опорная частота U2 увеличивает выходное напряжение на выводе 7. Это увеличивает напряжение на диоде D2, варакторном диоде. Поскольку напряжение на варактор увеличивается, это вызывает уменьшение емкости. Снижение Емкость вызывает увеличение ВЧ-частоты ГУН (f = 1/[2π (LC) ½]), возвращая выходную частоту AM25 обратно на частоту. Если желаемое частота выше опорной, на выводе 7 устанавливается низкий уровень. Если частота в самый раз, тогда контакт 7 становится высоким импедансом, что фактически отключает его из схемы, чтобы не вызвать изменения напряжения на D2.

Напряжение изменения на выводе 7 фильтруются R25, C26, R28 и C28, чтобы обеспечить устойчивое, бесшумное напряжение настройки для D2. Если частота по какой-либо причине начинает дрейфовать (например, изменение температуры), то U2 мгновенно корректирует напряжение настройки. чтобы вернуть его на правильную частоту.

Перечень всех применяемых деталей, включая намоточные можно найти в инструкции по сборке, ссылку на которую я приводил выше. Немного хотел остановится на микросхеме MC145106P

-3

MC145106- синтезатор фазовой автоподстройки частоты (PLL), построен в CMOS единой структуре. Этот синтезатор находит применение в таких областях, как CB и FM-радиостанции. Устройство содержит генератор/усилитель, 2х10 или 2х11 делитель цепи для генератора сигнала, программируемый делитель цепи входного сигнала, и фазовый детектор. MC145106 имеет встроенный на 10.24 МГц генератор или может работать с внешнего сигнала.

Технические характеристики:

  • Встроенный на 10.24 МГц кварцевый генератор;
  • Входы с программируемым делителем, до 9 разрядов;
  • Выбирается делитель, 2х10 или 2х11 (в том числе ÷ 2);
  • Три блока, фазового детектора.
  • Напряжение питания: 4.5-12V
  • Ток потребления (тип.): 6-28мА
  • Входное сопротивление: 1 МОм
  • Входная емкость: 6pF
  • Корпус: DIP-18

Продается недорого на aliexpress

-4

Собирается передатчик на односторонней печатной плате

-5

Для тех кто решит изготовить эту плату, прилагаю PDF документ с платой в натуральный размер.

Расположение деталей на печатной плате

-6

Передатчик в собранном виде.

-7

На этом у меня сегодня все.

Рекомендую также посмотреть Каталог публикаций моего канала, где Вы найдете статьи по рассмотренной выше теме и множество других материалов, которые могут быть Вам интересны и полезны.

Ставьте лайки, комментируйте, подписывайтесь и заходите на мой канал, есть много интересной и нужной информации для радиолюбителей