Найти в Дзене
Дед клуб

Самодельный генератор-пробник ЧМ сигнала 10,7 МГц для приёмников

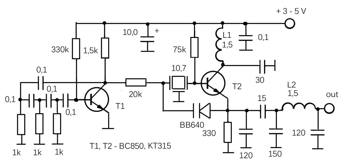
Раньше радиолюбительский тестер включал в себя генератор промежуточной частоты для настройки приёмника, но со временем такая функция отпала, однако простой самодельный измерительный прибор может пригодиться для поиска неисправностей в приёмниках с УКВ (FM) диапазоном. Особенностью схемы является то, что вместо кварца, синтезатора и процессора я использовал полосовой пьезокерамический фильтр на 10,7 МГц, с помощью которого не только обеспечивается стабильность частоты, но и легко осуществляется её девиация с частотой модуляции 1кГц, обеспечивая на выходе ЧМ сигнал. Лет 10 назад разместил эту схему на другом сайте. Справились не все. Для некоторых она показалась сложной, а другим, наоборот помогла в работе. Сейчас я решил вернуться к этому изделию и собрал несколько его вариантов, начиная от самых простых. Простой ЧМ генератор-пробник, где на транзисторе Т1 сделан низкочастотный генератор тонального сигнала с частотой около 1 кГц, а на транзисторе Т2 собран генератор высокой частоты. За

Раньше радиолюбительский тестер включал в себя генератор промежуточной частоты для настройки приёмника, но со временем такая функция отпала, однако простой самодельный измерительный прибор может пригодиться для поиска неисправностей в приёмниках с УКВ (FM) диапазоном. Особенностью схемы является то, что вместо кварца, синтезатора и процессора я использовал полосовой пьезокерамический фильтр на 10,7 МГц, с помощью которого не только обеспечивается стабильность частоты, но и легко осуществляется её девиация с частотой модуляции 1кГц, обеспечивая на выходе ЧМ сигнал.

Лет 10 назад разместил эту схему на другом сайте. Справились не все. Для некоторых она показалась сложной, а другим, наоборот помогла в работе. Сейчас я решил вернуться к этому изделию и собрал несколько его вариантов, начиная от самых простых.

ЧМ генератор-пробник.
ЧМ генератор-пробник.

Простой ЧМ генератор-пробник, где на транзисторе Т1 сделан низкочастотный генератор тонального сигнала с частотой около 1 кГц, а на транзисторе Т2 собран генератор высокой частоты. За стабильность частоты генератора ВЧ отвечал пьезокерамический полосовой фильтр на 10,7 МГц. Эти же фильтры используются в тракте промежуточной частоты радиоприёмника, а поэтому, удобно собирая приёмник, сделать заодно и простой ЧМ генератор для его проверки. С помощью варикапа, при таком его включении, под воздействием тонального сигнала 1 кГц, обеспечивается девиация частоты порядка +/- 10 кГц. В схеме использован варикап (ВВ640), имеющий ёмкость 60 пФ.

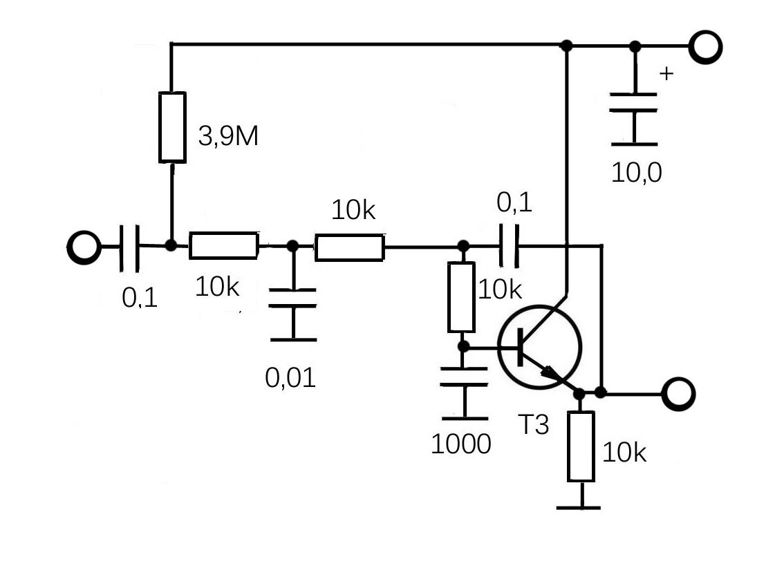
Тональный генератор на одном транзисторе кроме своей простоты обладал капризностью. Нелинейные искажения низкочастотного генератора менялись при изменении напряжения питания, и их минимальные значения были на пороге срыва при слабой положительной обратной связи. Была поставлена задача повысить устойчивость каскада с положительными параметрами при изменении внешних факторов.

Один из вариантов повышения устойчивости генератора - использование стабилизатора напряжения.

Но как поведёт себя схема с транзисторами другого типа, имеющих разброс по усилению? Рисковать не стал и выбрал устойчивый режим работы НЧ генератора за счёт более глубокой положительной обратной связи (ПОС). Недостатком такого режима является присутствие нелинейных искажений, избавиться от которых помог фильтр нижних частот (ФНЧ), задача которого подавить высшие гармоники.

Вариант упрощённого ФНЧ на транзисторе. Для получения минимальных нелинейных искажений целесообразно использовать несколько таких звеньев. Но я пока остановился на одном звене.

Фильтр нижних частот на транзисторе.
Фильтр нижних частот на транзисторе.
ЧМ генератор-пробник.
ЧМ генератор-пробник.
Плата генератора НЧ.
Плата генератора НЧ.
Плата фильтра нижних частот.
Плата фильтра нижних частот.

Плата генератора ВЧ.
Плата генератора ВЧ.

Схема фильтра на операционном усилителе - лучший вариант.

Фильтр НЧ на ОУ.
Фильтр НЧ на ОУ.
АЧХ фильтра НЧ в программе.
АЧХ фильтра НЧ в программе.

Плата фильтра НЧ на ОУ.
Плата фильтра НЧ на ОУ.

В генератор на 10,7 МГц я добавил П-фильтр, благодаря которому подавление высших гармоник составило 40 дБ на нагрузке 50 Ом.

Первая схема пробника с ОУ.
Первая схема пробника с ОУ.