Добавить в корзинуПозвонить
Найти в Дзене
Канал NEKutko

СППП - Конспект.01

Теплоэнергетика и теплотехника. 13.04.01. (1 курс магистратуры) Название дисциплины: Системы пароснабжения промышленных предприятий (Конспект подготовлен студентами). Назначение и содержание курса, связь со смежными и базовыми дисциплинами. Водяной пар, основные свойства. Использование пара в промышленности и ЖКХ в качестве теплоносителя. Достоинства и недостатки . Система пароснабжения. Повторить:
Лекция по дисциплине "Теплоэнергетические системы и энергобалансы промышленных предприятий" Введение. Системы пароснабжения промышленных предприятий. Классификации систем пароснабжения промышленных предприятий. Система пароснабжения промышленного предприятия – комплекс станций, установок и устройств для генерирования необходимого технологическим и сантехническим потребителям пара требуемых параметров; устройства для приема и регулирования количества и параметров пара, получаемого из районных систем теплоснабжения; трубопроводы для подачи пара к потребителям и распределения его между ними;

Теплоэнергетика и теплотехника. 13.04.01. (1 курс магистратуры)

Название дисциплины: Системы пароснабжения промышленных предприятий (Конспект подготовлен студентами).

Назначение и содержание курса, связь со смежными и базовыми дисциплинами. Водяной пар, основные свойства. Использование пара в промышленности и ЖКХ в качестве теплоносителя. Достоинства и недостатки . Система пароснабжения.

Повторить:
Лекция по дисциплине "Теплоэнергетические системы и энергобалансы промышленных предприятий"

Введение. Системы пароснабжения промышленных предприятий.

Классификации систем пароснабжения промышленных предприятий.

Система пароснабжения промышленного предприятия – комплекс станций, установок и устройств для генерирования необходимого технологическим и сантехническим потребителям пара требуемых параметров; устройства для приема и регулирования количества и параметров пара, получаемого из районных систем теплоснабжения; трубопроводы для подачи пара к потребителям и распределения его между ними; сооружения и трубопроводы для сбора конденсата пара и возврата его от потребителей к парогенерирующим установкам.

Особенности пара:
- СП в качестве
теплоносителя используется водяной пар. Генерация пара - энергоемкое производство.

- Главной положительной особенностью систем пароснабжения перед водяным является агрегатное состояние воды, а вернее, фазовый переход из состояния пара в жидкое, при котором выделяется огромное количество теплоты r = 2300 кДж/кг, что позволяет потребителю отдать существенно больше тепла, соответственно уменьшить площадь поверхности отопительных приборов.

- Главной отрицательной особенностью и недостатком является опасность СП. Перегретый пар невидимый и может причинить травмы человеку при утечках. Во избежание ожогов при прикосновении с поверхностью паропроводов при открытой прокладке требуется уделять большое внимание изоляции паропроводов.

Преимущества:
- Перенос большого количества тепловой энергии небольшим количеством объема;
- Взаимная однозначная зависимость P от T;
- Высокие коэффициенты теплоотдачи при конденсации;
- Возможность повторного использования конденсата.

Недостатки:
- Тяжело контролировать качество;
- Повышенные требования к паропроводам, их изоляции и потребителям;
- Повышенные тепловые потери.

Структура любой СП содержит:
- источник пара
- подающие паропроводы (магистральные и разводящие)
- паропотребляющее оборудование (тепловое, силовое)
- система возврата конденсата (если предусматривается возврат конденсата)

Также содержатся системы: КИПиА, АСУ, аварийные и другие.

Примеры:

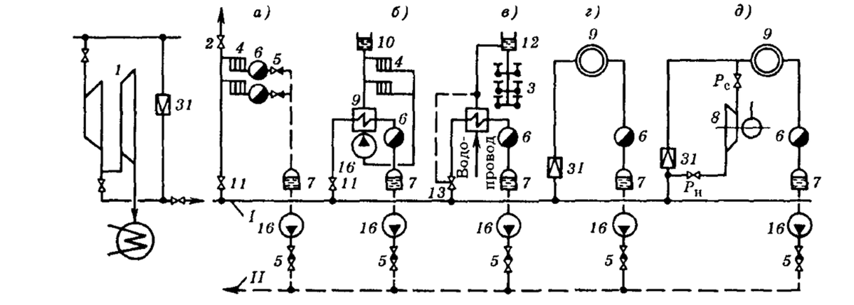
Однотрубная паровая система теплоснабжения с возвратом конденсата

Схемы присоединений: а - О(3); б - O(H); в - Г(АВ); г - технологических аппаратов;   д -  технологических аппаратов с местной термокомпрессией; 1 -  паропровод; 11 - конденсатопровод; 
1 - паровая турбина; 2 - воздушный кран; 3 - водоразборный кран; 4 - нагревательный прибор; 
5 - обратный клапан; 6 - конденсатоотводчик; 7 - конденсатосборник; 8 - термокомпрессор; 
9 - технологический аппарат; 10 - расширительный сосуд; 11 - регулирующий клапан; 12 - аккумулятор горячей воды; 13 - регулятор температуры воды; 16 - насос; 31 - редукционно-охладительная установка
Схемы присоединений: а - О(3); б - O(H); в - Г(АВ); г - технологических аппаратов; д - технологических аппаратов с местной термокомпрессией; 1 - паропровод; 11 - конденсатопровод; 1 - паровая турбина; 2 - воздушный кран; 3 - водоразборный кран; 4 - нагревательный прибор; 5 - обратный клапан; 6 - конденсатоотводчик; 7 - конденсатосборник; 8 - термокомпрессор; 9 - технологический аппарат; 10 - расширительный сосуд; 11 - регулирующий клапан; 12 - аккумулятор горячей воды; 13 - регулятор температуры воды; 16 - насос; 31 - редукционно-охладительная установка

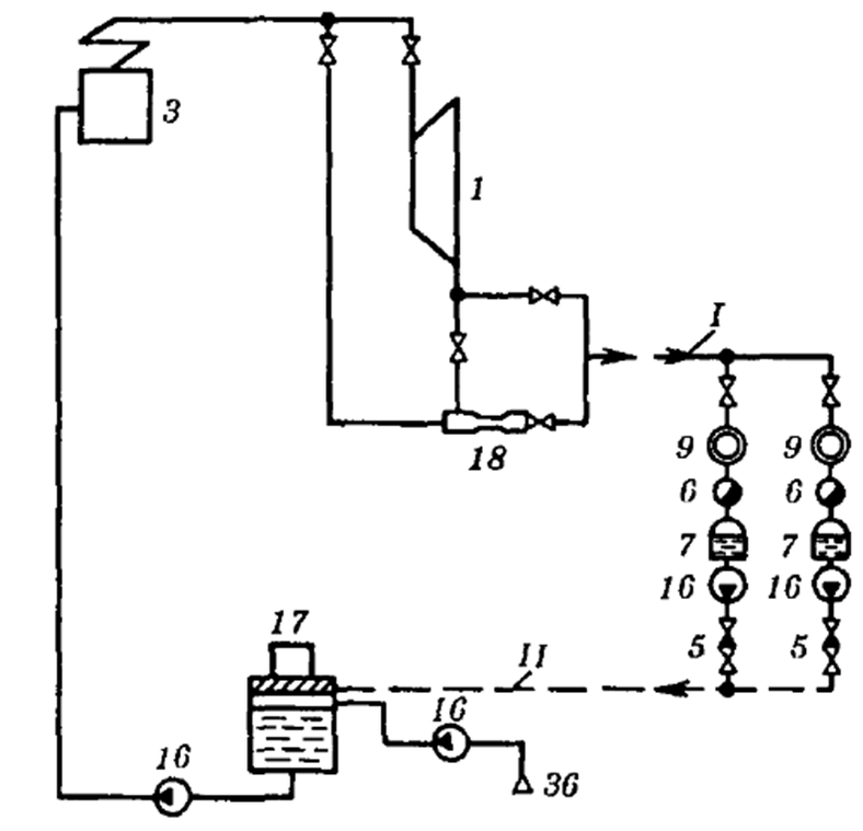
Однотрубная паровая система теплоснабжения с центральной струйной компрессией и с возвратом конденсата

Если давление пара, получаемого из отборов турбин на ТЭЦ, недостаточно для удовлетворения всех или значительной части тепловых потребителей, то оно может быть искусственно повышено на станции.Для повышения давления пара на станции можно применять струйные компрессоры.

3 - паровой котел; 17 - деаэратор, 18 – струйный компрессор; 36  - химводоочистка, остальные обозначения те же, что и на картинке выше
3 - паровой котел; 17 - деаэратор, 18 – струйный компрессор; 36 - химводоочистка, остальные обозначения те же, что и на картинке выше

Двухтрубная паровая система с возвратом конденсата

В тех случаях, когда промышленным потребителям района требуется пар разных давлений (низкого и повышенного), а станция может удовлетворить потребность в паре низкого давления из отборов турбин и потребность в паре повышенного давления непосредственно из котлов, применяются двухтрубные и многотрубные системы.

В периоды больших расходов пара включаются в работу оба паропровода, а в периоды малых расходов — один. В некоторых случаях двухтрубные паровые системы применяются по условиям резервирования, когда для технологического процесса недопустимы даже кратковременные перерывы в подаче пара.

3 - паровой котел; 17 - деаэратор, 36  - химводоочистка, остальные обозначения те же, что и на картинках выше
3 - паровой котел; 17 - деаэратор, 36 - химводоочистка, остальные обозначения те же, что и на картинках выше

Водяной пар

Вещества имеют три фазовых состояния: газообразное, жидкое и твердое состояние.
Фазовое превращение - переход из одного фазового состояния в другое.
Кипение – процесс интенсивного парообразования, который происходит в жидкости, как на свободной её поверхности, так и внутри её структуры. При этом в объёме жидкости возникают границы разделения фаз, то есть на стенках сосуда образуются пузырьки, которые содержат воздух и насыщенный пар.
Испарение – процесс фазового перехода вещества из жидкого состояния в парообразное или газообразное, происходящий на поверхности вещества. Процесс испарения является обратным процессу конденсации.
Насыщенный пар – это пар, находящийся в термодинамическом равновесии с жидкостью.
Сухой насыщенный пар – это пар не содержащий капель жидкости и имеющую tнас при данном давление.
Влажный насыщенный пар – это равновесная смесь, состоящая из капель жидкости, находящейся при температуре кипения, и сухого насыщенного пара.
Степень сухости – отношение массы сухого насыщенного пара к массе влажного насыщенного пара (Х = 0 – жидкость, Х = 1 – сухой пар).
Степень сухости пара - отношение массы сухого насыщенного пара к массе влажного насыщенного пара.

Конспект не завершен.