Добавить в корзинуПозвонить
Найти в Дзене
Электроника, ESP32, Arduino

Защита ЗУ от переполюсовки на MOSFET

Некоторые модули и специализированные микросхемы предназначенные для заряда АКБ имеют встроенную защиту от подключения батареи в неправильной полярности. Например микросхема HT3786D автоматически умеет определять полярность подключенной АКБ: Более того, микросхема даже умеет заряжать батарею подключённую "вверх тормашками". А вот другой популярный модуль TP4056 при подключении батареи в неправильной полярности моментально выйдет из строя. Из него моментально пойдет синий волшебный дым: Про варианты защиты от переполюсовки и пойдет речь в данной статье. Самое простое решение: установить диод D1 (лучше Шоттки) рассчитанный на большой ток и плавкий предохранитель F1: Если батарея подключена правильно, диод D1 не оказывает ни какого влияния на схему. Если батарею подключить в неправильной полярности, большой ток, который способен отдавать Li-ion аккумулятор, спалит предохранитель и модуль TP4056 останется в целости и сохранности. Решение в данном случае получается одноразовое. Для многораз
Оглавление

Некоторые модули и специализированные микросхемы предназначенные для заряда АКБ имеют встроенную защиту от подключения батареи в неправильной полярности.

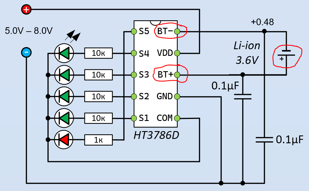
Например микросхема HT3786D автоматически умеет определять полярность подключенной АКБ:

Подключение АКБ через HT3786D согласно документации
Подключение АКБ через HT3786D согласно документации

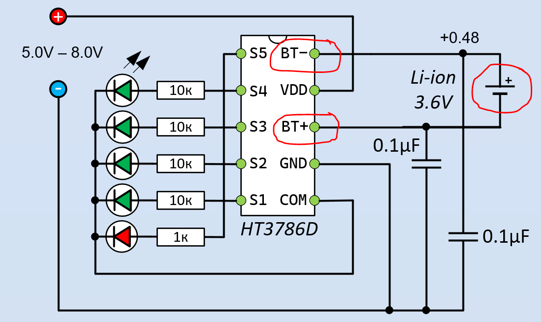
Более того, микросхема даже умеет заряжать батарею подключённую "вверх тормашками".

Подключение АКБ через HT3786D согласно документации - перепутана полярность
Подключение АКБ через HT3786D согласно документации - перепутана полярность

А вот другой популярный модуль TP4056 при подключении батареи в неправильной полярности моментально выйдет из строя.

Модуль TP4056
Модуль TP4056

Из него моментально пойдет синий волшебный дым:

Модуль TP4056 нельзя путать полярность батареи
Модуль TP4056 нельзя путать полярность батареи

Про варианты защиты от переполюсовки и пойдет речь в данной статье.

Самое простое решение: установить диод D1 (лучше Шоттки) рассчитанный на большой ток и плавкий предохранитель F1:

Защита зарядного устройства с помощью диода и предохранителя
Защита зарядного устройства с помощью диода и предохранителя

Если батарея подключена правильно, диод D1 не оказывает ни какого влияния на схему. Если батарею подключить в неправильной полярности, большой ток, который способен отдавать Li-ion аккумулятор, спалит предохранитель и модуль TP4056 останется в целости и сохранности.

Защита зарядного устройства с помощью диода и плавкого предохранителя
Защита зарядного устройства с помощью диода и плавкого предохранителя

Решение в данном случае получается одноразовое. Для многоразового применения можно собрать схему на одном MOSFET и одном биполярном транзисторе.

Защита зарядного устройства от переполюсовки

Схема защиты зарядного устройство от переполюсовки АКБ на транзисторах
Схема защиты зарядного устройство от переполюсовки АКБ на транзисторах
  • VT1 P-канальный полевой транзистор с изолированным затвором (MOSFET)
  • VT2 Биполярный транзистор структуры n-p-n

Как работает такая схема защиты от переполюсовки ?

Для начала подключим вместо аккумулятора амперметр (М2).

Как работает такая схема защиты от переполюсовки
Как работает такая схема защиты от переполюсовки

Подаем питание с помощью выключателя SW1

Напряжения на выходе схемы не будет пока не установлен аккумулятор
Напряжения на выходе схемы не будет пока не установлен аккумулятор

Напряжение на выходе схемы отсутствует потому что транзистор Т1 закрыт. Чтобы открыть P-канальный MOSFET необходимо, чтобы его затвор был подключен к минусу источника питания:

-10

А у нас там напряжение источника питания:

-11

Для того, чтобы открыть T1 необходимо открыть Т2, но в в той части схемы куда подключена его база сейчас отсутствует напряжение.

-12

Что произойдёт при правильном подключении батареи?

Ток от подключенной батареи откроет транзистор Т2.

-13

Транзистор Т2 подтянет затвор транзистора Т1 к минусу источника питания. Т1 откроется и АКБ начнет заряжаться.

-14

Что произойдёт при неправильном подключении батареи?

А ничего не произойдет, схема просто не включится.

-15

Биполярные транзисторы не особенно любят когда их подключают не правильно, и поэтому чтобы VT2 не накрылся медным тазом - в цепи базы дополнительно включен диод D1. Он ограничит напряжение между Эмиттером и Базой VT2 приложенное в обратной полярности.

-16

Бонус - защита от короткого замыкания:

Если предположить, что батарея была установлена правильно, открыла Т2 и Т1, но вдруг случилась "коза" - база транзистора T2 опять останется без питания и закроет T1.

Практическая реализация:

MOSFET транзисторы как известно управляются напряжением, а не током, а напряжения в этой схеме не велики. В качестве транзистора T1 потребуется MOSFET, который может управляться небольшим напряжением (содержит в своей маркировке букву L)

Из этих соображений имеет смысл переделать схему под N-канальный MOSFET, так как как они имеют лучшие характеристики. Я попробую собрать из того, что есть под рукой.

Схема защиты на N-канальном MOSFET и биполярном n-p-n транзисторе
Схема защиты на N-канальном MOSFET и биполярном n-p-n транзисторе

Мой самодельный ЛБП умеет работать как источник тока, поэтому выставим значение 50mA и соберем прототип на макетной плате.

Подаем питание - батарея не подключена. На выходе болтается около 0.1V

-18

Устанавливаем батарею. ЛБП снизил напряжение, чтобы ток в цепи стал равен 52mA. Батарея заряжается.

-19

Вытаскиваем батарею и переворачиваем. Тока в цепи нет.

-20

Ставим снова в правильное положение. Зарядка возобновилась.

-21

MOSFET у меня не сильно современный - падение напряжения составило около 100mV. Сейчас доступны транзисторы и с более низким сопротивлением в открытом состоянии - главное что сама схема рабочая.

Материалы по теме:

HT3786D - просто добавь АКБ

Как работает TP4056 зарядное устройство для li-ion аккумуляторов

Если материал понравился - не забываем ставить лайк (иначе Дзен его больше ни кому не покажет, а писать в пустоту мне как автору не очень интересно).

P.S: Если Вы, как и автор этого комментария, не понимаете почему для защиты от переполюсовки ЗАРЯДНОГО УСТРОИСТВА И БАТАРЕИ нельзя использовать только диод, как это часто делают для защиты нагрузки и считаете, что ток в схеме 2 протекать не будет - отпишитесь пожалуйста от моего канала.

-22

Оглавление канала тут

Всем удачи!