Добавить в корзинуПозвонить
Найти в Дзене
RADIO INFO

Очень простые DSP-AM и DSP-FM радиоприемники на малоизвестной нашим радиолюбителям микросхеме Si4831

Добрый день дорогие друзья. В свободное время мне нравится просматривать зарубежные радиолюбительские сайты, и вот недавно я забрел на японский сайт на котором выложено описание огромного количества конструкций различных радиоприемников от очень простых до очень сложных. Меня конечно же заинтересовало то, что попроще, и то что будет интересно моим читателям, и то что они смогут повторить. В русскоязычном секторе Интернета я не нашел описания ни одной конструкции приемника на этой микросхеме (поправьте меня если я ошибаюсь) и мы по всей видимости здесь будем первопроходцами. Первым мы рассмотрим DSP-AM радиоприемником на малоизвестной нашим радиолюбителям микросхеме Si4831 от Silicon LabS. Ознакомится с DataSheet на микросхему Si4831 можно ЗДЕСЬ Построенный на этой микросхеме средневолновый AM радиоприемник по количеству деталей и сложности сборки соизмерим с приемником прямого усиления, а по техническим характеристикам превосходит многие супергетеродины. Японский радиолюбитель не ст

Добрый день дорогие друзья.

В свободное время мне нравится просматривать зарубежные радиолюбительские сайты, и вот недавно я забрел на японский сайт на котором выложено описание огромного количества конструкций различных радиоприемников от очень простых до очень сложных. Меня конечно же заинтересовало то, что попроще, и то что будет интересно моим читателям, и то что они смогут повторить. В русскоязычном секторе Интернета я не нашел описания ни одной конструкции приемника на этой микросхеме (поправьте меня если я ошибаюсь) и мы по всей видимости здесь будем первопроходцами. Первым мы рассмотрим DSP-AM радиоприемником на малоизвестной нашим радиолюбителям микросхеме Si4831 от Silicon LabS.

Ознакомится с DataSheet на микросхему Si4831 можно ЗДЕСЬ

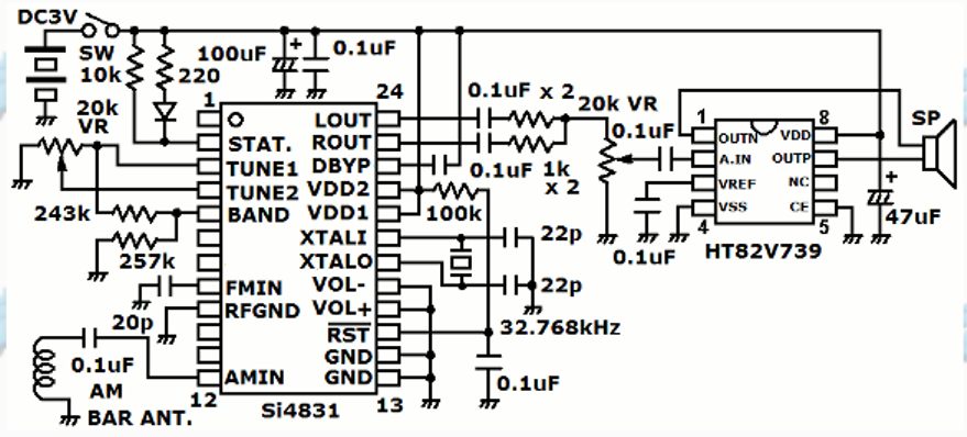
Построенный на этой микросхеме средневолновый AM радиоприемник по количеству деталей и сложности сборки соизмерим с приемником прямого усиления, а по техническим характеристикам превосходит многие супергетеродины. Японский радиолюбитель не стал заморачиваться с переключателем диапазонов, и разработал по отдельности радиоприемники на АМ на СВ и FM.

Схема AM СВ радиоприемника на микросхеме Si4831

-2

Микросхеме Si4831 очень похожа на достаточно хорошо освещенную на моем канале микросхему Si4825, к примеру в публикации: «Планки (модули) для переделки АМ-радиоприемников на FM, управляемых от штатных КПЕ для любых аналоговых и цифровых микросхем». Основным отличием по схеме сразу видно наличие двух выходов по НЧ (LOUT и ROUT), следствии чего можно сделать вывод, что эта микросхема в диапазоне FM обеспечивает стерео прием. Диапазон приема устанавливается путем деления напряжения между TUNE1 и GND, и подачи его на вывод BAND. Напряжение на TUNE1, по всей видимости как в микросхеме Si4825 1,1В, а диапазон СВ задается резисторами 243кОм и 257кОм, что в сумме составляет 500кОм, как и в микросхеме Si4825.

В качестве УНЧ японец применил неизвестную, по крайней мере мне, микросхему HT82V739, которую можно заменить на известную всем читателям моего канала микросхему CKE8002B.

Вот так выглядит собранный радиоприемник DSP-AM СВ радиоприемник

-3

Далее, японец на этой микросхеме собрал DSP-FM радиоприемник по вот такой схеме.

-4

Здесь резисторами 333кОм и 167кОм установлен японский диапазон FM 76-90МГц. Для установки диапазона FM 88-108МГц нужно ориентироваться на номиналы резисторов делителя по схеме из DataSheet.

-5

Со значением сопротивлений резисторов делителя особых проблем не вижу, поскольку их можно собрать из нескольких последовательных или параллельных резисторов, или еще лучше подогнать из резисторов меньшего сопротивления, аналогично тому, как я рассказывал в этом видеоролике:

В настоящее время на AliExpress я заказал себе парочку микросхем Si4831

-6

Как видите цена на них не велика, меньше 100 руб за штуку, а если брать 5 или 10 шт, то будет еще дешевле. После того как заказал, я прочитал отзывы и немного расстроился, но заказ отменять не стал.

-7

Надеюсь у меня проблем с микросхемами не будет.

Под эти микросхемы там же заказал переходники.

-8

Конечно же меня смущает малый размер этих микросхем SSOP24

Размеры проводников под микросхемы SSOP24 на переходных платах

-9

Я такие мелкие микросхемы еще никогда не паял, но буду пробовать, для этого у меня все есть, и микроскоп, и паяльная станция. После получения микросхем, я соберу стерео DSP-FM радиоприемник с настройкой от КПЕ, управляемого от генератора, и обо всем этом самым подобным образом расскажу моим уважаемым читателям.

На этом у меня сегодня все.

Рекомендую также посмотреть Каталог публикаций моего канала, где Вы найдете статьи по рассмотренной выше теме и множество других материалов, которые могут быть Вам интересны и полезны.

Ставьте лайки, комментируйте, подписывайтесь и заходите на мой канал, есть много интересной и нужной информации для радиолюбителей