Добавить в корзинуПозвонить
Найти в Дзене
RADIO INFO

Планки (модули) для переделки АМ-радиоприемников на FM, управляемых от штатных КПЕ для любых аналоговых и цифровых микросхем.

Добрый день дорогие друзья. Сегодня мы с Вами продолжаем большой разговор про планки (модули) FM для переделки советских радиоприемников, начатый на моем канале в публикации: Планки (модули) FM для переделки советских радиоприемников , все что о них известно в наше время в одном месте. Если Вас интересует эта тема, и Вы не читали или подзабыли эту статью, то обязательно прочтите, потому что повторяться я не буду. Несколько слов о преимуществах и недостатках для планок (модулей) FM для переделки радиоприемников на аналоговых и цифровых микросхемах. Аналоговые микросхемы (КХА058, К174ХА34, ТЕА5710 и тому подобные) имеют такое достоинство, что позволяют производить настройку как варикапами, так и от КПЕ. Но при управлении от штатного КПЕ большинства АМ радиоприемников не удается получить линейной шкалы настройки. К цифровым микросхемам (SI4825A10, KT0936MB9, BK1198 и тому подобные) подключение КПЕ не предусмотрено. Выход был найден в подключении к цифровым микросхемам дополнительного г

Добрый день дорогие друзья.

Сегодня мы с Вами продолжаем большой разговор про планки (модули) FM для переделки советских радиоприемников, начатый на моем канале в публикации: Планки (модули) FM для переделки советских радиоприемников , все что о них известно в наше время в одном месте. Если Вас интересует эта тема, и Вы не читали или подзабыли эту статью, то обязательно прочтите, потому что повторяться я не буду.

Несколько слов о преимуществах и недостатках для планок (модулей) FM для переделки радиоприемников на аналоговых и цифровых микросхемах.

Аналоговые микросхемы (КХА058, К174ХА34, ТЕА5710 и тому подобные) имеют такое достоинство, что позволяют производить настройку как варикапами, так и от КПЕ. Но при управлении от штатного КПЕ большинства АМ радиоприемников не удается получить линейной шкалы настройки. К цифровым микросхемам (SI4825A10, KT0936MB9, BK1198 и тому подобные) подключение КПЕ не предусмотрено. Выход был найден в подключении к цифровым микросхемам дополнительного генератора, где на выход генератора ставиться штатный КПЕ радиоприемника, который выполняет роль реактивного сопротивления (электрическое сопротивление переменному току, обусловленное передачей энергии электрическим полем в конденсаторах). Реактивное сопротивление конденсатора обозначается Xс и рассчитывается по формуле Xс = 1 /(2πƒC). Чтобы не заморачиваться в расчетах, в Интернете можно найти «Калькулятор расчёта реактивного сопротивления ёмкости», ищите через поиск, я ссылок на посторонние ресурсы не даю, Дзеном не одобряется. Нам еще нужно учитывать, что у нас в расчетах будут незначительные погрешности, так как эти формулы справедливы для синусоидального тока. Выделенное на КПЕ, в зависимости от угла поворота переменное напряжение подается на выпрямитель, и сопротивление нагрузки, а дальше вывод управления настройки цифровых микросхем или на варикапы аналоговых.

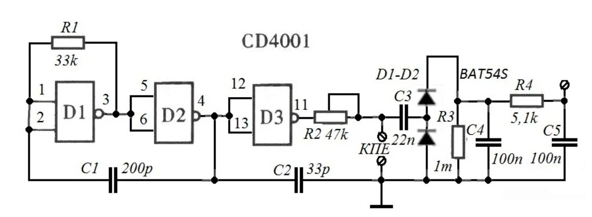
Вот так выглядит генератор на самой доступной микросхеме CD4001

Вариант подключения к микросхеме SI4825A10

-2

Вариант подключения к микросхеме ТЕА5710

-3

А теперь перейдем к рассмотрению недостатков приведенного выше генератора, я бы выделил бы два основных это нестабильность частоты из за ТКЕ (температурный коэффициент емкости) применяемых частотно задающих конденсаторов, и второй недостаток нестабильная амплитуда выходного сигнала из за колебания напряжения питания. Все это будет влиять на выдаваемое выходное напряжение генератора и влиять на настройку нашего радиоприемника. Мои читатели тут сразу могут выдать мне предложение например в генераторе применить кварц, а по питанию поставить линейный стабилизатор. И тут вырисовываются следующие проблемы, например на AliExpress мне не удалось найти кварц на частоту меньше 1820 кГц, а для нашего генератора нужна частота в пределах 300-700 кГц, можно конечно добавить к генератору делитель частоты, например на 4, на двойном триггере, но это не очень хороший вариант. И еще если Вы знакомы с моими вариантами переделок радиоприемников на FM диапазон и опубликованных на моем канале, то я везде в качестве источника питания применяю аккумуляторы 18650, имеющие номинальное напряжение 3,7В. А микросхема CD4001 и ей подобные имеет минимальное напряжение питания 3В. Для линейного стабилизатора разница межу входным и выходным напряжением должна быть минимально 1,5-2В, и у нас это не получается.

Для устранения всех выше перечисленных недостатков, я нашел выход в применении модуля кварцевого генератора на 400 кГц

-4

Генератор предназначен для получения колебаний постоянной частоты с высокой температурной и временной устойчивостью, низким уровнем фазовых шумов и на напряжение питания 3,3-5В. Выходной сигнал близок синусоидальной форме

-5

Генераторы имеют вот такие размеры, и легко вставляются в панельку от микросхемы DIP-14

-6

Продаются они практически на все нужные нам частоты.

-7

Я себе для пробы заказал пару штук на 400 кГц, и обошлись они мне чуть дороже 200руб/шт

-8

Сразу предупреждаю моих «доброжелателей», что никакой рекламной деятельностью на AliExpress я не занимаюсь, об этой торговой площадке у меня негативное мнение, в чем Вы можете убедиться, посмотрев на моем канале многочисленные публикации об их обманах наших радиолюбителей.

В настоящее время у меня есть подобный генератор на 1000 кГц,

-9

И КПЕ от VEF-201

-10

Я попробую поэкспериментировать с этим генератором, и подключить его с КПЕ от VEF-201 к микросхемам SI4825A10 и TDA7021, о полученных результатах и разработанных схемах, я расскажу уже в следующих публикациях.

На этом у нас сегодня все.
Рекомендую посмотреть
Подборку публикаций моего канала, где Вы найдете статьи по рассмотренной выше теме, и множество других материалов, которые могут быть Вам интересны и полезны.

Ставьте лайки, комментируйте, подписывайтесь и заходите на мой канал, есть много интересной и нужной информации для радиолюбителей