Добавить в корзинуПозвонить
Найти в Дзене
Микрула

Пельмешка и клык — киноа под микроскопом

Такие ассоциации возникают, когда рассматриваешь разварившиеся зёрнышки киноа в микроскоп. И всё же давайте посмотрим, какие изменения происходят в крупе, после того как она покипела в кастрюльке. Из этих маленьких зёрнышек получается прекрасная каша, а при дроблении — ценная мука, из которой можно печь хлеб. При этом киноа не относится к злакам, а потому считается псевдозерновой культурой. Отчётливо виден росток семени. В пачке встречаются и подпорченные экземпляры. Семенная оболочка глянцевая и твёрдая. При сильном нажиме лезвием раскалывается на части. Мука киноа под микроскопом. Если не обращать внимание на образовавшиеся комочки, то частицы выглядят однородными, но это не совсем так. Посмотрим на раствор муки в воде с увеличением в 1000 крат и у видим, что на водной поверхности собрались немногочисленные более лёгкие частицы. Вероятно, это жиры, выделившиеся из ростка. Основная масса частиц находится на дне. Переход фокуса с поверхности вглубь показан на анимации. Обратите внимани

Такие ассоциации возникают, когда рассматриваешь разварившиеся зёрнышки киноа в микроскоп. И всё же давайте посмотрим, какие изменения происходят в крупе, после того как она покипела в кастрюльке.

Из этих маленьких зёрнышек получается прекрасная каша, а при дроблении — ценная мука, из которой можно печь хлеб. При этом киноа не относится к злакам, а потому считается псевдозерновой культурой.

-2

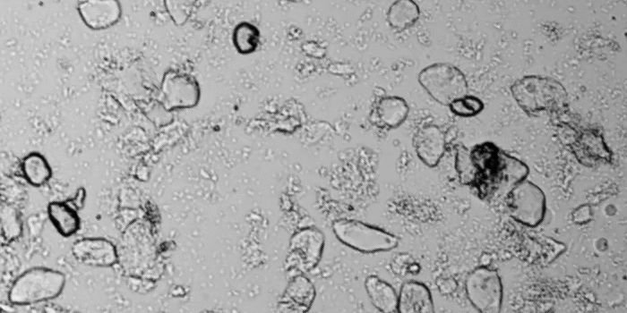
Отчётливо виден росток семени.

В пачке встречаются и подпорченные экземпляры.

-4

Семенная оболочка глянцевая и твёрдая. При сильном нажиме лезвием раскалывается на части.

Мука киноа под микроскопом.

Если не обращать внимание на образовавшиеся комочки, то частицы выглядят однородными, но это не совсем так.

-7

Посмотрим на раствор муки в воде с увеличением в 1000 крат и у видим, что на водной поверхности собрались немногочисленные более лёгкие частицы. Вероятно, это жиры, выделившиеся из ростка.

-8

Основная масса частиц находится на дне.

Переход фокуса с поверхности вглубь показан на анимации. Обратите внимание на активное броуновское движение.

-10

Пришло время варить кашу из киноа. Зачерпнём ложку разварившейся крупы.

-11

Росток, отделённый от семени, под микроскопом напоминает бивень или клык.

-12

А варёное зерно — пельмень.

Поверхность покрывается морщинками.

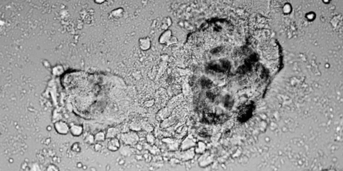
Раздавим такую «пельмешку» и посмотрим как изменилась мука после варки.

И если до термической обработки тут была шумная компания.

Увеличение ×1000
Увеличение ×1000

То теперь группа частиц сильно увеличилась в размере и обездвижена. Напомню, что действие происходит в капле воды.

Увеличение ×400
Увеличение ×400

Это слегка увеличенные мучные частички, склеенные между собой, с увеличением в 1000 крат.

Мне удалось найти промежуточную стадию: идёт образование отдельных крупных островков, но ещё не произошла плотная склейка в единый комочек.

-19

Жидкость под микроскопом довольно быстро испаряется, что заставляет дрейфующие в ней частицы сбиваться в кучи.

-20

Получается вот такой интересный «ландшафт».

На примере киноа мы узнали, что происходит с мукой после варки. Возможно, стоит сравнить с пшеницей? В любом случае не теряйтесь, ещё помикрулим.