Найти в Дзене

Шланговые задвижки хорошо делают и в Китае

К нам обратился заказчик, который последние годы всегда покупал шланговые (пережимные) клапаны в Швеции у одной небезызвестной компании. Обычно такие стоят на пульпопроводах, в обвязке фильтр-прессов, системах очистки, шламоудаления и подобных системах на ГОКах, металлургических заводах, химических, целлюлозно бумажных предприятиях, тепловых станциях. Мы же предложили заменить на продукцию одного из ведущих в Китае предприятий компании Xulong, которая уже более 30 лет производит оборудование для транспортировки и обработки сыпучих и влажных продуктов на промышленных предприятиях. Качество и сроки в разы лучше, чем у Европейских производителей. При этом цена также в два раза дешевле по сравнению с европейскими аналогами. Вот что предложили заказчику. Это схематично показываем из чего состоит пережимной клапан. Технические данные Клапаны могут оснащаться разными типами приводов - пневматическими и электрическим, в том числе и взрывозащищенными. А вот и основные типоразмеры В соотве

К нам обратился заказчик, который последние годы всегда покупал шланговые (пережимные) клапаны в Швеции у одной небезызвестной компании.

Обычно такие стоят на пульпопроводах, в обвязке фильтр-прессов, системах очистки, шламоудаления и подобных системах на ГОКах, металлургических заводах, химических, целлюлозно бумажных предприятиях, тепловых станциях.

Мы же предложили заменить на продукцию одного из ведущих в Китае предприятий компании Xulong, которая уже более 30 лет производит оборудование для транспортировки и обработки сыпучих и влажных продуктов на промышленных предприятиях.

Качество и сроки в разы лучше, чем у Европейских производителей. При этом цена также в два раза дешевле по сравнению с европейскими аналогами.

Вот что предложили заказчику. Это схематично показываем из чего состоит пережимной клапан.

Технические данные

  • Материал корпуса клапана: алюминиевый сплав
  • Номинальный диаметр: DN25~1000;
  • Номинальное давление: PN16;
  • Тип клапана: прямоточный;
  • Способ соединения: фланцевое соединение;
  • Условия работы: кислота средней концентрации, щелочная соль любой концентрации, возможно содержание шлама, содержание гранул и частиц в среде;
  • Максимальное рабочее давление клапана: 2,5 МПа;
  • Перепад давления: 0,25МПа;
  • Время срабатывания клапана: <3 секунд;
  • Эффективный диаметр: 25 ~1000 мм;
  • Защита от утечек: уровень IV, соответствует AP1598.

Клапаны могут оснащаться разными типами приводов - пневматическими и электрическим, в том числе и взрывозащищенными.

Конструкция шламовых задвижек
Конструкция шламовых задвижек

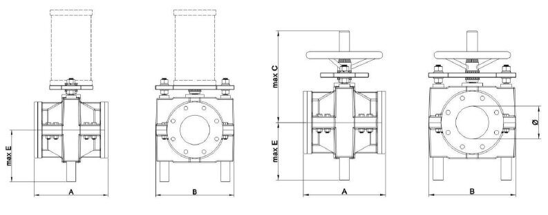
А вот и основные типоразмеры

-3

В соответствии с запросом клиента могут быть изготовлены устройства большего размера и с более высоким давлением.

Ниже приводим пример изготовленных клапанов

-4
Это клапаны с пневмоприводами
Это клапаны с пневмоприводами

Будем рады рассказать подробно и представить техническую информацию, если Вам интересна эта тема.

Подписывайтесь на наш канал, ставьте отметку нравится, рекомендуйте друзьям.

#шламовыезадвижки

#пережимныеклапаны

#шламовыеклапаны

#арматурадляшламов

#шланговыезадвижки