Добавить в корзинуПозвонить
Найти в Дзене
Старый радио любитель

Для начинающих. Простой кварцевый калибратор. Часть 1.

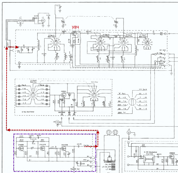
В те времена, когда в трансиверах и приемниках не было еще цифровых шкал, не говоря уж о синтезаторах, требовалось проверять точность механической шкалы приемника или трансивера. Для этого использовали кварцевые калибраторы. Обычно это были кварцевые генераторы частотой 100 кГц, которые выдавали несинусоидальный сигнал, содержащий большое количество гармоник. Эти гармоники можно было прослушивать в режиме CW и SSB. Примером может служить приемник фирмы DAVCO DR-30. Вот часть его блок-схемы. Мы видим кварцевый генератор 100 кГц, сигнал которого поступает на усилитель гармоник, а оттуда - на вход приемника. Вот как это реализуется. Генератор и усилитель гармоник выделены фиолетовой рамкой. Но кварцевый калибратор можно сделать и отдельно, для того, чтобы градуировать шкалы LC генераторов, приемников и трансиверов, в которых нет цифровой шкалы. Я решил сделать простой генератор, который бы создавал сетку стабильных частот с разными интервалами. Чтобы не искать разные микросхемы, я сделал

В те времена, когда в трансиверах и приемниках не было еще цифровых шкал, не говоря уж о синтезаторах, требовалось проверять точность механической шкалы приемника или трансивера. Для этого использовали кварцевые калибраторы. Обычно это были кварцевые генераторы частотой 100 кГц, которые выдавали несинусоидальный сигнал, содержащий большое количество гармоник. Эти гармоники можно было прослушивать в режиме CW и SSB. Примером может служить приемник фирмы DAVCO DR-30. Вот часть его блок-схемы.

Рис. 1. Из мануала.
Рис. 1. Из мануала.

Мы видим кварцевый генератор 100 кГц, сигнал которого поступает на усилитель гармоник, а оттуда - на вход приемника. Вот как это реализуется.

Рис. 2. Из мануала.
Рис. 2. Из мануала.

Генератор и усилитель гармоник выделены фиолетовой рамкой.

Но кварцевый калибратор можно сделать и отдельно, для того, чтобы градуировать шкалы LC генераторов, приемников и трансиверов, в которых нет цифровой шкалы.

Я решил сделать простой генератор, который бы создавал сетку стабильных частот с разными интервалами. Чтобы не искать разные микросхемы, я сделал генератор на двух сдвоенных D-триггерах типа 74НС74 или 74АС74. Один триггер используется в генераторе. а три - в делителях частоты.

Теперь о выборе кварца. Я взял с частотой 4 МГц, что позволило получить сетки с интервалом 4 МГц, 2 МГц, 1 МГц и 500 кГц. Можно взять кварц или пьезокерамический резонатор 1 МГц, тогда получим сетки с интервалом 1 МГц, 500 кГц, 250 кГц и 125 кГц.

Вот схема генератора.

Рис. 3.
Рис. 3.

Схема кварцевого генератора очень похожа на схему LC-генератора. которую я описывал. Только вместо катушки - кварцевый резонатор. Этот генератор у меня завелся сразу. Может быть, придется подобрать R2. Если вы будите использовать пьезорезонатор на частоту 1 МГц, то конденсатор С3 нужно увеличить до 100 пФ, а параллельно С2 подпаять конденсатор 47 пФ, кроме того резистор R2 может придется увеличит. Конденсаторы С2, С3 влияют на частоту генератора, хотя и очень незначительно. Если частота выше номинальной, то конденсаторы нужно увеличить, если ниже - то уменьшить. Питать все нужно от напряжения +3 - +6 В. Я использовал один Li-ion аккумулятор с напряжением 4 В.

Рис. 4.
Рис. 4.

На выходе генератора и триггеров колебания имеют форму меандра. Осциллограммы в соответствующих точках приведены ниже.

Рис. 5.
Рис. 5.

Меня заинтересовал факт появления элементов самовозбуждения, особенно на рис. 3Д. Оказалось, что это влияние емкости щупа моего осциллографа. Стоило подключить щуп к точке Д через резистор, как все становилось гладко.

Рис. 6.
Рис. 6.

В своей статье я писал, о том, что меандр содержит в основном нечетные гармоники: 3-ю, 5-ю, 7-ю и т.д. Но если нам нужна сетка, например с интервалом 0,5 МГц, то частота, например, 15 МГц будет частотой 30-й гармоники. А хотелось бы иметь не только нечетные, но и четные гармоники. Для этого меандр нужно исказить. Для этого я использовал R-C-R цепочки (R3C6R4, R5C7R6 и т.д.). Через один резистор конденсатор заряжается, через другой - разряжается. В результате этого форма импульсов становится такой:

Рис. 7.
Рис. 7.

Для того, чтобы подключить спектроанализатор TinySA, у которого входное сопротивление всего 50 Ом, пришлось быстренько собрать эмиттерный повторитель с возможностью подстраивать уровень входного и выходного сигнала.

Рис. 8.
Рис. 8.

Вот какие спектры я получил в точках А1, Б1, В1, Г1.

Рис. 9. Спектрограмма в точке А1.
Рис. 9. Спектрограмма в точке А1.

Амплитуда нечетных гармоник немного больше. чем четных.

Рис. 10. Спектрограмма в точке Б1.
Рис. 10. Спектрограмма в точке Б1.

В этом случае тоже, начиная с 5-й - 6-й гармоники амплитуда нечетных и четных гармоник практически одинакова. С помощью импульсов с этого выхода можно проверить начало диапазона 14 МГц и 28 МГц, а также имеются гармоники, близкие к диапазонам 18 и 24 МГц.

Рис. 11. Спектрограмма в точке В1.
Рис. 11. Спектрограмма в точке В1.

В этом случае в высокочастотной области амплитуда четных гармоник с частотами 16, 20, 24 и 28 Мгц больше, чем амплитуды гармоник между ними.

Рис. 11. Спектрограмма в точке В1.
Рис. 11. Спектрограмма в точке В1.

В этой точке тенденции такие же, как и в предыдущей. С помощью этой сетки частот можно настраивать все любительские и не только диапазоны.

Все эти гармоники можно прослушать только в режиме CW и SSB, а вот в приемниках с АМ-модуляцией их не слышно, разве что будет прослушиваться подавление шумов (при наличии АРУ) и слабых станций на их частотах. Поэтому нужно иметь возможность амплитудной модуляции высокочастотных импульсов. Но об этом в следующей статье.

Всем здоровья и успехов.