Найти в Дзене
RADIO INFO

Простой регенеративный радиоприемник на КВ диапазон 49м

Добрый день дорогие друзья. Я продолжаю перебирать и подчищать свои архивы, и вот мне попалось описание радиолюбительского регенеративный радиоприемник на диапазон 49м, который на мой взгляд может заинтересовать моих читателей, и который они легко смогут повторить ввиду простоты конструкции. Схема приемника Особенностью схемы являются две дополнительные опции, это антенный усилитель на транзисторе Q2 и линейный светодиодный индикатор настройки на микросхеме LM3914 к переменному резистору настройки VR2 В качестве УНЧ используется универсальный интегральный операционный усилитель второго поколения на биполярных транзисторах 741 Схема индикатора настройки Транзистор Q3 подключен по схеме общего коллектора и поэтому обеспечивает высокое сопротивление в цепи настройки варикапа, и не нагружает ее. В качестве УНЧ используется универсальный интегральный операционный усилитель второго поколения на биполярных транзисторах 741, с нагрузкой на головные телефоны, но я думаю что его вполне можно зам

Добрый день дорогие друзья.

Я продолжаю перебирать и подчищать свои архивы, и вот мне попалось описание радиолюбительского регенеративный радиоприемник на диапазон 49м, который на мой взгляд может заинтересовать моих читателей, и который они легко смогут повторить ввиду простоты конструкции.

Схема приемника

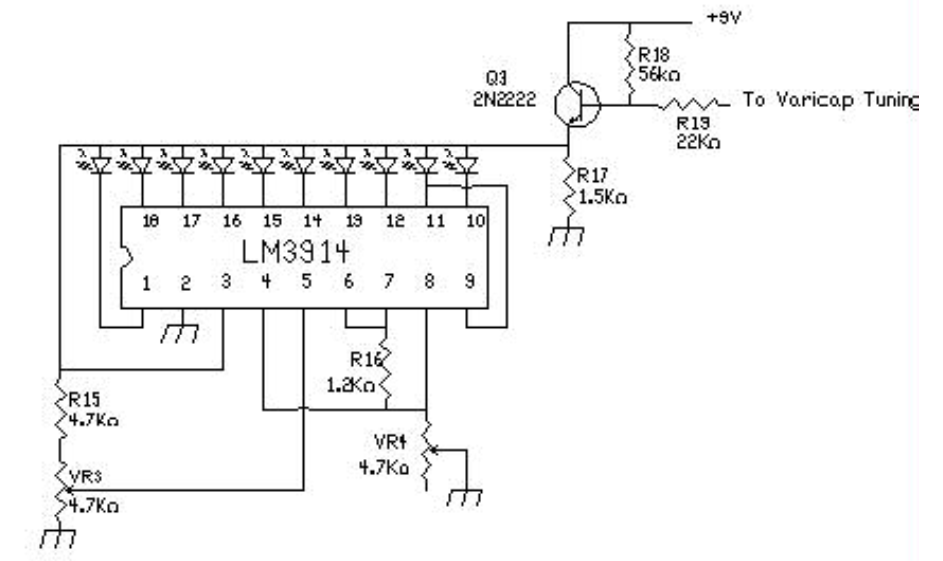
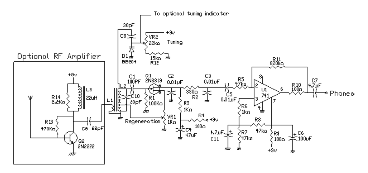
Особенностью схемы являются две дополнительные опции, это антенный усилитель на транзисторе Q2 и линейный светодиодный индикатор настройки на микросхеме LM3914 к переменному резистору настройки VR2

В качестве УНЧ используется универсальный интегральный операционный усилитель второго поколения на биполярных транзисторах 741

Схема индикатора настройки

-2

Транзистор Q3 подключен по схеме общего коллектора и поэтому обеспечивает высокое сопротивление в цепи настройки варикапа, и не нагружает ее.

В качестве УНЧ используется универсальный интегральный операционный усилитель второго поколения на биполярных транзисторах 741, с нагрузкой на головные телефоны, но я думаю что его вполне можно заменить каскадом УНЧ на микросхемах LM386, TDA2228, TDA2003 и тому подобное с нагрузкой на динамик.

Приемник не содержит дефицитных деталей и все они сведены в таблицу.

-3

Здесь следует обратить внимание, что в качестве переменного резистора настройки VR2 применяется ползунковый резистор, а D1 ВВ204 — «двойной» варикап с общим катодом и два анода соединены между собой. Единственной самодельной деталью является контур L1- L2, который наматывается на кольце из карбонильного железа T50-6 с магнитной проницаемостью: u=8, внешним диаметром: 12,7 мм, внутренним диаметром: 7,7 мм, высотой: 4,83 мм, цветовая маркировка: жёлтая. Думаю что у многих моих читателей есть в наличие старые ферритовые кольца из которых можно подобрать что то подобное

-4

L2 имеет 46 витков эмалированного медного провода D=0,38 мм, с отводом от 11 витка от заземленного конца. L1 — это 5 витков такого же провода поверх L2 от заземленного конца до отвода 11 витка.

Собирается приемник на печатной плате, расположение деталей не слишком критично, но L1/L2 желательно расположить подальше от каскада УНЧ

Пример расположения деталей приемника на плате.

-5

На этом у нас сегодня все.
Рекомендую посмотреть
Подборку публикаций моего канала, где Вы найдете статьи по рассмотренной выше теме, и множество других материалов, которые могут быть Вам интересны и полезны. Ставьте лайки, комментируйте, подписывайтесь и заходите на мой канал, есть много интересной и нужной информации для радиолюбителей