Добавить в корзинуПозвонить
Найти в Дзене
ILLUMINATOR

Неисправность частотного преобразователя якорной лебедки Р5.

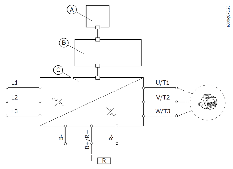
Где-то в шумных водах Каспийского моря... "Старшему электромеханику судна ********** Димитрову Тихомиру Ачеву. от судового электрика Ешимбетова А.К. Частотный преобразователь VACON типа NXP, установленный на якорных лебедках нашего судна, состоит из трех основных, так сказать, функциональных блоков (рис.1): Где: А – панель управления, В – блок управления, С – силовой блок. Панель управления используется для местного управления частотным преобразователем и электродвигателем, установки/изменения параметров и настроек, а также для мониторинга параметров частотного преобразователя. Силовой блок содержит силовую часть преобразователя (выпрямитель, промежуточное звено постоянного тока, фильтр, инвертор и тд). Блок управления состоит из платы управления (рис.2) и дополнительных плат, подключаемых в коннекторы А-Е (рис.2): Дополнительные платы в стандартную поставку не входят и заказываются отдельно. Их количество и тип зависит от выполняемых функций и задач электропривода. При возникшей неисп

Где-то в шумных водах Каспийского моря...

"Старшему электромеханику судна **********

Димитрову Тихомиру Ачеву.

от судового электрика Ешимбетова А.К.

Частотный преобразователь VACON типа NXP, установленный на якорных лебедках нашего судна, состоит из трех основных, так сказать, функциональных блоков (рис.1):

Рис.1.
Рис.1.

Где:

А – панель управления,

В – блок управления,

С – силовой блок.

Панель управления используется для местного управления частотным преобразователем и электродвигателем, установки/изменения параметров и настроек, а также для мониторинга параметров частотного преобразователя.

Силовой блок содержит силовую часть преобразователя (выпрямитель, промежуточное звено постоянного тока, фильтр, инвертор и тд).

Блок управления состоит из платы управления (рис.2) и дополнительных плат, подключаемых в коннекторы А-Е (рис.2):

Рис.2.
Рис.2.

Дополнительные платы в стандартную поставку не входят и заказываются отдельно. Их количество и тип зависит от выполняемых функций и задач электропривода.

При возникшей неисправности частотного преобразователя якорной лебедки Р5 на панели выходил аларм «43 Encoder fault» (рис.3).

Рис.3.
Рис.3.

Однако, если посмотреть информацию в меню аларма, можно узнать его подкод, который даст нам более конкретную информацию об аларме.

Подкод аларма был S3 (рис.4):

Рис.4.
Рис.4.

Подкод S3 означает потерю сигналов с обоих каналов энкодера: соответственно, частотный преобразователь «не видит» информации ни о скорости вращения ЭД, ни о направлении вращения.

Энкодер, установленный на электродвигателе, подключается к частотному преобразователю через специальную дополнительную плату, установленную в разъеме С (рис.1). В нашем случае это дополнительная плата типа ОРТА5 (рис.5 и 6):

Рис.5.
Рис.5.
Рис.6.
Рис.6.

Соответственно, возможная причина неисправности могла бы быть либо в вышедшем из строя энекодере, либо в соединительных проводах от частотного преобразователя до энкодера, либо в вышедшей из строя дополнительной плате ОРТА5 подключения энкодера.

Для проверки неисправности в дополнительной плате ОРТА5, данная плата была переставлена с частотного преобразователя другой якорной лебедки (рис.7 и 8).

Согласно руководства на частотный преобразователь, данная плата взаимозаменяемая и никаких настроек при перестановке плат делать не требуется.

Рис.7.
Рис.7.
Рис.8.
Рис.8.

После перестановки платы, неисправный частотный преобразователь исправно заработал, никаких ошибок не было (рис.9). Якорная лебедка была протестирована с Winch Operator и на травление, и на выбирание, никаких замечаний.

Рис.9.
Рис.9.

Следовательно, причиной неисправности является именно вышедшая из строя дополнительная плата ОРТА5 подключения энкодера.

На основании вышеописанного, для восстановления работоспособности частотного преобразователя якорной лебедки Р5 необходима срочная доставка на борт новой дополнительной платы ОРТА5 для замены неисправной.

Диагностику причины неисправности произвел судовой электрик Ешимбетов А.К."

ПОСТСКРИПТУМ:

Итак, данная плата ОРТА5 была заказана старшим электромехаником нашего судна. Когда плата была доставлена на борт, я ее успешно установил в замен вышедшей из строя и якорная лебедка Р5 вновь встала в строй.

ПОЛЕЗНЫЕ ССЫЛКИ:

Наш телеграм-чат электромехаников:

ELECTRO-TECHNICAL OFFICER

Царь-ссылка на весь медиа-контент канала ШАРАПОВ МЕХАНИК:

Sharapov_mechanic at Taplink

*****

BRGDS,

Alisher K. Eshimbetov.

Electro-Technical Officer (ETO).