Найти в Дзене
Лампа Электрика

Усилитель своими руками (DIY). Часть 3, мощные одноканальные УНЧ

В предыдущей части цикла мы говорили об усилителях мощности с электронным управлением громкости. Сегодняшняя тема — мощные одноканальные усилители низкой частоты. TDA1560 Микросхема представляет собой мощный одноканальный усилитель звуковой частоты высокой (Hi-Fi) верности воспроизведения. Оснащена защитой от перегрева, короткого замыкания и перегрузки, бросков питающего напряжения. Есть режим отключения Standby. Микросхема должна быть установлена на радиатор. Характеристики: Типовая схема включения: Печатная плата и расположение элементов: TDA1562 Микросхема представляет собой мощный одноканальный усилитель звуковой частоты высокой (Hi-Fi) верности воспроизведения. Оснащена термозащитой (переключение на пониженную выходную мощность при перегреве), защитой от короткого замыкания и перегрузки, бросков питающего напряжения. Есть режим отключения (Standby) и режим отключения выходного сигнала (Mute). Микросхема должна быть установлена на радиатор. Характеристики: Типовая схема включения:
Оглавление

В предыдущей части цикла мы говорили об усилителях мощности с электронным управлением громкости. Сегодняшняя тема — мощные одноканальные усилители низкой частоты.

TDA1560

Микросхема представляет собой мощный одноканальный усилитель звуковой частоты высокой (Hi-Fi) верности воспроизведения. Оснащена защитой от перегрева, короткого замыкания и перегрузки, бросков питающего напряжения. Есть режим отключения Standby. Микросхема должна быть установлена на радиатор.

Характеристики:

  • Напряжение питания, В — 8…18.
  • Ток покоя, мА — 100.
  • Ток выходной максимальный, А — 4.0.
  • Выходная мощность, Вт — 40.
  • Входное сопротивление, кОм — 180.
  • Коэффициент усиления, дБ — 30.
  • Полоса воспроизводимых частот, Гц — 20…20 000.
  • Коэффициент гармоник, % — 0.5.
  • Сопротивление нагрузки, Ом — 8.

Типовая схема включения:

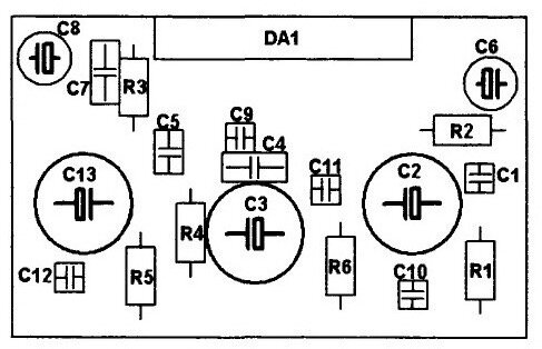
Печатная плата и расположение элементов:

TDA1562

Микросхема представляет собой мощный одноканальный усилитель звуковой частоты высокой (Hi-Fi) верности воспроизведения. Оснащена термозащитой (переключение на пониженную выходную мощность при перегреве), защитой от короткого замыкания и перегрузки, бросков питающего напряжения. Есть режим отключения (Standby) и режим отключения выходного сигнала (Mute). Микросхема должна быть установлена на радиатор.

Характеристики:

  • Напряжение питания, В — 8…18.
  • Ток покоя, мА — 110.
  • Выходной ток, А — 5.
  • Выходная мощность, Вт — 70.
  • Входное сопротивление, кОм — 150.
  • Коэффициент усиления, дБ — 26.
  • Полоса воспроизводимых частот, Гц — 20…20 000.
  • Коэффициент гармоник, % — 0.03.
  • Сопротивление нагрузки, Ом — 4.

Типовая схема включения:

-3

Печатная плата и расположение элементов:

TDA7294

Микросхема представляет собой мощный одноканальный усилитель звуковой частоты высокой (Hi-Fi) верности воспроизведения. Оснащена термозащитой (переключение на пониженную выходную мощность при перегреве), защитой от короткого замыкания и перегрузки, бросков питающего напряжения и щелчка при включении/отключении. Есть режим отключения (Standby) и режим отключения выходного сигнала (Mute). Питание микросхему двуполярное. Обязателен радиатор.

Характеристики:

  • Напряжение питания 1, В — -10…-40.
  • Напряжение питания 2, В — +10…+40.
  • Ток покоя, мА — 60.
  • Выходная мощность, Вт — 100.
  • Входное сопротивление, кОм — 100.
  • Коэффициент усиления, дБ — 30.
  • Полоса воспроизводимых частот, Гц — 20…20 000.
  • Коэффициент гармоник, % — 0.01.
  • Сопротивление нагрузки, Ом — 8.

Типовая схема включения:

-5

Печатная плата и расположение элементов:

На сегодня все, в следующей части мы поговорим об интегральных стереофонических усилителях звуковой частоты.