Найти в Дзене
Лампа Электрика

Усилитель своими руками (DIY). Часть 2, УНЧ электронная регулировка громкости

В предыдущей части цикла мы рассматривали цифровые регуляторы громкости с кнопочным управлением. Сегодня мы познакомимся с микросхемами оконечных усилителей звуковой частоты с электронной регулировкой громкости. TDA1013B Микросхема представляет собой усилитель звуковой частоты с электронной регулировкой громкости. Чип имеет защиту от перегрева, короткого замыкания по выходу и бросков питающего напряжения. Этот усилитель можно использовать как электронными регуляторами, так и с обычными потенциометрами. Характеристики: Типовая схема включения: Печатная плата и расположение элементов: TDA7056B Микросхема представляет собой усилитель звуковой частоты с электронной регулировкой громкости. Чип имеет защиту от перегрева, короткого замыкания по выходу и бросков питающего напряжения. Этот усилитель можно использовать как электронными регуляторами, так и с обычными потенциометрами. Отличительная особенность — работа при пониженном питающем напряжении. Характеристики: Типовая схема включения: Пе
Оглавление

В предыдущей части цикла мы рассматривали цифровые регуляторы громкости с кнопочным управлением. Сегодня мы познакомимся с микросхемами оконечных усилителей звуковой частоты с электронной регулировкой громкости.

TDA1013B

Микросхема представляет собой усилитель звуковой частоты с электронной регулировкой громкости. Чип имеет защиту от перегрева, короткого замыкания по выходу и бросков питающего напряжения. Этот усилитель можно использовать как электронными регуляторами, так и с обычными потенциометрами.

Характеристики:

  • Напряжение питания, В — 10…40.
  • Ток покоя, мА — 25.
  • Ток выходной максимальный, А — 1.5.
  • Выходная мощность, Вт — 4.
  • Коэффициент усиления, дБ — 90.
  • Полоса воспроизводимых частот, Гц — 30…40 000.
  • Коэффициент гармоник, % — 0.15.
  • Сопротивление нагрузки, Ом — 8.

Типовая схема включения:

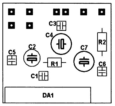
Печатная плата и расположение элементов:

TDA7056B

Микросхема представляет собой усилитель звуковой частоты с электронной регулировкой громкости. Чип имеет защиту от перегрева, короткого замыкания по выходу и бросков питающего напряжения. Этот усилитель можно использовать как электронными регуляторами, так и с обычными потенциометрами. Отличительная особенность — работа при пониженном питающем напряжении.

Характеристики:

  • Напряжение питания, В — 4.5…18.
  • Ток покоя, мА — 13.
  • Ток выходной максимальный, А — 1.5.
  • Выходная мощность, Вт — 3.5 (16 Ом), 5.5 (8 Ом).
  • Коэффициент усиления, дБ — 40.
  • Полоса воспроизводимых частот, Гц — 20…30 000.
  • Коэффициент гармоник, % — 0.3.
  • Сопротивление нагрузки, Ом — 8…16.

Типовая схема включения:

-3

Печатная плата и расположение элементов:

TDA7057AQ

Микросхема представляет собой двухканальный мостовой усилитель звуковой частоты с электронной регулировкой громкости и низковольтным питанием. В микросхеме предусмотрена защита от короткого замыкания по выходу и бросков питающего напряжения. Защиты от перегрева нет. Этот усилитель можно использовать как электронными регуляторами, так и с обычными потенциометрами.

Характеристики:

  • Напряжение питания, В — 4.5…8.
  • Ток покоя, мА — 22.
  • Ток выходной максимальный, А — 1.5.
  • Выходная мощность, Вт — 2х(3.5-8).
  • Входное сопротивление, кОм — 20
  • Коэффициент усиления, дБ — 40.
  • Полоса воспроизводимых частот, Гц — 20…20 000.
  • Коэффициент гармоник, % — 0.3.
  • Сопротивление нагрузки, Ом — 2х16.

Типовая схема включения:

-5

Печатная плата и расположение элементов:

С электронной регулировкой громкости все. В следующей части мы познакомимся с интегральными одноканальными усилителями большой мощности.