Найти в Дзене

Кран-балки 3,2 т — проверенное решение для ежедневной производственной нагрузки

Наш завод проектирует и производит кран-балки грузоподъемностью 3,2 тонны, ориентируясь на реальные запросы промышленных предприятий, складских комплексов, логистических центров и строительных площадок. Это один из самых востребованных классов грузоподъемности, обеспечивающий оптимальный баланс между производительностью, компактностью конструкции и стоимостью владения.

Мы изготавливаем:

  • Опорные кран-балки — используются в помещениях с прочными несущими конструкциями, позволяющими зафиксировать рельсы на колоннах или стенах.

-2

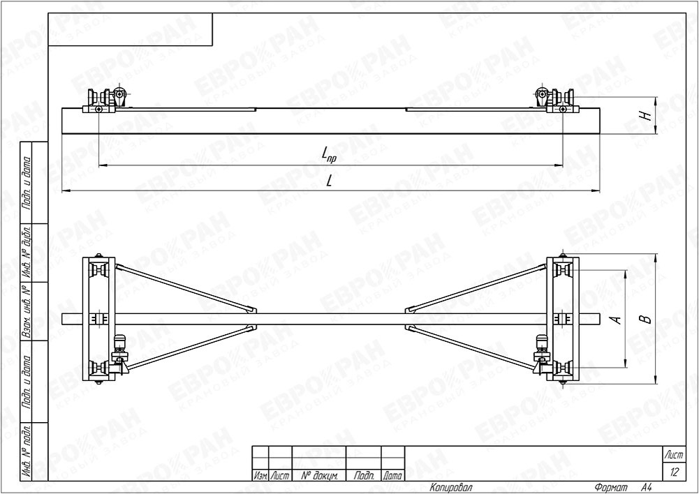
Мы производим краны с пролетами от 4,5 до 22,5 метров, а при необходимости — и более, по индивидуальному проекту. Высота подъема, тип тельфера, длина кранового пути и режим работы подбираются строго под задачу заказчика.

По желанию клиента возможно выполнение кран-балки в пожаробезопасном и взрывозащищенном исполнении, что делает нашу продукцию универсальной для любых условий эксплуатации — от литейных цехов до холодильных камер.

Реализованный проект для ПАО «Мостотрест»

Один из ярких примеров внедрения нашей продукции — проект для ПАО «Мостотрест», ведущей российской компании в сфере строительства и реконструкции мостов, дорог и инженерных сооружений. Заказчик — многопрофильный подрядчик, работающий на сложных и ответственных объектах по всей стране.

-3

В рамках сотрудничества мы изготовили и поставили подвесную кран-балку грузоподъемностью 3,2 т, пролет — 9,0 м, полная длина — 11,2 м. Комплектация: канатный тельфер болгарского производства, радиоуправление, микроскорости на подъем и передвижение, навес для стоянки тали, покраска в специальный цвет.

Благодаря внедрению современных кран-балок 3,2 т «Мостотрест» получил:

  • ускорение логистики внутри строительных площадок;
  • снижение времени на перемещение и сборку конструкций;
  • повышение безопасности и эффективности труда персонала.

Мы гордимся сотрудничеством с ведущими строительными организациями страны и уверены, что надежная кран-балка — это не просто оборудование, а инструмент стабильного роста и эффективности на любом этапе производственного процесса.