Найти в Дзене
Старые схемы...

Приставка к стабилизатору на LM317T, КР142ЕН12А, для регулировки выходного напряжения от нуля.

Иногда требуется получить напряжение на выходе стабилизатора меньше минимального. Например, когда необходимо проверить работу какого-то устройства от севшей батарейки. Для понижения напряжения на выходе стабилизатора можно использовать диоды. Если нагрузка носит импульсный характер, желательно использовать высокочастотные диоды. Нагрузочный резистор необходим для того, что бы получить низкое напряжение на выходе схемы. Без этого сопротивления, при подключении нагрузки, имеющей высокое сопротивление, напряжение на выходе схемы, будет иметь значение близкое к напряжению на входе. Так же желательно подключить пару конденсаторов к выходу схемы. Для повышения плавности регулировки выходного напряжения можно использовать повторитель на транзисторе. База транзистора подключена к делителю напряжения на 3, учитывая то, что в схеме используется составной транзистор, то для получения выходного напряжения в 1В на выходе, потребуется дать на вход схемы напряжение около 7В. Качество стабилизации вы
Фото. Испытание приставки на транзисторе.
Фото. Испытание приставки на транзисторе.

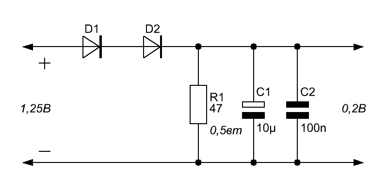
Иногда требуется получить напряжение на выходе стабилизатора меньше минимального. Например, когда необходимо проверить работу какого-то устройства от севшей батарейки.

Рисунок 1.
Рисунок 1.

Для понижения напряжения на выходе стабилизатора можно использовать диоды. Если нагрузка носит импульсный характер, желательно использовать высокочастотные диоды. Нагрузочный резистор необходим для того, что бы получить низкое напряжение на выходе схемы. Без этого сопротивления, при подключении нагрузки, имеющей высокое сопротивление, напряжение на выходе схемы, будет иметь значение близкое к напряжению на входе. Так же желательно подключить пару конденсаторов к выходу схемы.

Рисунок 2.
Рисунок 2.

Для повышения плавности регулировки выходного напряжения можно использовать повторитель на транзисторе. База транзистора подключена к делителю напряжения на 3, учитывая то, что в схеме используется составной транзистор, то для получения выходного напряжения в 1В на выходе, потребуется дать на вход схемы напряжение около 7В. Качество стабилизации выходного напряжения у такой схемы не очень высокое, но в большинстве случаев этого не требуется.

При желании можете посмотреть: Блок питания на LM317T, КР142ЕН12А с выходом от нуля.