Добавить в корзинуПозвонить
Найти в Дзене
ON/OFF

Простой умзч с управлением на ардуино

Всем привет. Как правило самодельщиков не интересует маломощные усилители и стремятся собрать огромный ящик, желательно весом кг 15, потом потешить свое самолюбие на форумах картиночками и наличием конденсаторов в фильтре под 100 тыс мкФ ). По факту, далеко не у каждого имеется качественная акустика свыше 30 литров, чтоб вообще можно было судить, услышать разницу и смысла собирать такие ящики - просто нет. В наших комнатушках более чем достаточно мощности 10-20 Ватт а с учетом той акустики, которая есть в наличии - зачем тогда гнаться за КНИ 0,00... % ? С другой стороны, сейчас полно готовых решений, которые можно приобрести в известном магазине - соединить провода и вуаля - готов ! Только как вообще можно тогда это называть хобби ? где тот кайф от сборки - когда в конечном итоге можно сказать себе - это мое, ручной сборки - как Bentley только в электронике). В этой статье я хочу поделится простым и в тоже время многофункциональным усилителем на микросхеме LA4450 и аудиопроцессоре R2A1

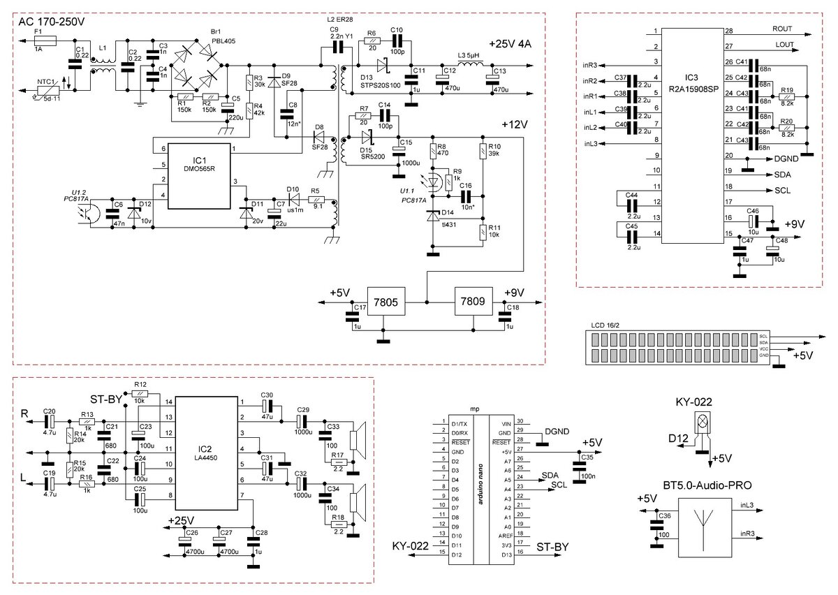
Всем привет. Как правило самодельщиков не интересует маломощные усилители и стремятся собрать огромный ящик, желательно весом кг 15, потом потешить свое самолюбие на форумах картиночками и наличием конденсаторов в фильтре под 100 тыс мкФ ). По факту, далеко не у каждого имеется качественная акустика свыше 30 литров, чтоб вообще можно было судить, услышать разницу и смысла собирать такие ящики - просто нет. В наших комнатушках более чем достаточно мощности 10-20 Ватт а с учетом той акустики, которая есть в наличии - зачем тогда гнаться за КНИ 0,00... % ? С другой стороны, сейчас полно готовых решений, которые можно приобрести в известном магазине - соединить провода и вуаля - готов ! Только как вообще можно тогда это называть хобби ? где тот кайф от сборки - когда в конечном итоге можно сказать себе - это мое, ручной сборки - как Bentley только в электронике). В этой статье я хочу поделится простым и в тоже время многофункциональным усилителем на микросхеме LA4450 и аудиопроцессоре R2A15908SP с управлением на ардуино . Схема:

В статье будет мало расчетов и чтоб ее сделать полезной я уделю больше практической стороне вопроса реализации и поделюсь своим скромным опытом. Тех задание для себя ставил - поставить на дальнюю полку и забыть) поэтому все управление на пульте, в тоже время он должен быть прост в реализации и занимать немного места, отсюда применение мною микросхемы в качестве усилителя LA4450 которая имеет режим Standby, ей не нужно допом защита акустики и вполне приличная мощность до 20 Ватт на 4-х Омную нагрузку, но начнем по порядку.

R2A15908SP: Аудиопроцессор - это сердце проекта, качественный, простой с широкими возможностями - регулировками тембра, громкости, баланса, режимов Surround, Stereo/Mono, 5-ти канальным коммутатором входа( в моем случае задействованы 3) с предусилителем для каждого канала. По одному входу, для удобства, добавил возможность приема сигнала по блютус, модуль BT5-Audio. Управляется все ИК пультом с помощью ардуино нано. Все собрано навесным монтажом:

-2

Скетч написал Александр Лиман (liman324) профи своего дела, за что ему огромное спасибо, на его форуме Вы можете найти еще много чего *вкусного*.

БП: В качестве блока питания задействовал ранее описанный мною обратноходовой драйвер DMO565R, расчет:

-3

Да, мощность превышает номинал, это необходимый пиковый ток потребления по даташиту LA4450 но, надо понимать что я не превысил амплитуду тока ключа в 2.8 А мс и здесь по факту динамический характер потребления а это процентов 40 от заявленного, при постоянной нагрузке такой расчет конечно не есть - хорошо. Не большая хитрость позволила мне сделать блок питание мощностью 100 Ватт размером 9*5,5 сантиметров, заняв минимум места в моем не большом корпусе. Отдельное питание 12 Вольт линейных стабилизаторов снижает потери. Шимка имеет режим хх, что решает вопрос о необходимости дежурного питания в спящем режиме ардуинки. По этой причине емкости С15,26,27 намного больше расчетного - это увеличивает время между тактами режима хх, что дает плюс к КПД и в то же время *добротные* емкости С24,25 дают необходимый запас по току в динамической нагрузке. Расположение на плате УМЗЧ у МС компенсируют индуктивную составлявшую паразитки проводов и печати, две, параллельно снижают общий ESR емкости. В качестве демпфера применил ранее описанный мною, что прибавляет общий КПД иип. Распрастранненый 28 сердечник можно найти в любом завалявшемся блоке питания, что бы разобрать трансформатор - достаточно нагреть его в микроволновке 2-3 минуты, поставив рядом стакан с водой. По опыту, как бы не был склеен в микроволновке все равно отойдет. А вы до сих пор кипятите?)

Корпуса сердечников довольно слабы и неловкое движение его может сломать. Здесь берем самый дешевый супер клей с Fix Price, наносим и сверху засыпаем обычной пищевой содой - это упрочит поверхность, даст закаменелый вид.

Остается немного шлифануть при необходимости
Остается немного шлифануть при необходимости

При намотки дросселя соблюдаем начало и конец обмотки, первичку делим на две части для снижения рассеяния. Первым мотается первая половина первички, далее самозапит, вторичка - обе обмотки, жгутом, вторая половина первички и в конце 48 витков демпфера. Жгут накручивается шуруповертом. Далее нам надо залудить и спаять выводы. И порой снять изоляцию с тонких проводов бывает довольно сложно, я для себя решил эту проблему так:

Аккуратно сносим изоляцию шлифовальным сверлом
Аккуратно сносим изоляцию шлифовальным сверлом

Не забываем одевать изоляцию на выводы дросселя, я использую обычную термоусадочную трубку.

Далее собираем и зазором, по прибору подгоняем необходимую индуктивность первички. Подобную шимку не запустить отдельным блоком питания, поэтому вместо сетевой емкости впаиваем конденсатор на 1 мкФ 400 вольт и последовательно с иип подключаем лампу накаливания 40-60 Ватт. Блок питания прост и если Вы все правильно сделали, ни каких фейерверков быть не должно. Здесь надо понимать, что речь идет о режиме ССМ и возможно появление писка или джитера частоты, тогда корректируем ОС - емкость С16, С6. С указанными номиналами я запустил сразу - ничего делать не пришлось - даже скучно). После окончательной сборки и наладки я покрываю плату спец лаком plastik-71 в два слоя а сам дроссель автомобильным, он стоек к нагреву и его склеивает.

Двухсторонная печатная плата.

-6

Применение такой платы в усилителях решает много проблем, от возможного фона при неверной разводки до экранировки от сторонних наводок, понижает общую индуктивность печати. Да - она сложнее в изготовлении, но это только на первый взгляд. Плату отрезаем с запасом в пару мм ножницами:

-7

Далее мелкой наждачной бумагой убираем окислы, именно мелкой! наша задача снять *пыль* а не оставить крупные царапины - которые в конечном итоге повлияют на *припайку* тонера и качество дороги.

-8

И не лапая пальцами, стираем любым не жирным растворителем я использую обычный ацетон. В качестве бумаги я одно время использовал желтую термотрансферную от китайских друзей, но эти товарищи достаточно надежны ) и вторую партию прислали с качеством - ни в какие ворота. Перешел на глянцевую фотобумагу 180 г/м и лучшего пока не знаю исходя из своего опыта. Перед распечатыванием надо разогреть принтер, пропустив обычную бумагу с печатью, при этом верхнюю сторону зеркалим. Собираем на свету обе стороны - соединяя отверстия:

-9

И фиксируем степлером перед отправкой в этот *конверт* печатной платы. В моем же случае, на второй стороне дорог нет и достаточно просто распечатать вторую сторону и наложить на первую. Для переноса тонера я использую ламинатор FGK230 и чтобы поднять его рабочею температуру отодвинул датчик на 5 мм от вала. Прокатываю печать вплоть до пожелтения бумаги и получаю плюс - минус такой результат:

-10

Правлю *косяки* перманентным маркером и отправляю в раствор хлорного железа. Да, процесс довольно не фотогеничен) и есть способы лучше, но это с лихвой отбивается стоимостью такого травления. Слив раствор в банку - его еще много раз можно применить, я меняю только когда время травления превышает пару часов - куда спешить ? Далее железной посудной щеткой в проточной воде убираем тонер:

Дорожки 0.65мм
Дорожки 0.65мм

Пометив на обратной стороне отверстие где не надо убирать медь, шлифовальным сверлом *зенкуем* отверстия:

-12

Готово - сложно ?) результат радует глаз:

-13

Плату я не лужу, для чего ? если Вы соблюдаете правила при разработке печатной платы, дополнительно увеличивать сечение дороги смысла нет. А покрытые лаком платы много лет служат не покрываясь налетом. Из практики бывает моменты когда нет просто времени собрать плату и тогда я ее покрываю флюсом ЛТИ-120 кисточкой, это убережет плату от окиси и можно не опасаясь положить ее в долгий ящик, до *хороших* времен.

Здесь можно не беспокоиться куда припаивать *землю*. В схеме процессора применил по входу полипропилен и в коммутации лавсан. У этих высоковольтных конденсаторов оптимален тангенс угла потерь и отсюда мин влияние на звук. Дело в том что, эквивалентная схема конденсатора это - резистор, конденсатор, индуктивность и сам по себе он частотно зависим, где в каждой *области* проявляются свои *проблемы* паразитки:

Более подробно о конденсаторах поговорим при сборке резонансной топологии иип.
Более подробно о конденсаторах поговорим при сборке резонансной топологии иип.

Низкая частота - носит емкостный характер и чем выше - тем больше потерь связанных с индуктивной составляющей паразитки ESL и резистивной ESR, практически теряется номинал емкости. По этой причине я предпочитаю шунтировать электролиты пленочным или NPO конденсатором в 1 мкФ вместо *традиционных* 100n. Образно тангенс угла потерь - это отношение между активной и реактивной составляющей общих потерь конденсатора. Более подробную информацию можно найти в интернете. С другой стороны, на рынке есть *аудиофильские* конденсаторы с отличными характеристиками, но давайте будем благоразумными, это больше маркетинг и возможности современной промышленности - Вы услышите разницу между 0.03 и 0.04 КНИ ? Имхо. Здесь исхожу из их достаточности. Срез входного фильтра УНЧ С19,20,21,22. R13,14,15,16 рассчитывается под затухание выше порога слышимости, тем самым, мы улучшаем стабильность работы УНЧ и минимизируем влияние фильтра на слышимый диапазон частот:

НЧ = F=1/2πRC= С19,20. R14,15 = 1/6.28*20k*4.7u=1.69Гц

ВЧ = F=1/2πRC = C=1/2πRF = С21,22. R16,13.= 1/6.28*1k*250кГц=636р или 680рФ

Конденсаторы С29,32 взял фирмы Jamicon с низким ESR. Цепь Зобеля С33,34 R17,18. Гасит колебания индуктивной составляющей нагрузки и их влияние на ОС. Взял что было в наличии 100 нФ и 2.2 Ома , тогда:

F=1/2πRC=1/6.28*2.2*0.000001=723 кГц = что довольно много, оптимально брать срез 100-150 кГц. В качестве конденсаторов использовал лавсан.

Радиатор МС рассчитывается исходя нагрузки, питания :

Pdmax=Vcc^2/2*π^2*RL = 25^2/2*3.14^2*4 = 7.9 Ватт

Это примерные потери которые должен рассеять радиатор, в даташит приводиться удобная таблица для расчета:

-15

Вот собственно и все, немного фоток :

Блок LA4450
Блок LA4450
иип DMO565
иип DMO565
-18

Сигнал с генератора

-19
Выводы делать Вам.
Выводы делать Вам.

Делал замеры варварским способом)

-21

резистор подсветки LCD увеличен до 200 Ом
резистор подсветки LCD увеличен до 200 Ом
-23

Общее мнение - для задачи, подключить к компьютеру для просмотров роликов ютуб, кино и если надо в телефоне музыку, этого умзч достаточно - низов и верха *хватает*. Что то более и если есть *хорошая* акустика у компьютера - лучше брать *прогрессивное* например ту же TDA7294 или LM3886, делать полноценный умзч с двуполярным питанием и т.д . И что не получилось - слабо слышимый высокочастотный шум, с которым я не разобрался, это мой первый опыт постройки подобного умзч, буду благодарен подсказке.

Все необходимые файлы здесь.

Всем Спасибо.