Найти в Дзене

Атмосферная трубчатая установка системы Фостера - Виллера

В продолжении статьи "Внедрение трубчатых установок в нефтепереработке России" хочу рассказать об атмосферной трубчатке системы Фостера - Виллера. В августе 1930 года атмосферная трубчатка производства американской компании Фостер - Виллер была построена в Грозном, являвшимся в то время одним из центров нефтепереработки и нефтедобычи, наряду с Батуми и Баку. Установка проектировалась: Трубчатые установки Фостера, которые были построены в Грозном и Батуми, имели схожую схему: 1. Нефть, подогревалась последовательно: 2. После нагрева до необходимой температуры нефть поступала в колонну 15, где от нее отделялись пары, которые двигаясь восходящим потоком подвергались ректификации и разбивались на ряд фракций: 3. Стриппинги были стандартными и были оборудованы всего 2 тарелками, что в основном было недостаточным, чтобы улучшить ректификацию и являлось причиной значительного повышения количества острого орошения.
4. Проектная производительность установки составляла 2000 т/сутки, при
следующ

В продолжении статьи "Внедрение трубчатых установок в нефтепереработке России" хочу рассказать об атмосферной трубчатке системы Фостера - Виллера.

В августе 1930 года атмосферная трубчатка производства американской компании Фостер - Виллер была построена в Грозном, являвшимся в то время одним из центров нефтепереработки и нефтедобычи, наряду с Батуми и Баку.

Установка проектировалась:

  • для переработки грозненской парафинистой нефти;
  • с отбором светлых до 50%, что сопоставимо с работой современных атмосферных блоков;
  • производительностью до 2,0 тыс. тонн в сутки или 0,73 млн. тонн в год при работе 8000 часов.
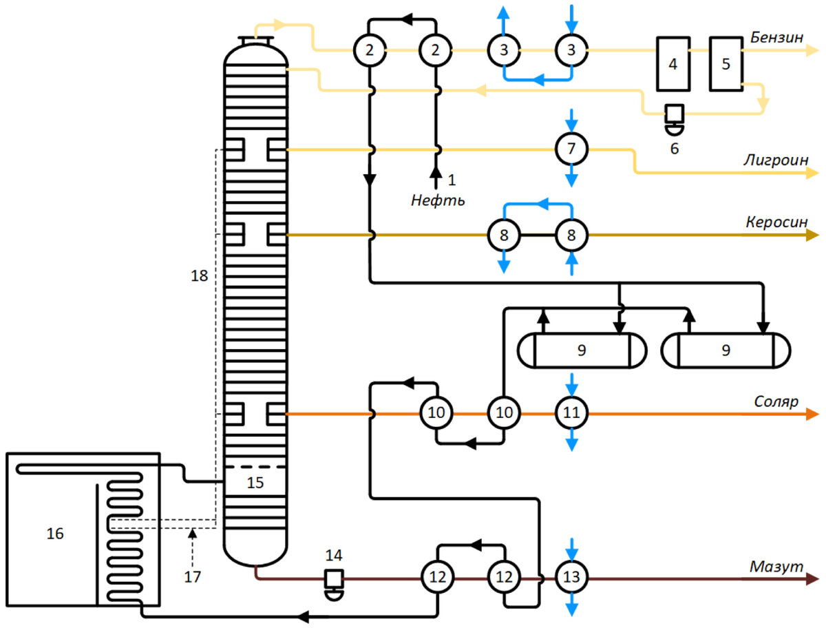
Атмосферная трубчатка системы Фостера-Виллера: 1 - сырьевой насос, 2 - бензиновый регенератор; 3 - бензиновый холодильник; 4 - водоотделитель; 5 - рефлюксный резервуар; 6 – рефлюксный насос; 7 - лигроиновый холодильник; 8 - керосиновый
холодильник; 9 - водоперегреватель; 10 - соляровый регенератор; 11 - соляровый холодильник; 12 - мазутный регенератор; 13 – мазутный холодильник; 14 – мазутный насос; 15 - ректификационная колонна; 16 – трубчатая печь; 17 - мятый пар; 18 – перегретый пар в колонну
Атмосферная трубчатка системы Фостера-Виллера: 1 - сырьевой насос, 2 - бензиновый регенератор; 3 - бензиновый холодильник; 4 - водоотделитель; 5 - рефлюксный резервуар; 6 – рефлюксный насос; 7 - лигроиновый холодильник; 8 - керосиновый холодильник; 9 - водоперегреватель; 10 - соляровый регенератор; 11 - соляровый холодильник; 12 - мазутный регенератор; 13 – мазутный холодильник; 14 – мазутный насос; 15 - ректификационная колонна; 16 – трубчатая печь; 17 - мятый пар; 18 – перегретый пар в колонну

Трубчатые установки Фостера, которые были построены в Грозном и Батуми, имели схожую схему:

1. Нефть, подогревалась последовательно:

  • в теплообменниках 2 теплом бензиновой фракции с верха атмосферной колонны 15;
  • в теплообменниках 10 теплом соляровой фракции;
  • в теплообменниках 12 теплом мазутной фракции с куба колонны 15;
  • в печи 16.

2. После нагрева до необходимой температуры нефть поступала в колонну 15, где от нее отделялись пары, которые двигаясь восходящим потоком подвергались ректификации и разбивались на ряд фракций:

  • наиболее легкая бензиновая фракция, в виде парогазовой смеси, отбиралась сверху колонны 15;
  • лигроиновая фракция в жидком виде отбиралась с верхнего стриппинга, который располагался внутри колонны;
  • керосиновая фракция отбиралась со среднего стриппинга, находящегося внутри колонны;
  • соляровая фракция отбиралась с нижнего стриппинга, также расположенного в корпусе колонны 15.

3. Стриппинги были стандартными и были оборудованы всего 2 тарелками, что в основном было недостаточным, чтобы улучшить ректификацию и являлось причиной значительного повышения количества острого орошения.
4. Проектная производительность установки составляла 2000 т/сутки, при
следующих гарантированных показателях:

  • отбор мазутной фракции не более 55 % масс;
  • потребление топлива 1,65% масс. на нефть;
  • отбор светлых продуктов не менее 50% масс.

5. Проектная номенклатура продуктов была следующей:

  • лёгкий бензин (1-й сорт) НК-160 °С;
  • лигроин (фракция 160-200 °С);
  • керосин (фракция 200-270 °С);
  • соляр (фракция 270 °Си выше).

6. Фактический отбор светлых на установке не превышал 47-48% в соотношении:

  • лёгкого бензина до 12,5%;
  • лигроина до 7,5%;
  • керосина до 17%
  • соляра до 11%.

7. Чёткость разделения фракций оставляла желать много лучшего, наложение фракций составляло:

  • для бензина и лигроина 200 °С;
  • для лигроина и керосина 150 °С.

8. Ключевыми аппаратами установки являлись печь и ректификационная колонна.
9. Характеристики печи системы Фостер-Виллера были следующими:

  • радиантно-конвекционного типа с вертикальным потоком газов;
  • объём топочного пространства - 445 куб.метров;
  • сечение конвекционной камеры внизу 133 куб.метров;
  • поверхность нагрева труб конвекционной
    камеры: без насадки 292,8 куб.метров, с насадкой 1115 куб.метров.

10. Ректификационная колонна установки системы Фостер-Виллера имели характеристики:

  • высотой 24,3 м;
  • диаметром 3,96 м;
  • тарелки применялись колпачковые, в том числе тарелки
    выпарных секций.

Конструкция ректификационной колонны в процессе работы установки потребовала усовершенствования.

Чтобы улучшить погоноразделение в улучшенном способе
перегонки
нефти на трубчатках Фостер-Виллера, запатентованном грозненскими нефтепереработчиками в 1934 г., стриппинг-секции заменялись отдельными стриппинг-колоннами, которые в то время называли отпаривающими колоннами.

В наши дни отдельно стоящие стриппинг-колонны являются типовым конструктивным решением для атмосферных колонн.

Конструктивное оформление установки допускало работу при
повышенном, атмосферном и пониженном давлениях.
Проектная производительность грозненской трубчатой установки «Фостер-Виллера» была достигнута только в 1933-1934 гг. за счёт доработки российской инженерной мыслью.

Если статья была вам интересной и полезной, ставьте лайк, а если хотите ежедневно получать новые статьи и узнавать больше о нефтепереработке, то подписывайтесь на канал.