Добавить в корзинуПозвонить
Найти в Дзене

Как выбрать межблочный кабель

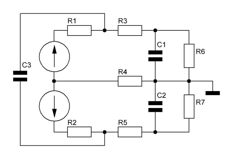
В этой статье максимально емко и просто рассмотрены параметры межблочных кабелей, которые при определенных условиях могут внести изменения в проходящий по ним электрический сигнал, в том числе в области слышимых человеком частот. Современные пассивные аудио системы как правило состоят из источника сигнала, усилителя и акустических систем. Перечисленные элементы между собой соединяются специализированным проводом: межблочным кабелем соединяется источник с усилителем; акустическим кабелем — усилитель с акустическими системами. Наибольшее влияние на параметры электрического сигнала, в таком случае может быть оказано именно межблочным кабелем. На представленной ниже электрической схеме, эквивалентно изображено соединение стерео усилителя с источником через стерео кабель с общим проводом. Анализируя эквивалентную схему справедливо отметить, что внутреннее (выходное) сопротивление в сумме с сопротивлением провода (R1+R3+R4 для левого канала и R2+R4+R5 для правого каналов) и емкости между общ

В этой статье максимально емко и просто рассмотрены параметры межблочных кабелей, которые при определенных условиях могут внести изменения в проходящий по ним электрический сигнал, в том числе в области слышимых человеком частот.

Современные пассивные аудио системы как правило состоят из источника сигнала, усилителя и акустических систем. Перечисленные элементы между собой соединяются специализированным проводом: межблочным кабелем соединяется источник с усилителем; акустическим кабелем — усилитель с акустическими системами. Наибольшее влияние на параметры электрического сигнала, в таком случае может быть оказано именно межблочным кабелем. На представленной ниже электрической схеме, эквивалентно изображено соединение стерео усилителя с источником через стерео кабель с общим проводом.

R1, R2 — внутреннее сопротивление источника; R3, R4, R5 — сопротивление провода левого, общего и правого каналов акустического кабеля соответственно; R6, R7 — входное сопротивление УНЧ; C1, C2 — емкость между проводами левого и общего, правого и общего каналов соответственно; C3 — емкость между проводом левого и правого каналов.
R1, R2 — внутреннее сопротивление источника; R3, R4, R5 — сопротивление провода левого, общего и правого каналов акустического кабеля соответственно; R6, R7 — входное сопротивление УНЧ; C1, C2 — емкость между проводами левого и общего, правого и общего каналов соответственно; C3 — емкость между проводом левого и правого каналов.

Анализируя эквивалентную схему справедливо отметить, что внутреннее (выходное) сопротивление в сумме с сопротивлением провода (R1+R3+R4 для левого канала и R2+R4+R5 для правого каналов) и емкости между общем проводом С1 для левого канала и С2 для правого канала, образуют RC фильтр нижних частот первого порядка. Емкость между проводами левого и правого каналов — С3, оказывает влияние на взаимопроникновение каналов. При этом глубина взаимопроникновения в данном случае будет зависеть от частоты электрического сигнала, т.е. с увеличением частоты проходящего электрического сигнала С3 будет оказывать все меньшее реактивное сопротивление, следовательно взаимопроникновение каналов будет возрастать.

Величина внутреннего (выходного) сопротивления для источников, в случае когда речь идет о линейном (универсальном) выходе установлена стандартом и не может превышать 2,2 кОм. Величина внутреннего (входного) сопротивления УНЧ так же нормировано, и для линейных входов находиться в диапазоне 10 — 50 кОм.

Для установления возможных величин сопротивления и емкости межблочного провода было проведено небольшое экспериментальное исследование, в ходе которого были установлены следующие величины искомых параметров:

Таблица с значениями тестируемых параметров для выбранных межблочных кабелей.
Таблица с значениями тестируемых параметров для выбранных межблочных кабелей.

Для определения виляния полученных значений характеристик проводов используются фундаментальные математические формулировки, для расчета RC фильтров первого порядка, а так же для определения реактивного сопротивления конденсатора на заданной частоте. Результаты расчетов представлены в таблице ниже:

Результаты расчетов частоты среза и реактивного сопротивления для тестируемых межблочных кабелей. При расчете частоты среза выходное сопротивления источника (R1 и R2) принималось равным 2 кОм.
Результаты расчетов частоты среза и реактивного сопротивления для тестируемых межблочных кабелей. При расчете частоты среза выходное сопротивления источника (R1 и R2) принималось равным 2 кОм.

Получение значения частоты среза для всех тестируемых кабелей находиться даже не за гранью порога слышимости человека, а за гранью пропускной способности усилителей низкой частоты. При этом даже при условии, что сама схема УНЧ стабильно работает в области 1 МГц, как правило конструкторами во входных цепях предусматривается ограничение полосы пропускания частот по уровню -3дБ в границе 300 кГц, с целью предотвращения самовозбуждения усилителя от паразитных наводок, источники которых могут располагаться как внутри УНЧ, так и быть внешними.

Для значений величины реактивного сопротивления, образованного емкостью между проводами левого и правого канала, ситуация несколько хуже, а именно в наихудшем из полученных значений (кабель Vention) — 36 кОм на частоте 40 кГц разделение каналов составит не более 26 дБ. При этом для частоты 20кГц реактивное сопротивление составит 72 кОм, а р разделение каналов не превысит уровень в 32 дБ. Для частоты в 10 кГц разделение каналов будет находиться на уровне 38 дБ.

Наилучшие показатели для этого параметра у кабеля BL 1066, разделение каналов на частотах 40, 20 и 10 кГц будет на уровне 37, 43 и 50 дБ соответственно.

Ёмкость между проводом левого и правого каналов, С3, имеет значимые (измеряемые) величины в случае когда проводники левого и правого каналов расположены в непосредственной близости друг от друга (в кабеле с общей изоляцией). Для раздельных кабелей данный параметр не имеет актуальных значений.

Следует понимать, что увеличение емкости происходит с увеличением длинны кабеля, увеличением сечения кабеля. Кроме этого экранированный кабель как правило имеет большую емкость между сигнальными проводами и общим проводом, т.к. площадь полноценного экрана значительно больше площади сечения сигнальных проводников.

Кроме того, очень важно понимать, что для домашней системы, где длина межблочного кабеля как правило не превышает трех метров, сопротивление проводников межблочного кабеля несопоставимо мало в сравнении с выходным сопротивлением источника сигнала, по этому учитывать этот параметр попросту не имеет смысла.

Очень важно! Все расчеты, выводы и утверждения в данной статье справедливы при условии соединения источника и УНЧ по средствам линейного канала. Для источников с высокоомными выходами ( например прямое подключение головки звукоснимателя к внешнему фонокорректору, подключение электрогитары к усилителю и т.п.) влияние рассмотренных параметров возрастает в значительной степени. Так например, при использовании кабеля Vention при непосредственном подключении головки проигрывателя MF типа к фонокорректору частота среза Fв, по уровню -3 дБ составит 23,9 кГц, что очень близко к слышимому порогу, а с учетом плавности работы фильтров первого порядка начало этого среза будет находиться в районе 8 — 10 кГц, что безусловно является слышимой частотой для человека.

В завершении отмечу, что предпочтения в использовании межблочных кабелей всегда будет ваш личный выбор, а я лишь максимально честно изложил все известные для меня параметры которые мы может зафиксировать и перепроверить, с четким пониманием того какое именно влияние будет оказывать каждый из рассмотренных параметров.