Добавить в корзинуПозвонить
Найти в Дзене
Старый радио любитель

Л.р. Исследование простейшего кварцевого фильтра на двух кристаллах.

Прежде чем делать 4-х кристальный фильтр решил посмотреть, что можно получить от простого двухкристального фильтра. Какое влияние оказывают различные элементы на ее АЧХ. Для этого я собрал простейший стенд. Он состоит из двух эмиттерных повторителей, необходимых для согласования входного и выходного сопротивления фильтра (выделен красным пунктиром) с выходом и входом NanoVNA. Цепочка R5,R6 позволяют менять сопротивление нагрузки фильтра. Питание, как всегда, от двух Li-ion аккумуляторов. Я уже писал о кварцевых резонаторах и их свойствах. Напомню эквивалентную схему кварца. В соответствии с ней кварцевый резонатор имеет две частоты резонанса: последовательную fs (контур Cs+Ls) и параллельную fp (контур (Cp+Cs)+Ls) Вот как это выглядит на NanoVNA: Резонансный интервал между fs и fp обычно составляет 0,2 - 0,3% от частоты fp. Соответственно, чем выше частота кварца, тем больше абсолютное значение резонансного интервала. А он оказывает большое влияние на возможную полосу пропускания кварц

Прежде чем делать 4-х кристальный фильтр решил посмотреть, что можно получить от простого двухкристального фильтра. Какое влияние оказывают различные элементы на ее АЧХ.

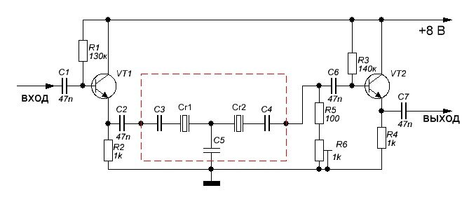
Для этого я собрал простейший стенд.

Рис. 1.
Рис. 1.

Он состоит из двух эмиттерных повторителей, необходимых для согласования входного и выходного сопротивления фильтра (выделен красным пунктиром) с выходом и входом NanoVNA. Цепочка R5,R6 позволяют менять сопротивление нагрузки фильтра. Питание, как всегда, от двух Li-ion аккумуляторов.

Рис. 2.
Рис. 2.

Я уже писал о кварцевых резонаторах и их свойствах. Напомню эквивалентную схему кварца.

Рис. 3.
Рис. 3.

В соответствии с ней кварцевый резонатор имеет две частоты резонанса: последовательную fs (контур Cs+Ls) и параллельную fp (контур (Cp+Cs)+Ls) Вот как это выглядит на NanoVNA:

Рис. 4.
Рис. 4.

Резонансный интервал между fs и fp обычно составляет 0,2 - 0,3% от частоты fp. Соответственно, чем выше частота кварца, тем больше абсолютное значение резонансного интервала. А он оказывает большое влияние на возможную полосу пропускания кварцевого фильтра. Поэтому на высоких частотах (30 - 50 МГц) сделать фильтр с полосой пропускания 2,5 кГц довольно затруднительно (у приемников с преобразованием "вверх" полоса первого фильтра обычно 10 - 12 кГц).

Этот интервал можно в некоторых пределах уменьшить, подключив параллельно резонатору конденсатор небольшой емкости. Вот и я подключил конденсатор 5 пФ параллельно резонатору, АЧХ которого изображена на рис. 3.

Рис. 5.
Рис. 5.

Как видно, частота параллельного резонанса осталась неизменной, а частота последовательного - сдвинулась вниз и резонансный интервал уменьшился с примерно с 19,5 кГц до 7,6 кГц.

Теперь перейдем к фильтрам.

Рис. 6.
Рис. 6.

Конденсаторы С1 и С2 имеют обычно одинаковую емкость в зависимости от частоты фильтра от 10 до 100 рФ. Так эти конденсаторы включены последовательно с резонаторами, то они не только сдвигают низкочастотный скат АЧХ в сторону более высоких частот, но и добавляют свою долю к входному и выходному сопротивлению.

Конденсатор С3 оказывает большое влияние на ширину полосы пропускания фильтра: чем больше его емкость, тем уже полоса пропускания. Если вместо постоянного конденсатора поставить переменный или варикап с широким диапазоном изменения емкости, то полосу пропускания можно изменять.

Итак, первый вариант. Резонаторы без всякого отбора, их характеристики замеряю позже. Все значения частот на рисунках в килогерцах.

Рис. 7. С1=С2=68 пФ, С3=100 пФ, Rн = 160 Ом.
Рис. 7. С1=С2=68 пФ, С3=100 пФ, Rн = 160 Ом.

Вот так вот без всякого расчета получился очень даже неплохая АЧХдля такого простого фильтра, о вполне подойдет для приема SSB. Увеличим сопротивление нагрузки.

Рис. 8. С1=С2=68 пФ, С3=100 пФ, Rн = 1 кОм.
Рис. 8. С1=С2=68 пФ, С3=100 пФ, Rн = 1 кОм.

Обратите внимание, что фильтр не только поменял АЧХ, но и превратился в усилитель! И тут нет ничего загадочного: получился трансформатор сопротивления: входное около 500 Ом, а выходное - в два раза больше, вот на нем и получилось более высокое сопротивление.

Теперь параллельно резонатору Cr1 подпаиваю конденсатор 5 пФ, чтобы сузить его резонансный интервал, сопротивление нагрузки 160 Ом.

Рис. 9. С1=С2=68 пФ, С3=100 пФ, Rн = 160 Ом
Рис. 9. С1=С2=68 пФ, С3=100 пФ, Rн = 160 Ом

Полоса пропускания на уровне -20 дБ сузилась довольно существенно. Гораздо круче стал высокочастотный скат АЧХ. Подпаиваю конденсатор 5 пФ параллельно и другому резонатору.

Рис. 10. С1=С2=68 пФ, С3=100 пФ, Rн = 160 Ом
Рис. 10. С1=С2=68 пФ, С3=100 пФ, Rн = 160 Ом

Полоса стала еще чуть уже, а высокочастотный скат ста еще круче. Теперь увеличиваю емкость С3 до 200 пФ.

Рис. 11. С1=С2=68 пФ, С3=200 пФ, Rн = 160 Ом.
Рис. 11. С1=С2=68 пФ, С3=200 пФ, Rн = 160 Ом.

Полоса еще чуь-чуть уже. Увеличиваю емкость С3 до 420 пФ.

Рис. 12. С1=С2=68 пФ, С3=420 пФ, Rн = 160 Ом
Рис. 12. С1=С2=68 пФ, С3=420 пФ, Rн = 160 Ом

А тут уже получился фильтр для приема телеграфа. Обратите внимание, что при всех изменениях частота вершины АЧХ практически не меняется. Посмотрим, что будет при более высоком сопротивлении

Рис. 13. С1=С2=68 пФ, С3=420 пФ, Rн = 1100 Ом
Рис. 13. С1=С2=68 пФ, С3=420 пФ, Rн = 1100 Ом

Как и на рис. 7, полоса стала шире. Если высокочастотный скат АЧХ достаточно крутой, то низкочастотный - пологий. Чтобы сделать его круче, изменяю схему:

Рис. 14.
Рис. 14.
Рис. 15.
Рис. 15.

Появился полюс "бесконечного затухания" на частоте добавочного кварца. А катушка, включенная последовательно с ним, понижает частоту его резонанса. АЧХ стала прямоугольной по скатам, но вершина уж больно кривая.

Восстанавливаю схему, как на рис. 5, сохранив конденсаторы 5 пФ параллельно резонаторам. Но емкость конденсаторов меняю: С1, С2 = 20пФ, С3 = 47 пФ.

Рис. 16. С1=С2=20 пФ, С3=47 пФ, Rн = 300 Ом
Рис. 16. С1=С2=20 пФ, С3=47 пФ, Rн = 300 Ом

Сопротивление нагрузки подбирал, чтобы получить двугорбую вершину с небольшой неравномерностью, получилось 300 Ом. Получился фильтр для SSB, хоть и узковатый. Но что вы хотите от двух кварцев.

Увеличил С3 до 147 пФ.

Рис. 17. С1=С2=20 пФ, С3=147 пФ, Rн = 300 Ом
Рис. 17. С1=С2=20 пФ, С3=147 пФ, Rн = 300 Ом

Фильтр SSB плавно превращается ....превращается в CW. Уменьшаю нагрузку до 100 Ом.

Рис. 18. С1=С2=20 пФ, С3=47 пФ, Rн = 100 Ом
Рис. 18. С1=С2=20 пФ, С3=47 пФ, Rн = 100 Ом

Фильтр стал уже "в талии", а вершина стала не острой. Еще больше увеличиваю С3 (367 пФ).

Рис. 19. С1=С2=20 пФ, С3=367 пФ, Rн = 150 Ом
Рис. 19. С1=С2=20 пФ, С3=367 пФ, Rн = 150 Ом

Очень неплохой телеграфный фильтр. Даже по уровню -40 дБ полоса уже пяти кГц. Уменьшаю нагрузку до 100 Ом.

Рис. 20. С1=С2=20 пФ, С3=367 пФ, Rн = 100 Ом
Рис. 20. С1=С2=20 пФ, С3=367 пФ, Rн = 100 Ом

Вот это фильтр! А если соединить два фильтра последовательно? Будет еще лучше.

И тут я вспомнил, что в программе NanoVNA Saver есть одна интересная опция: анализ АЧХ. Запускаю:

Рис. 21.
Рис. 21.

Не знаю, по какому алгоритму идет расчет, но результаты мне нравятся: полоса 330 Гц по уровню -3 дБ и 396 по уровню -6 дБ, добротность более 24000. Но особенно мне нравиться крутизна скатов - цифры просто обалденные, но на декаду. Сделали бы на кГц, но на декаду больше :)

Отпаиваю конденсаторы 5 пФ, а вместо них припаиваю по 10 пФ.

Рис. 22. С1=С2=20 пФ, С3=367 пФ, Rн = 100 Ом
Рис. 22. С1=С2=20 пФ, С3=367 пФ, Rн = 100 Ом

Все стало еще лучше.

Рис. 23
Рис. 23

Увеличиваю емкость С1 и С2 до 68 пФ. Нагрузка далее везде 100 Ом.

С3 = 47 пФ.

Рис. 24.
Рис. 24.

С3 = 100 пФ.

Рис. 25
Рис. 25

С3 = 367 пФ.

Рис 27.
Рис 27.

Думаю, тенденции понятны. Сделать хороший SSB фильтр на двух кварцах не получится, а вот телеграфный - можно.

Всем успехов и здоровья!