Добавить в корзинуПозвонить
Найти в Дзене

Блок питания на LM723. Итоги сборки.

Всем привет! Данная статья собирательная. Все. что есть в сети и на других каналах было объединено для удобства восприятия. Самая грамотная статья найденная мною на Дзене, по данной микросхеме, есть на канале "Старый радио любитель". Давайте пару слов о стабилизаторе LM723. Это регулятор напряжения, его транзистор обеспечивает выходной ток до 150 мА. Входное напряжение от 9,5В до 40 В, выходное напряжение при этом можно регулировать от 2В до 37 В. Естественно ток можно увеличить, если применить соответствующие транзисторы. У меня минимальное напряжение было 1В. При использовании интегральных стабилизаторов следует учитывать, что входное напряжение должно быть больше выходного по крайней мере на 3В. Изобретена эта микросхема была аж в 1967 году! О ней есть упоминание в книге Хоровица и Хилла "Исскуство схемотехники", страница 285. Также есть видео про сборку данного стабилизатора на канале "Александр радиоремонт и самоделки". Теперь переходим к тому, что удалось получить мне на пра

Всем привет!

Данная статья собирательная. Все. что есть в сети и на других каналах было объединено для удобства восприятия. Самая грамотная статья найденная мною на Дзене, по данной микросхеме, есть на канале "Старый радио любитель".

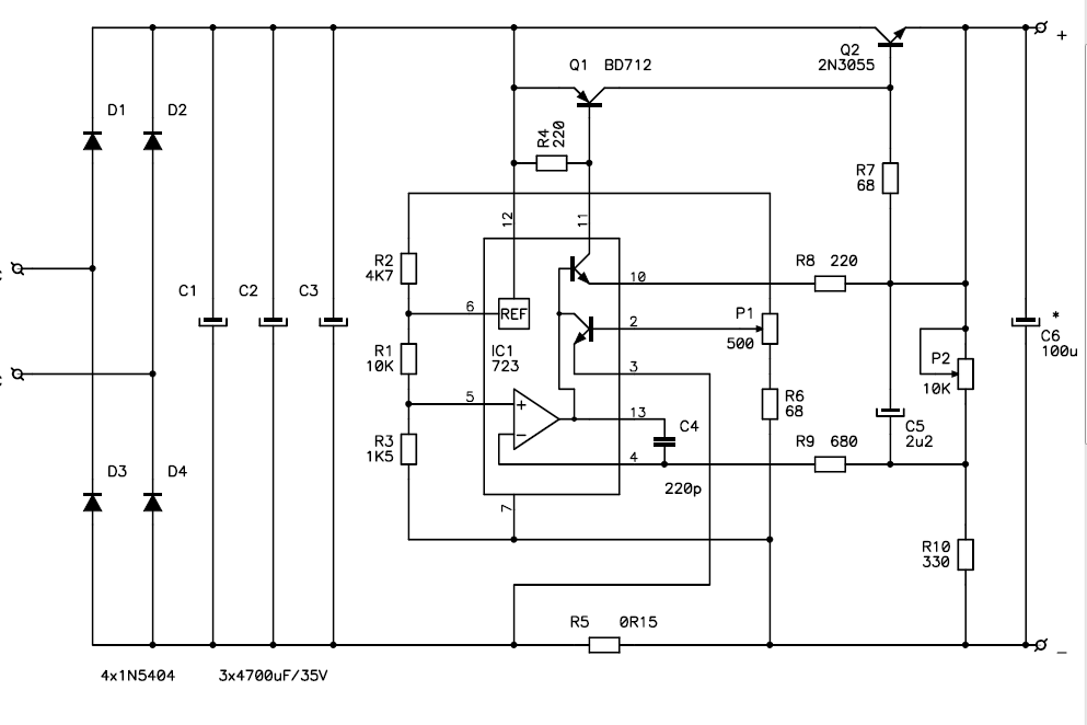
Давайте пару слов о стабилизаторе LM723. Это регулятор напряжения, его транзистор обеспечивает выходной ток до 150 мА. Входное напряжение от 9,5В до 40 В, выходное напряжение при этом можно регулировать от 2В до 37 В.

Естественно ток можно увеличить, если применить соответствующие транзисторы. У меня минимальное напряжение было 1В.

При использовании интегральных стабилизаторов следует учитывать, что входное напряжение должно быть больше выходного по крайней мере на 3В.

Изобретена эта микросхема была аж в 1967 году! О ней есть упоминание в книге Хоровица и Хилла "Исскуство схемотехники", страница 285.

Картинка с просторов сети
Картинка с просторов сети

Также есть видео про сборку данного стабилизатора на канале "Александр радиоремонт и самоделки".

Теперь переходим к тому, что удалось получить мне на практике.

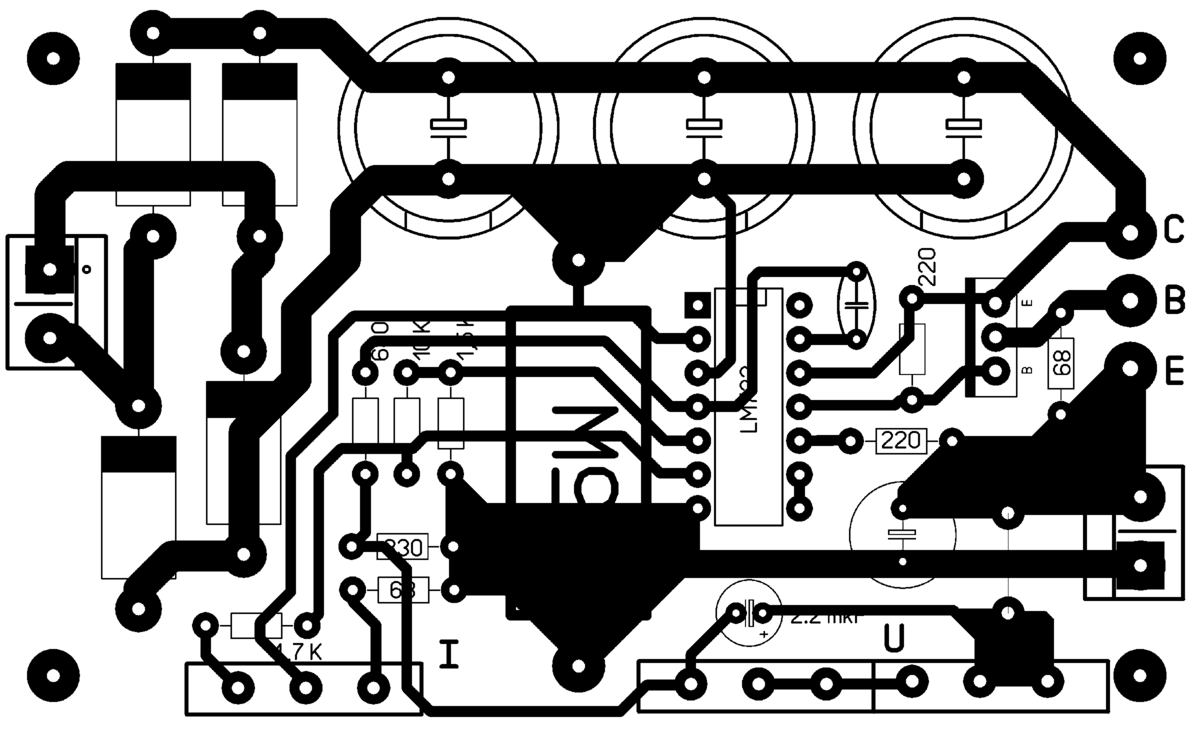
Вот схема и печатная плата по ней. Печатная плата взята с вот этого сайта, а затем перерисована и немного изменена. Компоновка деталей сохранена.

Вот список ключевых деталей которые были использованы. (резисторы и конденсаторы использованы тех же номиналов, что и в схеме)

  • Диоды в диодном мосту 10А10 на 10 А. Не знаю настоящие или нет, пусть будут с запасом.
  • Конденсаторы фильтра после моста 2 по 4700мкФх50В
  • Сопротивление шунта 0,1 Ом
  • Транзистор вместо BD 712 использован BD140
  • силовой транзистор КТ829Г

Вот результат сборки с установленными деталями.

Силовой трансформатор, используемый в испытаниях это перемотанный ОСМ1 - 0,1кВА. На первом включении подал переменное напряжение 17,4В. Проверил регулировку напряжение. Минимум 1 В, максимум 21,5В. Никаких бабахов, нагревов и синих дымов схема не испустила. Переходим к испытания на рабочем напряжении.

Транзистор устанавливаем на радиатор и подаем 26,6 В переменного напряжения. На конденсаторах имеем 36,9 В постоянного. Микросхема работает нормально.

Подключаю свою электронную нагрузку. Пробуем защиту по току. Сначала смотрим стабилизацию напряжения 12В под нагрузкой.

Падение напряжения при 3А составило 0,5 В. По моему неплохо. При 4 А - 0,7 В. Это предел для моего трансформатора, к тому же дальше срабатывает защита по максимальному току.

Теперь тепловые испытания авто лампой. Те же 12 В. Держит 4,2 А. Что греется, а греется диодный мост ну и собственно транзистор. Остальное еле теплое. Транзистор BD140 почти не нагревается, шунт тоже.

Теперь попробуем найту пределы по мощности данного блока питания. Ставим максимальное напряжение на выходе 30 В и начинаем нагружать.

Напряжение просело до 22,39, ток 3,8 А. Получилось что-то около 86 Вт. Я думаю было правильно установить максимальное напряжение 24В, а ток 4 А. Думаю что это предел для данного трансформатора.

Отдельно хочу сказать про переменные резисторы - нужно брать нормальные, лучше многооборотные. Особенно это касается регулировки тока. Минимальный ток очень трудно установить (за неимением переменного резистора 500 Ом, пришлось 1 КОм поставить). Со светодиодом проверить не смог, все по той же причине - отсутствия нормальных потенциометров. Минимум, что я смог накрутить это 50 мА. Думаю можно точнее и меньше.

В целом стабилизатор показал себя очень хорошо. Данную схему можно рекомендовать к повторению.

На этом не прощаюсь!