Найти в Дзене
Дед клуб

Самодельный чувствительный микрофонный усилитель

Речь пойдёт о чувствительном микрофонном усилителе, включающем в себя несколько электретных микрофонов и позволяющем улавливать слабые звуки на фоне акустического шума. Самодельный усилитель дополняется фильтром присутствия, а также применяется комбинированное включение электретных микрофонов. Фильтр присутствия настроен в резонанс на частоту 3 – 4 кГц, благодаря этому речь становится более внятной и выделяется из уровня посторонних акустических шумов помещения или улицы. Применение фильтра повышает динамический диапазон приёмо-передающего тракта за счёт подавления шумов активных элементов, находящихся выше резонансной частоты фильтра, а также уменьшает уровень нелинейных искажений, выраженных в виде хрипов при громкой речи, из-за ослабления высших гармоник за полосой пропускания фильтра. Нередко такое звучание, с использованием фильтра присутствия, путают с компрессией звука, но не находят присущие ей искажения. Микрофон с такой коррекцией частотной характеристики меньше боялся п

Речь пойдёт о чувствительном микрофонном усилителе, включающем в себя несколько электретных микрофонов и позволяющем улавливать слабые звуки на фоне акустического шума. Самодельный усилитель дополняется фильтром присутствия, а также применяется комбинированное включение электретных микрофонов.

Фильтр присутствия настроен в резонанс на частоту 3 – 4 кГц, благодаря этому речь становится более внятной и выделяется из уровня посторонних акустических шумов помещения или улицы. Применение фильтра повышает динамический диапазон приёмо-передающего тракта за счёт подавления шумов активных элементов, находящихся выше резонансной частоты фильтра, а также уменьшает уровень нелинейных искажений, выраженных в виде хрипов при громкой речи, из-за ослабления высших гармоник за полосой пропускания фильтра. Нередко такое звучание, с использованием фильтра присутствия, путают с компрессией звука, но не находят присущие ей искажения. Микрофон с такой коррекцией частотной характеристики меньше боялся порывов ветра, быстро освобождаясь от перегрузок, сохранял запись, а поэтому использовался для репортажа.

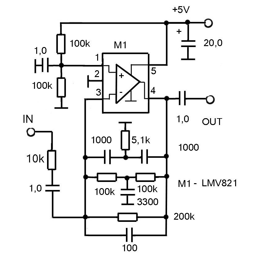
Рис. 1. Фильтр присутствия.
Рис. 1. Фильтр присутствия.

Полный звуковой диапазон восприятия звука составляет 20 Гц – 20 кГц, но для прослушивания музыкальных произведений достаточно иметь более узкую полосу частот 40 Гц – 15 кГц, а для воспроизведения речи её можно ограничить до 300 Гц – 6 кГц.

Само же человеческое ухо наиболее чувствительно к частоте около 3 кГц, то есть частотная характеристика уха будет обладать подъёмом на этой частоте, ориентируясь на максимальную плотность спектра в разговорной речи. Наверное, замечали, обычно это присуще женщинам, чтобы быть услышанными они прибегают к пищащему тембру окраски голоса, делая акцент на высокочастотные составляющие спектра речи. Такое звучание при сильном постороннем шуме распространяется на большие расстояния. Аналогию, заложенную природой, можно провести с плачем младенца, который разбудит любого.

Рис. 2.  Микрофонный усилитель с электретными микрофонами.
Рис. 2. Микрофонный усилитель с электретными микрофонами.

Техническая сторона решается путём изготовления микрофонного усилителя с диапазоном пропускаемых частот 300 Гц – 6 кГц, а частотная характеристика усилителя имеет подъём 8 – 10 дБ на частоте около 3,5 кГц и спад после 6 кГц. Высокая линейность и стабильность параметров усилителя обеспечивается за счёт применения операционных усилителей (ОУ) М1, М2, благодаря чему выходной сигнал не подвергается ограничению до величины 1,25 вольт среднеквадратичного значения напряжения.

Минимальный уровень шумов достигается применением в первом каскаде усилителя на полевом транзисторе Т1 с дополнительной коррекцией частотной характеристики в области верхних частот, а также использования фильтра нижних частот на операционном усилителе М1, дополнительно ослабляющего собственный шум усилителя и акустики выше 6 кГц.

Схема рассчитана для работы с электретным микрофоном Мic. Используя комбинированную схему включения электретных микрофонов, мне удалось разобрать даже шёпот на уровне громкого разговора и постоянного акустического шума.

Напомню, что параллельное включение микрофонов уменьшает их собственный шум в 1,41 раза, что улучшает соотношение сигнал / шум, всего тракта, если рассматривать микрофоны как первый каскад усилителя, отвечающего за этот параметр. Последовательное включение микрофонов рассматривается как усилитель с динамической нагрузкой, который обеспечивает компрессию звукового сигнала.

Я использовал от двух до трёх пар включённых микрофонов. Дальнейшее увеличение количества микрофонов мало влияет на качество звука. Интересные результаты получились с использованием микрофонов разных типов, что значительно уменьшает неравномерность частотной характеристики и собственные шумы самих микрофонов, причём, чем хуже характеристики микрофонов, тем заметнее на слух изменения их параметров в лучшую сторону при комбинированном их соединении.

При использовании разных типов микрофонов их количество может оказаться нечётным. В этом случае их включение подбираю таким образом, чтобы в средней точке их соединения получилось около половины напряжения питания.

Конструкция.

Рис. 3.  Эскиз монтажной платы микрофонного усилителя.
Рис. 3. Эскиз монтажной платы микрофонного усилителя.

Так как усилитель имеет большое входное сопротивление, то во избежание фона и наводок микрофоны следует распаивать в непосредственной близости входного каскада. Монтаж может быть выполнен как на деталях SMD, так и на электронных компонентах для объёмного монтажа. В последнем случае все соединения между электронными компонентами должны быть как можно короче.

Параметры усилителя.

Рис. 4. АЧХ микрофонного усилителя.
Рис. 4. АЧХ микрофонного усилителя.

Номинальное напряжение питания 5 вольт.

Общий коэффициент усиления 100. Коэффициент усиления первого каскада 7,5.