Добавить в корзинуПозвонить
Найти в Дзене
PRACTICAL ELECTRONICS

Динамический фазовращатель. Пуск ЭД повышенной мощности

Применение Рассматривается простое устройство для бесконтактного отключения пусковой обмотки однофазного асинхронного электродвигателя с короткозамкнутым ротором. Устройство обеспечивает автоматическое отключение указанной обмотки по окончании процесса пуска с помощью динамического фазовращателя, выполненного на тиристорно-диодном элементе и пусковом конденсаторе электродвигателя. На канале уже была опубликована подобная схема, в которой используется конденсатор, включённый в диагональ диодного моста по постоянному току. По мере заряда конденсатора фаза тока, протекающего по пусковой обмотке ЭД, плавно изменяется и двигатель запускается. После заряда конденсатора диодный мост запирается им и протекание тока через пусковую обмотку прекращается. Пуск ЭД окончен. Однако предлагаемое устройство обеспечивает пуск ЭД мощностью примерно до 600 Вт, так как при больших мощностях ёмкость конденсатора фазовращателя получается неоправданно большой, что увеличивает массу, габариты и стоимость пуско
Оглавление

Применение

Рассматривается простое устройство для бесконтактного отключения пусковой обмотки однофазного асинхронного электродвигателя с короткозамкнутым ротором. Устройство обеспечивает автоматическое отключение указанной обмотки по окончании процесса пуска с помощью динамического фазовращателя, выполненного на тиристорно-диодном элементе и пусковом конденсаторе электродвигателя.

На канале уже была опубликована подобная схема, в которой используется конденсатор, включённый в диагональ диодного моста по постоянному току. По мере заряда конденсатора фаза тока, протекающего по пусковой обмотке ЭД, плавно изменяется и двигатель запускается. После заряда конденсатора диодный мост запирается им и протекание тока через пусковую обмотку прекращается. Пуск ЭД окончен.

Однако предлагаемое устройство обеспечивает пуск ЭД мощностью примерно до 600 Вт, так как при больших мощностях ёмкость конденсатора фазовращателя получается неоправданно большой, что увеличивает массу, габариты и стоимость пускового устройства.

Схема электрическая

Схема электрическая принципиальная
Схема электрическая принципиальная

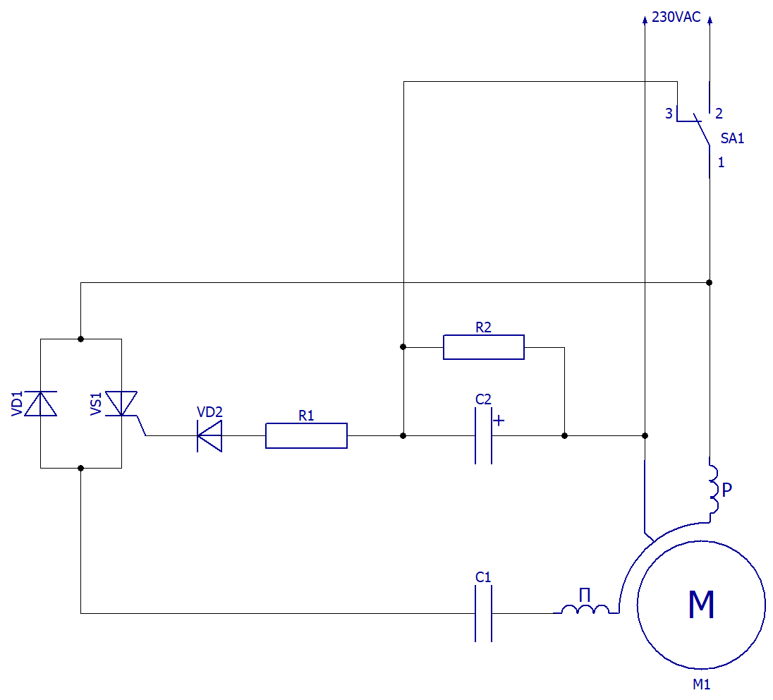
На схеме показано устройство для запуска однофазного асинхронного двигателя. Это устройство обеспечивает пуск более мощных ЭД и их более надёжную работу при бесконтактном отключении пусковой обмотки с помощью мощного динамического фазовращателя с отделением времязадающей функции от пускового конденсатора.

Иными словами, в предлагаемом устройстве время пуска ЭД уже не определяется ёмкостью силового конденсатора в цепи пусковой обмотки, а обеспечивается дополнительным конденсатором малой ёмкости в цепи управления пуском ЭД.

Принцип работы

Устройство содержит однополюсный переключатель SA1 на два положения, с помощью которого контактами 1-2 подключается к питающей сети рабочая обмотка Р ЭД и пусковая П через пусковой конденсатор С1 и диодно-тиристорный элемент, состоящий из диода VD1 и тиристора VS1, включённых встречно-параллельно.

При этом управляющий электрод тиристора VS1 подключён к питающей сети через цепочку, состоящую из диода VD2, резистора R1 и электролитического конденсатора С2, шунтированного резистором R2.

В исходном предпусковом положении ЭД конденсатор С2 присоединён через контакты 1-3 переключателя SA1 к зажимам рабочей обмотки Р двигателя и находится в разряженном состоянии.

При включении ЭД с помощью контактов 1-2 переключателя SA1, обтекается током рабочая обмотка Р и пусковая П через конденсатор С1 и диодно-тиристорный элемент VD1-VS2.

При этом положительная полуволна тока пусковой обмотки протекает через диод VD1, а отрицательная - через тиристор VS1 диодно-тиристорного элемента. ЭД запускается. Через определённый промежуток времени, определяемый ёмкостью конденсатора С2, диод VD2 запирается им и тиристор VS1 диодно-тиристорного элемента закрывается.

В результате протекание тока через диодно-тиристорный элемент, а следовательно, и через пусковую обмотку П прекращается из-за заряда пускового конденсатора С1 через диод VD1, который запирается им. Пуск ЭД окончен. При работе ЭД конденсаторы С1 и С2 находятся в заряженном состоянии.

При отключении ЭД от питающей сети переключателем SA1 его контакты 1-2 размыкаются, а 1-3 замыкаются. В результате конденсатор С2 времязадающей цепочки подключается к зажимам рабочей обмотки Р и разряжается на неё, обеспечивая нулевую готовность схемы управления ЭД к повторному пуску.

Если время паузы в работе ЭД достаточно для разряда конденсатора С2 на резистор R2 (например, в холодильниках), то необходимость в размыкающих контактах 1-3 переключателя SA1 и подходящем к его зажиму третьем проводе от минусовой клеммы конденсатора С2 времязадающей цепи отпадает.

Исчезновение напряжения в питающей сети при работе ЭД приводит к разряду конденсатора С2 на резистор R2, в результате схема автоматически готова к повторному пуску ЭД, что обеспечивает его самозапуск при восстановлении напряжения в питающей сети.

Детали

В качестве переключателя SA1 используется любой, подходящий по току и напряжению. Тип диода VD1 и тиристора VS1 определяется мощностью запускаемого двигателя, так для ЭД мощностью 1 кВт в качестве диода VD1 можно использовать диоды типов КД227Ж. Диод VD2 типа КД105В, Г.

В качестве тиристора VS1 можно использовать тиристоры класса не ниже шестого типов Т112-10, Т10-20, Т10-63 и им подобные на ток 5...10 А.

Конденсатор С1 подбирают из расчёта (1,5...2,0)×66×Рном, где Рном - номинальная мощность ЭД в кВт, типа МБГО-2, КБГ-МП, БГТ на напряжение не ниже 400 В или типа МБГЧ, что предпочтительней.

Конденсатор С2 ёмкостью 5...10 мкФ на напряжение не ниже 350 В. Резисторы R1 и R2 типа МЛТ-2 сопро­тивлением 5,1 кОм и 50...100 кОм соответственно.

Наладка

Наладка устройства заключается в подборке величины резистора R1. Для этого вместо него включают переменный резистор сопротивлением 100 кОм и добиваются полного открытия тиристора. Затем измеряют тестером величину переменного резистора и впаивают вместо него постоянный резистор. Устройство при ра­боте не потребляет электроэнергии.

Содержание
PRACTICAL ELECTRONICS29 апреля 2022
-2