Добавить в корзинуПозвонить
Найти в Дзене
Электроника, ESP32, Arduino

TDA2822 тест усилителя для наушников.

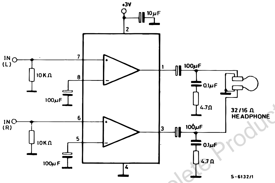
Схема подключения взята из документации: В Интернет есть информация, что с низкоомной нагрузкой (динамики 4-8 Ом) данную микросхему лучше не использовать совсем, и это кстати чистая правда, слушать её с динамиками практически невозможно. Тестирования я проводил на 32-Ом проводной гарнитуре A4Tech HS-60. Схема была собрана на макетной плате: Питалось все от самодельного линейного ЛБП. Звук подавался с линейного выхода профессиональной звуковой карты
ESI MAYA44 XTe Усиливает TDA2822 действительно не плохо - для получения уровня громкости эквивалентной громкости работы без усилителя, аттенюацию линейного выхода можно смело выкрутить на максимум (-48dB). Плюсы: Минусы: Выводы: К сожалению шум микросхемы при отсутствии входного сигнала сводит на нет все её плюсы. За 5 рублей звук вполне слушабельный, а вот тишину она воспроизводить практически не умеет. Для кассетного плеера или радиоприемника она бы конечно подошла (там и без неё есть чему шуметь) - но в свои самоделки, я её точно ставить

Схема подключения взята из документации:

TDA2822 схема подключения для наушников.
TDA2822 схема подключения для наушников.

В Интернет есть информация, что с низкоомной нагрузкой (динамики 4-8 Ом) данную микросхему лучше не использовать совсем, и это кстати чистая правда, слушать её с динамиками практически невозможно.

Тестирования я проводил на 32-Ом проводной гарнитуре A4Tech HS-60.

A4Tech HS-60
A4Tech HS-60

Схема была собрана на макетной плате:

TDA2822 - прототип на макетной плате
TDA2822 - прототип на макетной плате

Питалось все от самодельного линейного ЛБП.

TDA2822 - питание
TDA2822 - питание

Звук подавался с линейного выхода профессиональной звуковой карты
ESI MAYA44 XTe

Интерфейс ESI MAYA44 XTe
Интерфейс ESI MAYA44 XTe

Усиливает TDA2822 действительно не плохо - для получения уровня громкости эквивалентной громкости работы без усилителя, аттенюацию линейного выхода можно смело выкрутить на максимум (-48dB).

Плюсы:

  • TDA2822 - просто отличный усилитель от других, но только для наушников. Моя гарнитура конечно далека от класса Hi-Fi оборудования, тем не менее (особенно на небольшой громкости) усилитель TDA2822 звук практически не испортил;
  • Широкий диапазон питания микросхемы 1.8V-15V;
  • Энергопотребление на полной громкости не превышает 20mA;
  • Есть вариант в DIP корпусе;
  • Цена - покупал я её у местных радио-барыг за 65 руб. но на Ali её можно найти за 5-6 руб. за штуку.

Минусы:

  • Ток утечки в покое 9mA (ДЕВЯТЬ КАРЛ!!!) ну и как следствие довольно сильное шипение когда на входе нет сигнала;
  • Отсутствие управляющих ног (например для того чтобы выключить питание).

Выводы:

К сожалению шум микросхемы при отсутствии входного сигнала сводит на нет все её плюсы. За 5 рублей звук вполне слушабельный, а вот тишину она воспроизводить практически не умеет. Для кассетного плеера или радиоприемника она бы конечно подошла (там и без неё есть чему шуметь) - но в свои самоделки, я её точно ставить не буду.

Если у кого-то есть свой опыт использования каких-либо усилителей с малым уровнем шума и небольшой выходной мощностью предназначенных именно для наушников (16-32Om) поделитесь пожалуйста в комментариях.

Оглавление канала тут:

Всем удачи.