Добавить в корзинуПозвонить
Найти в Дзене
Шарапов Механик

Вестфалия. Технология рекуперации тепла в системах центробежных сепараторов.

Идея сохранить немного энергии на судах в настоящее время стала особенно привлекательной, ведь, стоимость обслуживания заметно возрасла. Общая экономия энергии и снижение расходя топлива в частности способствуют повышению конкурентоспособности грузоперевозки судном и снижают рагубное воздействие на окружающую стреду. В традиционных системах очистки системного масла посредством центробежных сепараторах масло подогревается в различного рода подогревателях, чтобы проити цикл сепарации, но, после отправляется в картер двигателя, из которого насосом будет направлено в холодильник. (Температура сепарации около 90, температура системного масла - около 45). Westfalia предлагает компактную установку, теплообменник, способный вернуть часть тепла в систему, чтобы использовать его с пользой. Причем, система доступна как принципиально новая либо в виде модификации уже существующих. И, кстати, компания утверждает, что подобное нововведение довольно быстро окупается. Неочищенное масло, прежде чем поп

Идея сохранить немного энергии на судах в настоящее время стала особенно привлекательной, ведь, стоимость обслуживания заметно возрасла.

Общая экономия энергии и снижение расходя топлива в частности способствуют повышению конкурентоспособности грузоперевозки судном и снижают рагубное воздействие на окружающую стреду.

В традиционных системах очистки системного масла посредством центробежных сепараторах масло подогревается в различного рода подогревателях, чтобы проити цикл сепарации, но, после отправляется в картер двигателя, из которого насосом будет направлено в холодильник. (Температура сепарации около 90, температура системного масла - около 45).

Westfalia предлагает компактную установку, теплообменник, способный вернуть часть тепла в систему, чтобы использовать его с пользой.

Причем, система доступна как принципиально новая либо в виде модификации уже существующих.

И, кстати, компания утверждает, что подобное нововведение довольно быстро окупается.

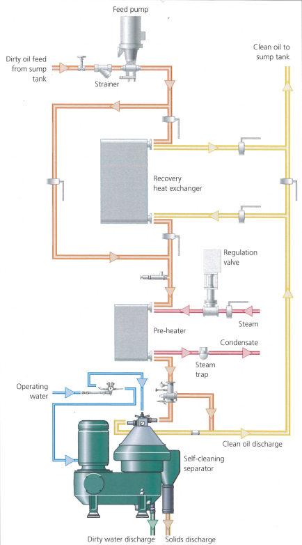
Принципиальная схема.
Принципиальная схема.

Неочищенное масло, прежде чем попасть в центробежный сепаратор, проходит через теплообменник, греющей средой в котором является масло, уже прошедшее обработку сепаратором. То есть то масло, которое уже было нагрето перед подачей в сепаратор, тепло которого будет отведено в забортную воду, если не использовать его так, как предлагает рекуперативная система от Вествалия.

Сама система не сильно увеличит плотность монтажа компонентов, ведь теплообменник пластинчатый, пластины медные, то есть с высоким коэффициентом теплопроводности.

Дополнением к существующим системам Вестфалия будут: теплообменник, байпасная линия и секущие клапаны.

-3

А вот и для наглядности, сколько энергии эта система сможет экономить.

Оригинал статьи будет в библиотеке. Вот ссылка:

https://t.me/c/1536125753/486

Это наша техническая библиотека и, чтобы иметь возможность пользоваться файлами, нужно быть на нее подписанным. Вот ссылка:https://t.me/+QV9wgiG-9O8xNmQy