Найти в Дзене
Кирилл Христиченко

Модернизация и оптимизация установки АТ

Выполнили доклад обучающиеся группы МХПб-19-1: Дружинина Д.Н., Христиченко К.В. Проверил: Землянский Е.О. Тюменский индустриальный университет Процессы первичной переработки нефти составляют основу всех НПЗ. В ходе этого процесса получают буквально все компоненты моторных топлив, смазочных масел, сырья для вторичных процессов и для нефтехимической промышленности. Выход и качество компонентов топлив и смазочных масел и технико-экономически показатели последующих процессов переработки нефти напрямую зависят от активности работы АТ. В настоящий момент в нефтеперерабатывающей промышленности существует необходимость своевременной модернизации и обновления используемых технологий для их соответствия непрерывно меняющимся качеству и видам сырья, а также производства более качественных продуктов с соблюдением норм меняющегося законодательства в области охраны окружающей среды. Актуальность Актуальность данной темы обусловлена тем, что на сегодняшний день проблемным вопросом является повышени
Оглавление

Выполнили доклад обучающиеся группы МХПб-19-1: Дружинина Д.Н., Христиченко К.В.

Проверил: Землянский Е.О.

Тюменский индустриальный университет

Процессы первичной переработки нефти составляют основу всех НПЗ. В ходе этого процесса получают буквально все компоненты моторных топлив, смазочных масел, сырья для вторичных процессов и для нефтехимической промышленности. Выход и качество компонентов топлив и смазочных масел и технико-экономически показатели последующих процессов переработки нефти напрямую зависят от активности работы АТ.

В настоящий момент в нефтеперерабатывающей промышленности существует необходимость своевременной модернизации и обновления используемых технологий для их соответствия непрерывно меняющимся качеству и видам сырья, а также производства более качественных продуктов с соблюдением норм меняющегося законодательства в области охраны окружающей среды.

Актуальность

Актуальность данной темы обусловлена тем, что на сегодняшний день проблемным вопросом является повышение рентабельности эксплуатации установки ЭЛОУ и совершенствование установок атмосферного трубчатого аппарата.

Первичная перегонка нефти (прямая гонка) – процесс переработки нефти, основанный на разделении смеси составляющих ее углеводородов методом фракционной разгонки (ректификации) на отдельные дистилляты (фракции) с определенными интервалами температур кипения. Прямой гонке подвергается вся добываемая нефть. Промышленные установки первичной перегонки делятся на атмосферные (АТ), вакуумные (ВТ) и комбинированные (например, АВТ, ЭЛОУ-АВТ, ЭЛОУ-АВТ со вторичной переработкой бензина и др.). Эти установки составляют основу всех НПЗ и предназначены для разделения нефти на фракции – компоненты моторных топлив, смазочных масел, сырье для вторичных процессов и сырье для нефтехимических производств.

Описание принципиальной технологической схемы АТ

Атмосферная трубчатка (АТ) предназначена для неглубокой первичной переработки нефти на группу светлых нефтепродуктов – бензиновых, керосиновых, дизельных фракций с температурой кипения до 350 ℃ и мазут в качестве остатка. При этом могут использоваться две основные схемы разделения:

1 – одноколонная схема разделения, которая применяется при содержании легких (С1 – С4) до 1,2%, светлых – до 45%;

2– двухколонная схема – применяется при увеличенном содержании легких и светлых фракций.

В отечественной промышленности большее распространение получила вторая схема. Она обладает большой гибкостью (меньшей чувствительностью к составу перерабатываемой нефти) и обеспечивают больший (на 2%) отбор светлых фракций.

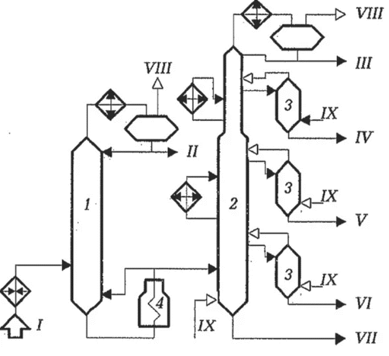
Принципиальная схема АТ

1– отбензинивающая колонна; 2 – атмосферная колонна; 3– отпарные колонны; 4 – атмосферная печь; I – нефть с ЭЛОУ;
II – легкий бензин; III – тяжелый бензин; IV – фракция 180…220 °C;
V – фракция 220…280 °C; VI – фракция 280…350 °C; VII – мазут;
VIII – газ; IX – водяной пар
1– отбензинивающая колонна; 2 – атмосферная колонна; 3– отпарные колонны; 4 – атмосферная печь; I – нефть с ЭЛОУ; II – легкий бензин; III – тяжелый бензин; IV – фракция 180…220 °C; V – фракция 220…280 °C; VI – фракция 280…350 °C; VII – мазут; VIII – газ; IX – водяной пар

Ректификация

Ректификация – это процесс многократного частичного испарения жидкой фазы и многократной частичной конденсации газовой фазы, при котором происходит двусторонний массообмен и теплообмен между фазами. Жидкая и паровая фаза находятся в неравновесном состоянии, имеют разные температуры и движутся противотоком. Ректификация позволяет разделять гомогенные, то есть однородные смеси.

Процессы ректификации могут осуществляться при любых давлениях с учетом типа сырья; например, для разделения смесей с высокими температурами кипения компонентов используют пониженное давление (вакуум), чтобы избежать разложения сырья при высоких температурах; а разделение смесей низкокипящих углеводородов проводят при повышенном давлении для осуществления процесса при нормальной (положительной) температуре.

К атмосферным колоннам относятся аппараты, работающие при атмосферном или небольшом избыточном давлении (до 0,05 МПа).

Ректификацию можно проводить периодически или непрерывно. Ректификацию проводят в башенных колонных аппаратах (до 60 м высотой), снабженных контактными устройствами (тарелками или насадкой) ректификационных колоннах.

Насадочное контактное устройство
Насадочное контактное устройство

Внешний вид насадки: насадка, заполняющая колонну может представлять собой металлические, керамические, стеклянные и другие элементы различной формы.

Ректификацию можно проводить периодически или непрерывно. Процесс проводят в башенных колонных аппаратах (до 60 м высотой), снабженных контактными устройствами (тарелками или насадкой) ректификационных колоннах.

Расположение контактных устройств внутри ректификационной колонны
Расположение контактных устройств внутри ректификационной колонны

Принцип работы ректификационной колонны

Пары нагретой нефти подаются в колонну и поднимаются вверх. Чем более легкие фракции испаряются, тем выше они поднимутся в колонне. Каждую тарелку, расположенную на определенной высоте, можно рассматривать как своего рода фильтр — в прошедших ее парах остается все меньшее количество тяжелых углеводородов. Часть паров, конденсировавшихся на определенной тарелке или не достигнув ее, стекает вниз. Эта жидкость, носящая название флегмы, встречается с поднимающимся паром, происходит теплообмен, в результате которого низкокипящие составляющие флегмы снова превращаются в пар и поднимаются вверх, а высококипящие составляющие пара конденсируются и стекают вниз с оставшейся флегмой. Таким образом удается достичь более точного разделения фракций. Чем выше ректификационная колонна и чем больше в ней тарелок, тем более узкие фракции можно получить.

Принципиальная схема колонны атмосферной перегонки нефти:
2 – атмосферная колонна; 3 – отпарные колонны; 4 – печь; III – тяжелый бензин; IV – фракция 180-220℃;V –  фракция 220-280℃;VI – фракция 280-350℃;VII-мазут; IX – водяной пар.
Принципиальная схема колонны атмосферной перегонки нефти: 2 – атмосферная колонна; 3 – отпарные колонны; 4 – печь; III – тяжелый бензин; IV – фракция 180-220℃;V – фракция 220-280℃;VI – фракция 280-350℃;VII-мазут; IX – водяной пар.

Модернизация

Основным направлением является модернизация технологических схем, режимов и конструктивного выполнения блоков отбензинивания нефти в составе установок АТ.

Разработан и предложен комплекс технических мероприятий по увеличению энергоэффективности установки атмосферной перегонки нефти, позволяющий увеличить температуру сырья колонны предварительного отбензинивания нефти при одновременном уменьшении расхода технологического топлива печи и снижении расхода электроэнергии в аппаратах воздушного охлаждения.

Разработан вариант трехпоточной технологической схемы нагрева нефти с заменой кожухотрубного теплообменного оборудования на аппараты спирального типа для более полной рекуперации тепла горячих продуктовых потоков, выводимых с атмосферной и отпарной колонн комбинированной установки нефти.

Предложен вариант модернизации отбензинивающей колонны, а также установки в целом.

Предлагается установить дополнительный блок улавливания низкокипящих компонентов бензина, при этом блок конденсации подключить к блоку улавливания, сборная емкость которого снабжена газовым и жидкостным отводами для вывода под давлением газовой и жидкой фаз в виде, соответственно, неконденсирующихся газов и жидких углеводородов.

В результате модернизации снижаются энергозатраты на перегонку нефти, повышается отбор светлых нефтепродуктов и улучшается четкость их разделения.

Для улучшения эффективности установки были заменены внутренние устройства колонн на более эффективные, производителем которых является фирма Sulzer. Тарелки и насадки данной фирмы отличаются рядом улучшенных характеристик: увеличивается КПД, уменьшается перепад давлений по высоте колонны, увеличивается период межремонтного пробега.

В заключение можно выделить основные способы совершенствования установок АТ:

- усовершенствование технологических схем с выбором оптимального режима работы установки, руководствуясь потенциальным содержанием фракций;

- замена и модернизация контактных устройств ректификационных колонн, от эффективности работы которых зависят материальные, энергетические и трудовые затраты, качество нефтепродуктов и глубина переработки нефти и т. д.;

- совершенствование конденсационно-вакуум создающих систем (КВС) промышленных вакуумных колонн;

- модернизация системы охлаждения аппаратов фракционирования и системы подогрева в виде замкнутых контуров.

Оптимизация

Оптимизация распределения потоков сырой нефти по системе теплообменников позволяет снизить расход топливного газа, расходуемого на ее подогрев. В процессе эксплуатации теплообменных аппаратов происходит загрязнение теплопередающих поверхностей, что приводит к снижению эффективности теплообмена, или появляются признаки разгерметизации оборудования, что требует вывода некоторых теплообменников из системы на очистку или ремонт.

Для данного процесса показателями качества являются следующие показатели:

1. температура верха колонны К-1 в пределах 115 °С;

2. температура верха колонны К-2 в пределах 157 °С;

3. температура 12-й тарелки колонны К-2 в пределах 170–200 °С;

4. температура 22-й тарелки колонны К-2 в пределах 200–250 °С;

5. температура 32-й тарелки колонны К-2 в пределах 250–320 °С;

6. температура куба колонны К-1 в пределах 270 °С;

7. температура куба колонны К-2 в пределах 350-360 °С.

Для оптимизации процесса при помощи СУУТП (Система усовершенствованного управления технологическими процессами) будут оптимизированы такие параметры, как температура верха колонны К-1, температура верха колонны К-2, температура 12-й тарелки колонны К-2, температура 22 тарелки колонны К-2, температура 32-й тарелки колонны К-2.

-6