Добавить в корзинуПозвонить
Найти в Дзене
Дед клуб

Самодельные антенные фильтры для цифрового TV приёмника

За городом на даче мобильник, поймав сигнал сотовой связи, с максимальной мощностью выстреливал СВЧ посылки в поисках ближайшего ретранслятора для обеспечения устойчивого соединения. Звонка ещё не было, но цифровая картинка на экране телевизора, работающего в стандарте DVB-T2, хрюкнув, зависла на время. Причина в дешёвом цифровом ресивере, который не обеспечивает защиту от помех мобильных устройств LTE (790 - 862), МГц и GSM (890 - 960) МГц и Tele2 (450 - 470) МГц. Частоты сотовых ретрансляторов вплотную расположены с диапазоном (490 – 778) МГц, в котором идёт вещание телевизионных эфирных цифровых мультиплексов. Короче, обложили по полной и в качестве компенсации предлагают теперь телевизионные фильтры защиты от помех по цене бюджетной цифровой телевизионной приставки. Я давно уже отказался от самодельных антенных селективных усилителей, так как телевизионные передатчики эфирного цифрового телевидения развернулись через каждые 30 - 50 км. Ещё плотнее и ближе ко мне поднялись мачты-р

За городом на даче мобильник, поймав сигнал сотовой связи, с максимальной мощностью выстреливал СВЧ посылки в поисках ближайшего ретранслятора для обеспечения устойчивого соединения. Звонка ещё не было, но цифровая картинка на экране телевизора, работающего в стандарте DVB-T2, хрюкнув, зависла на время. Причина в дешёвом цифровом ресивере, который не обеспечивает защиту от помех мобильных устройств LTE (790 - 862), МГц и GSM (890 - 960) МГц и Tele2 (450 - 470) МГц. Частоты сотовых ретрансляторов вплотную расположены с диапазоном (490 – 778) МГц, в котором идёт вещание телевизионных эфирных цифровых мультиплексов. Короче, обложили по полной и в качестве компенсации предлагают теперь телевизионные фильтры защиты от помех по цене бюджетной цифровой телевизионной приставки.

Я давно уже отказался от самодельных антенных селективных усилителей, так как телевизионные передатчики эфирного цифрового телевидения развернулись через каждые 30 - 50 км. Ещё плотнее и ближе ко мне поднялись мачты-ретрансляторы сотовых операторов, обвешенные антеннами разных коммерческих компаний.

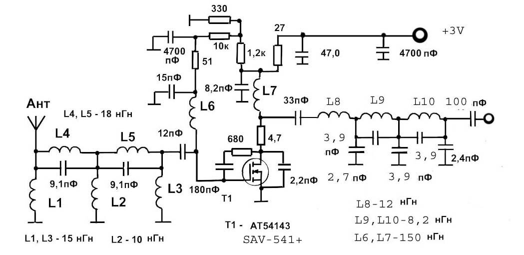
Схема самодельного антенного усилителя 490 - 750 МГц. ФВЧ на входе усилителя, ФНЧ на выходе усилителя.
Схема самодельного антенного усилителя 490 - 750 МГц. ФВЧ на входе усилителя, ФНЧ на выходе усилителя.

Фото самодельного антенного усилителя.
Фото самодельного антенного усилителя.

Правда и задача у меня упростилась и вместо усилителей теперь можно использовать их пассивные селективные избирательные системы, те самые фильтры (ФНЧ, ФВЧ и полосовые).

Так какой фильтр выбрать?

Я решил импровизировать и сделал самый простой пассивный фильтр нижних частот (ФНЧ) для подавления сигнала GSM, LTE и частот выше 960 МГц.

Пассивный фильтр нижних частот (ФНЧ).

Рис. 1  Схема фильтра нижних частот.
Рис. 1 Схема фильтра нижних частот.

При изготовлении фильтра я предпринял попытку унификации для его удобного изготовления. Все катушки состоят из одного витка, а конденсаторы одного номинала. Во избежание потерь, вносимым фильтром, катушки отличаются большей добротностью по сравнению с теми, которые я использовал в селективных усилителях.

Рис. 2.  АЧХ фильтров.  1 - номинал конденсаторов 3,3 пФ.                                                                          2 - номинал конденсаторов 2,7 пФ.
Рис. 2. АЧХ фильтров. 1 - номинал конденсаторов 3,3 пФ. 2 - номинал конденсаторов 2,7 пФ.

На графике(рисунок 2) видно как меняется частота среза при разных номиналах конденсаторов и неизменных катушках.

Первая АЧХ соответствует установке конденсаторов с номиналом 3,3 пФ, а вторая с номиналами конденсаторов 2,7 пФ. Такой фильтр сильнее подавляет близкие к диапазону эфирного цифрового телевидения сигналы мобильных устройств GSM и LTE.

Характеристики фильтра.

Ослабление в полосе пропускания 0,5 дБ.

Остальные характеристики соответствуют графику на рисунке 2.

Рис. 3.  Эскиз конструкции фильтра.
Рис. 3. Эскиз конструкции фильтра.
Фото 1.
Фото 1.
Фото 2.
Фото 2.

Катушки выполнены проводом ПЭЛ диаметром 0,5 мм и содержат один виток, намотанный на оправке 4 мм. Конденсаторы керамические тип SMD для планарного монтажа. Монтаж сделан на двухстороннем стеклотекстолите толщиной 1 – 1,5 мм. Одна сторона платы служит проводящим экраном, который лужёной медной фольгой по всей боковой её длине соединён со стороной монтажа. Конструкцию вместе с разъёмами необходимо экранировать.

Рис 4. ФНЧ в программе RFSimm99.
Рис 4. ФНЧ в программе RFSimm99.
 Фото 3.   АЧХ ФНЧ. (Rвх = Rвых = 50 Ом, 730 МГц - 2 дБ, 790 МГц - 14 дБ)                  (Rвх = Rвых = 75 Ом, 750 МГц - 2 дБ, 790 МГц - 12 дБ).
Фото 3. АЧХ ФНЧ. (Rвх = Rвых = 50 Ом, 730 МГц - 2 дБ, 790 МГц - 14 дБ) (Rвх = Rвых = 75 Ом, 750 МГц - 2 дБ, 790 МГц - 12 дБ).

Испытание фильтра.

Когда я подсоединил фильтр к приставке, то уровень сигнала вырос на 1 – 3 %, а подёргивание полоски качества с (70 - 95) %, ограничилось максимальным значением (95 – 100) %.

Фильтр верхних частот (ФВЧ).

Рис. 5  Фильтр верхних частот.
Рис. 5 Фильтр верхних частот.

Такой фильтр пропускает всё, что выше частоты 490 МГц, оставляя за кормой индустриальные помехи и помехи современных преобразователей напряжений бытовых источников питания, передатчиков коротких волн, диапазона УКВ и FM, коммерческой связи включая TELE-2. Для подавления частот 450 – 470 МГц относительно 490 потребуется более сложная схема фильтрации, и проще было бы использовать режекторный фильтр на ПАВ в составе с ФВЧ.

Я пока остановился на простом варианте фильтра, и получить ослабление в 20 дБ на частоте 470 относительно 490 МГц было бы неплохим результатом.
Такой фильтр нуждается в регулировке в том случае, когда частота мультиплексного пакета (как в случае частоты 490 МГц) почти вплотную расположена с частотой среза фильтра.

    Конструкция фильтра (рис. 5).

 ФВЧ имеет следующие номиналы: С1, С2 – (12 - 15) пФ, L2, L3, L4 – один виток провода диаметром 0,5 мм на оправке 4мм. L1, L5 – два витка провода диаметром 0,5 мм на оправке 4 мм. Сами витки раздвинуты и расстояние между витками 3 мм.

Рис 6. ФВЧ в программе RFSimm99.
Рис 6. ФВЧ в программе RFSimm99.
Фото 4.  АЧХ фильтра верхних частот. Обзор 300 -750 МГц. 496 МГц - 1,5 дБ, 470 МГц - 7,5 дБ.
Фото 4. АЧХ фильтра верхних частот. Обзор 300 -750 МГц. 496 МГц - 1,5 дБ, 470 МГц - 7,5 дБ.

Полосовой фильтр диапазона ДМВ (490 - 725).

Рис. 7. Полосовой фильтр в программе RFSimm99.
Рис. 7. Полосовой фильтр в программе RFSimm99.
Фото 5.  Полосовой фильтр. Обзор 350 - 1100 МГц.  490 МГц - 2дБ,  725 МГц - 2 дБ,                470 МГц - 6,5 дБ, 790 МГц - 8,5 дБ.
Фото 5. Полосовой фильтр. Обзор 350 - 1100 МГц. 490 МГц - 2дБ, 725 МГц - 2 дБ, 470 МГц - 6,5 дБ, 790 МГц - 8,5 дБ.