Иногда необходимо включить трёх фазный асинхронный двигатель в однофазную сеть. Для этого применяют конденсаторы. Но конденсаторы для этих целей требуются с удвоенным напряжением. Если сеть имеет например напряжение в 220 вольт, то конденсатор нужен не менее 400, а ещё лучше на 600 вольт. К тому же если требуется большая ёмкость, то такие конденсаторы в цене обходятся чуть ли не в половину стоимости самого двигателя. Чтобы обойти такое дорогое решение и применить альтернативное решение. Я предлагаю присмотреться вот к этой схеме:
Иногда необходимо включить трёх фазный асинхронный двигатель в однофазную сеть. Для этого применяют конденсаторы. Но конденсаторы для этих целей требуются с удвоенным напряжением. Если сеть имеет например напряжение в 220 вольт, то конденсатор нужен не менее 400, а ещё лучше на 600 вольт. К тому же если требуется большая ёмкость, то такие конденсаторы в цене обходятся чуть ли не в половину стоимости самого двигателя. Чтобы обойти такое дорогое решение и применить альтернативное решение. Я предлагаю присмотреться вот к этой схеме:
...Читать далее
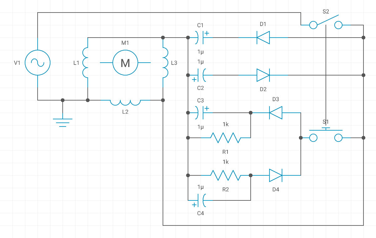
Иногда необходимо включить трёх фазный асинхронный двигатель в однофазную сеть. Для этого применяют конденсаторы. Но конденсаторы для этих целей требуются с удвоенным напряжением. Если сеть имеет например напряжение в 220 вольт, то конденсатор нужен не менее 400, а ещё лучше на 600 вольт. К тому же если требуется большая ёмкость, то такие конденсаторы в цене обходятся чуть ли не в половину стоимости самого двигателя. Чтобы обойти такое дорогое решение и применить альтернативное решение. Я предлагаю присмотреться вот к этой схеме:
Как видно там тоже имеются конденсаторы, но суть в том, что конденсаторы работают отдельно, каждый на своей волне сети. Такое решение позволяет снизить рабочее напряжение конденсатора до напряжения сети. И позволяет к тому же использовать оксидные конденсаторы, которые дешевле намного и не дефицитные, используется практически везде , в телевизорах например. Диоды разделяющие волну должны быть рассчитаны на обратное напряжение не менее 300 вольт, если двигатель работает на 220 вольт. Диоды типа Д242 например могут работать на нагрузку до двух киловатт. Такой электронный запуск двигателя имеет много преимуществ. Пусковая и включающая кнопка имеет механическую связь, пусковая кнопка включает пусковые конденсаторы и отключается. Рабочие конденсаторы работают поочередно, на отрицательных и положительных волнах соответственно. Обмотки двигателя не испытывают отставания по фазе, как это происходит в классической схеме, от этого двигатель и не теряет столько мощности. Включив временно амперметры в фазы двигателя а, в,с можно подобрать одинаковые токи в каждой обмотке, с помощью подбора ёмкости рабочих конденсаторов. Выравнивать токи нужно когда двигатель включён и нагружен на среднюю рабочую нагрузку. Пусковые конденсаторы в работе не участвуют, они лишь нужны в момент пуска. Единственное замечание по поводу оксидных конденсаторов, они как правило работают отлично. И могут испортиться если произойдет пробой диода. Тогда к конденсатору приложится обратное напряжение и он взорвётся. Поэтому лучше застраховаться и поставить сдвоенный или четвертной диод. То есть два или четыре диода включенных паралельно. Вместо оксидных можно конечно и другие использовать которые не зависят от полюсов напряжения, но тогда теряется смысл схемы. Единственное что позволит использовать конденсаторы на пониженное напряжение, так как не будут складываться ток сети и ток конденсатора. Потому что диод будет запираться и препятствовать умножению напряжения.
