Найти в Дзене
Дед клуб

Два трансформатора в однотактном выходном каскаде лампового усилителя

«Два трансформатора в выходном каскаде». Есть такой заголовок в журнале «Радиофронт» 1933 02 в разделе «Техническая консультация». В данной статье рекомендовалось в ламповом однотактном усилителе звуковой частоты вместо одного выходного трансформатора использовать два, последовательно включив их обмотки. В этом случае частотная характеристика усилителя в области нижних частот будет линейной. Причина соединения трансформаторов таким способом взята из первоисточника. Этот текст я привёл в сокращении. А почему бы и не попробовать, ведь у меня в наличии были советские бюджетные трансформаторы от старых радиол второго класса и, чтобы выровнять амплитудно частотную характеристику (АЧХ) самодельного лампового усилителя, мне проходилось использовать межкаскадную отрицательную обратную связь (ООС). Без этой связи уже на частоте 100 Гц образуется завал АЧХ на 6 дБ. Но это неправильно утверждали мне к комментариях, тетрод можно включить триодом, АЧХ будет лучше, ООС в ламповых схемах лишняя - э

«Два трансформатора в выходном каскаде». Есть такой заголовок в журнале «Радиофронт» 1933 02 в разделе «Техническая консультация». В данной статье рекомендовалось в ламповом однотактном усилителе звуковой частоты вместо одного выходного трансформатора использовать два, последовательно включив их обмотки. В этом случае частотная характеристика усилителя в области нижних частот будет линейной.

Журнал "Радио фронт"  1933  02.
Журнал "Радио фронт" 1933 02.

Причина соединения трансформаторов таким способом взята из первоисточника. Этот текст я привёл в сокращении.

А почему бы и не попробовать, ведь у меня в наличии были советские бюджетные трансформаторы от старых радиол второго класса и, чтобы выровнять амплитудно частотную характеристику (АЧХ) самодельного лампового усилителя, мне проходилось использовать межкаскадную отрицательную обратную связь (ООС). Без этой связи уже на частоте 100 Гц образуется завал АЧХ на 6 дБ.

Рис. 1   Исходная схема УНЧ.
Рис. 1 Исходная схема УНЧ.

Но это неправильно утверждали мне к комментариях, тетрод можно включить триодом, АЧХ будет лучше, ООС в ламповых схемах лишняя - это будет уже не тот ламповый звук. Правда, раньше об этом не задумывались и межкаскадную ООС, уменьшающую частотные и нелинейные искажения использовали в ширпотребовской аппаратуре.

Честно говоря, когда я последовательно подключил второй трансформатор, то не заметил существенной разницы. На слух мне не определить возросший уровень низких частот на 3 дБ, которые уловили измерительные приборы.

Фото 1. Я хотел свернуть экспозицию.
Фото 1. Я хотел свернуть экспозицию.

Я хотел было уже свернуть экспозицию, но вспомнил об ультралинейной схеме включения выходного пентода и лучевого тетрода, когда их экранирующие сетки подсоединяются к отводу первичной обмотки трансформатора, образуя, таким образом, местную отрицательную обратную связь.

“Ультра-Линейный” усилитель (Ultra-Linear amplifier. US Patent 2,218,902, dated 5 June 1937).

Рис.2. Ультралинейный выходной каскад на лучеврм тетроде.
Рис.2. Ультралинейный выходной каскад на лучеврм тетроде.

Схема включения трансформатора с отводом 25% от плюса питания к экранирующей сетки лампы будет сочетать в себе лучшие качества пентода и триода.

Сделав, таким образом, несколько взмахов паяльника, подсоединил экранирующую сетку тетрода к двум трансформаторам и застыл в ожидании плавно вырисовывающейся картинки на экране осциллографа. Сработало!!!

Самое интересное, что в этом опыте я схватил первый попавшийся под руку трансформатор, возможно даже от сетевого понижающего блока питания и был сильно удивлён полученным результатом. АЧХ стала линейной вплоть до 50 Гц (0 дБ), и нелинейные искажения уменьшились, а порог ограничения выходного сигнала наступил с чуть большей мощностью.

Это видно невооружённым глазом.

Фото 2.  Сигнал на выходе исходного УНЧ (рис.1, без межкаскадной обратной связи)
Фото 2. Сигнал на выходе исходного УНЧ (рис.1, без межкаскадной обратной связи)
Рис 3. Выходной  каскад с двумя трансформаторами.
Рис 3. Выходной каскад с двумя трансформаторами.
Фото 3. Сигнал на выходе усилителя с двумя трансформаторами.
Фото 3. Сигнал на выходе усилителя с двумя трансформаторами.

Вместо акустической колонки я подключил 5-и ватный резистор номиналом 4,7 Ом, в противном случае динамик застучал бы автоматной очередью на самых низких частотах. Подавал с генератора выходной уровень до момента ограничения его на выходе усилителя и сравнил два синусоидальных сигнала.

При подключении первичных и вторичных обмоток трансформаторов важно знать начало и конец намотки, при несоблюдении этого момента опыт может не получиться. Здесь я экспериментировал, используя метод сравнения, подыскивая лучший результат, меняя местами трансформаторы и их отводы. Кстати, вторичные обмотки я подключил параллельно. В каждом конкретном случае надо пробовать.

Фото 4.
Фото 4.
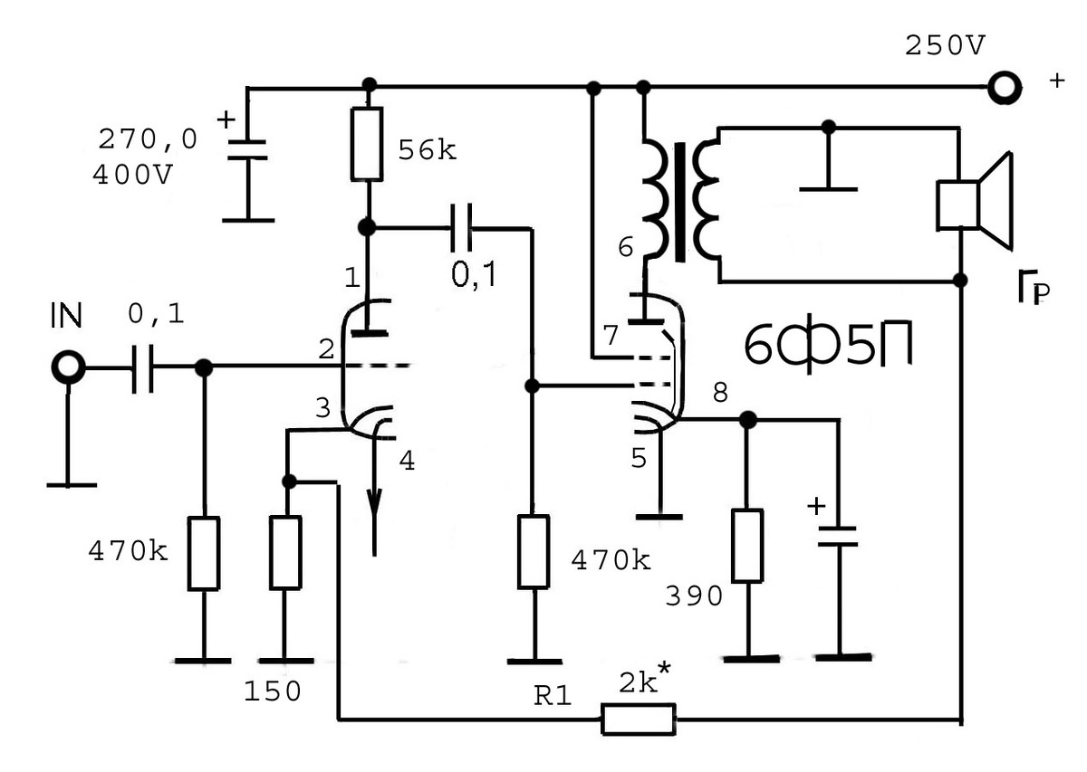
Рис 4. Доработанная схема усилителя с дополнительным каскадом на лампе 6Ж1П.
Рис 4. Доработанная схема усилителя с дополнительным каскадом на лампе 6Ж1П.

Избавившись от межкаскадной отрицательной обратной связи и применив ульталинейную схему включения двух выходных трансформаторов, я улучшил характеристики усилителя (линейность АЧХ, уменьшение нелинейных искажений при большей мощности), но потерял коэффициент усиления на 6 дБ в отличии от исходного образца. Решить проблему помог дополнительный апериодический (резистивный) каскад усиления на высокочастотном пентоде 6Ж1П. В условиях слабого входного сигнала он не вносит частотных и нелинейных искажений.

Возможно, такой бюджетный подход кому-то поможет. Я попробовал и остался доволен результатом. Теперь дело за вами. Всем удачи и успехов!

Фото 5.
Фото 5.

А я теперь по-новому наслаждаюсь работой своего лампового усилителя.