Добавить в корзинуПозвонить
Найти в Дзене
Минус фунт

542. Схемотехника для начинающих. Урок 13, Эмиттерный повторитель, Двухтактный выходной каскад, Составной транзистор

В 11 уроке мы разобрали схему усилителя с общим эмиттером (ОЭ). Разобранные в 12 уроке схемы генераторов также оказываются схемами усилителя с ОЭ, охваченными цепями ПОС для создания генерации. Тогда же было упомянуто, что кроме схем с ОЭ, существуют схемы с общим коллектором (ОК) и общей базой (ОБ). Но схема с ОБ применяется очень редко, а схема с ОК обычно называется эмиттерным повторителем. Само название схемы - эмиттерный повторитель - свидетельствует о том, что выходной сигнал снимается не с коллектора (как в схеме с ОЭ), а с эмиттера. "Общий" в схемах с ОЭ, ОК и ОБ означает, что соответствующий вывод транзистора (эмиттер, коллектор или база) является общим, т.е. "заземленным". Но под заземлением имеется в виду заземление лишь по переменному току, по постоянному на "общем" выводе может быть отличный от 0 потенциал, который необходим для работы схемы, установления режима транзистора по постоянному току. "Общий" вывод является общим для входной и выходной цепей лишь по переменному
Оглавление

В 11 уроке мы разобрали схему усилителя с общим эмиттером (ОЭ). Разобранные в 12 уроке схемы генераторов также оказываются схемами усилителя с ОЭ, охваченными цепями ПОС для создания генерации. Тогда же было упомянуто, что кроме схем с ОЭ, существуют схемы с общим коллектором (ОК) и общей базой (ОБ). Но схема с ОБ применяется очень редко, а схема с ОК обычно называется эмиттерным повторителем.

Схема с общим коллектором (эмиттерный повторитель)

Само название схемы - эмиттерный повторитель - свидетельствует о том, что выходной сигнал снимается не с коллектора (как в схеме с ОЭ), а с эмиттера. "Общий" в схемах с ОЭ, ОК и ОБ означает, что соответствующий вывод транзистора (эмиттер, коллектор или база) является общим, т.е. "заземленным". Но под заземлением имеется в виду заземление лишь по переменному току, по постоянному на "общем" выводе может быть отличный от 0 потенциал, который необходим для работы схемы, установления режима транзистора по постоянному току. "Общий" вывод является общим для входной и выходной цепей лишь по переменному току.

Вспомним - в схеме с ОЭ, самой распространенной, потенциал эмиттера не равен 0, посредством резистора в цепи эмиттера напряжение на эмиттере выбирается в пределах 0,1-0,2 от напряжения питания. Но для "заземления" по переменному току резистор в цепи эмиттера шунтируется конденсатором достаточной емкости, и тем самым "заземляется" по переменному току.

В схеме с ОК на транзисторе n-p-n типа на коллектор необходимо подать плюс источника напряжения, в то время как общая шина питания минусовая. Но источник питания всегда "закорочен" по переменному току через конденсатор фильтра на выходе источника питания (или малое внутреннее сопротивление аккумулятора или батареи).

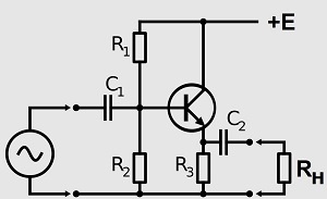
Итого, здесь тоже все сходится. Схема каскада с ОК (эмиттерного повторителя) ниже.

-2

Как и в схеме с ОЭ, режим работы транзистора определяется сопротивлениями резисторов R1, R2, R3. Rн - сопротивление нагрузки. В отличие от схемы с ОЭ, резистор R3 в цепи эмиттера конденсатором большой емкости не шунтируется - в схеме с ОЭ конденсатор нужен для устранения ООС по переменному напряжению, здесь же 100%-ная ООС необходима для работы схемы, она увеличивает входное сопротивление, уменьшает выходное сопротивление и искажения.

С учетом того, что падение напряжения на переходе база-эмиттер мало и примерно постоянно по величине вне зависимости от тока базы, при подаче на вход схемы переменного напряжения сигнала оно полностью повторяется на эмиттере, а через разделительный конденсатор С2 на сопротивлении нагрузки Rн. Тем самым, коэффициент усиления каскада по напряжению близок к 1 (по факту несколько меньше), отчего каскад называется эмиттерным повторителем.

Вполне закономерен вопрос - зачем нужен каскад усилителя, усиление не обеспечивающий? Ответ не менее прост - поскольку в цепи эмиттера ток гораздо больше, чем в цепи базы, происходит усиление по току. Но на практике мы оперируем понятиями входного и выходного сопротивления каскада. Входное сопротивление эмиттерного повторителя сравнительно высокое, гораздо выше входного сопротивления каскада с ОЭ, т.е. эмиттерный повторитель мало нагружает предыдущий каскад, что является огромным преимуществом. Например, не следует нагружать каскад с колебательным контуром - нагрузка уменьшает избирательность колебательного контура, его способность выделять узкую полосу частот из всех приходящих сигналов.

Двухтактный оконечный каскад УНЧ на основе эмиттерных повторителей

Для перехода к рассмотрению работы эмиттерных повторителей в схеме 2-тактного бестрансформаторного каскада оконечного усилителя НЧ, вначале рассмотрим 2 схемы оконечных каскадов УНЧ с ОЭ.

-3

В левой схеме (однотактный усилитель) режим работы транзистора (ток коллектора) выбирается таким, чтобы при подаче на вход каскада напряжения сигнала НЧ у тока коллектора оставался достаточный "запас" для симметричного изменения вниз и вверх. Тем самым, каскад потребляет ток даже в отсутствие сигнала, что является его недостатком, мощные усилители на подобной схеме не выполняют. Однако качество работы каскада достаточно высокое, при низком коэффициенте полезного действия (15-35%). Подобные усилители относятся к усилителям класса А. Усилители класса А считаются золотым стандартом среди аудиофилов благодаря минимальным искажениям.

С целью повышения экономичности усилителя выгодно отдельно усиливать положительную полуволну входного напряжения, и отдельно отрицательную, с отдельным транзистором для каждой полуволны, со сложением обеих полуволн на нагрузке. Подобная схема (правая по рисунку выше) называется двухтактной, и в ней применяются транзисторы одной полярности. Режим работы транзисторов выбирается таким, чтобы в отсутствие сигнала токи коллекторов были минимальными, общий ток потребления возрастает лишь с появлением сигнала. Этот режим называется режимом класса В. При высокой экономичности (с типовым КПД 60–70%), режиму класса В свойственны специфические переходные искажения типа "ступенька" в области перехода входного сигнала через 0, и в высококачественной аппаратуре эта схема не применяется.

-4

Разумным компромиссом между классами А и В является промежуточный класс АВ с промежуточными характеристиками – КПД выше, чем КПД усилителей класса A, а нелинейные искажения ниже, чем искажения, присущие классу B. Достигается это за счет того, что рабочая точка транзисторов выходного каскада выбирается отличной от нулевого тока.

Таким образом, при выстраивании ряда классов усилителей А, АВ, В искажения возрастают справа налево, а КПД возрастает слева направо.

Существует еще класс усилителей D, принципы его работы будет разумно рассмотреть позднее, после рассмотрения работы выпрямителя с ШИМ (широтно-импульсной модуляцией). Также существуют еще 2 совершенно экзотических режима - G (используются несколько источников питания, с переключением между ними в зависимости от уровня входного сигнала) и H (дополнительное напряжение для воспроизведения мощных сигналов создается конденсатором вольтодобавки), с применением в мощных сценических усилителях и автозвуке.

Недостатком схем с ОЭ является необходимость использования, при работе на громкоговоритель или акустическую систему (АС), выходного понижающего трансформатора для согласования требуемого высокого сопротивления нагрузки (несколько килоом или сотен ом) с низким сопротивлением нагрузки (типичный импеданс громкоговорителя или АС от 4 до 16 ом). Еще проще объяснить, отчего трансформатор понижающий, через напряжения на его первичной и вторичной обмотках.

Размах напряжения на первичной обмотке определяется напряжением питания, и теоретически по амплитудам переменного напряжения может достигать напряжения питания. На громкоговорителе при его мощности в несколько ватт напряжение не выше единиц вольт, включить же низкоомный громкоговоритель в цепь коллектора на удается, причины изложены выше.

Поскольку импеданс громкоговорителя растет с ростом частоты (ввиду присущей звуковой катушке индуктивности), параллельно первичной обмотке выходного трансформатора обычно включают конденсатор небольшой емкости для компенсации этого увеличения.

Выходной трансформатор дорог (материалы сердечника, обмоток), его габариты и вес велики, он вносит частотные искажения в воспроизведение, и желательно использовать в усилителях схему без его применения.

Выше мы рассмотрели эмиттерный повторитель, у которого низкое выходное сопротивление, т.е. становится возможным оконечный каскад на основе схемы с ОК и включением низкоомной нагрузки в цепь эмиттера. Для повышения экономичности необходимо опять выбрать режим В или АВ, т.е. использовать в выходном каскаде 2 транзистора, отдельно для каждой полуволны напряжения сигнала. На рисунке ниже изображены отдельно 2 усилителя - каждый для своей полуволны, соответственно транзисторы должны быть разной проводимости, и возникает необходимость в 2 источниках питания разной полярности.

-5

На рисунке выше левая схема для положительной полуволны сигнала, правая для отрицательной. Объединим обе схемы, для чего сделаем нагрузку Rн общей.

-6

Недостаток - необходимо иметь 2 источника напряжения разной полярности или 1 двухполярный источник питания. Но напряжение источника питания можно поделить искусственно, запитав нагрузку через разделительный конденсатор большой емкости (электролитический).

-7

Несмотря на то, что коллектор верхнего по схеме транзистора (n-p-n) подключен к плюсу источника питания, а нижнего (p-n-p типа) к минусу (который заземлен), обе части схемы являются усилителями с ОК, или эмиттерными повторителями - коллекторы "общие" по переменному току через источник питания, это вопрос рассматривался выше.

В этой схеме особая роль отведена разделительному конденсатору С2. При правильном подборе транзисторов пары (по возможности с одинаковыми параметрами и допустимым разбросом лишь в несколько процентов - такая пара транзисторов называется комплементарной) напряжение на эмиттерах транзисторов при подаче сигнала на вход схемы будет изменяться симметрично относительно +E и 0, т.е. постоянная составляющая этого напряжения будет составлять половину напряжения питания Е/2, что и создаст искусственную "среднюю точку" источника питания.

На нагрузку (громкоговоритель) в силу свойств конденсатора проходит лишь переменная составляющая меняющегося напряжения на эмиттерах. Чтобы в течение периода напряжения сигнала (на самой низкой его частоте) конденсатор С2 не успевал перезаряжаться (поддерживалось постоянное напряжение на его обкладках), его емкость должна быть очень большой, порядка тысяч микрофарад.

Легко видеть, что вывод громкоговорителя, заземленный на схеме выше, может быть подсоединен и к плюсу источника питания, работу схемы это не изменит. Схемы усилителей по примерам выше упрощены с целью продемонстрировать основную суть их работы. Реальные схемы усложнены за счет элементов задания и стабилизации режима работы транзисторов, уменьшения искажений. Главное углядеть на принципиальной схеме сложного устройства известный вам блок или каскад, выделить главные элементы и ознакомиться с второстепенными, назначение которых будет описано в пояснениях к схеме либо непосредственно уяснено по особенностям - все приходит с опытом, вариантов каждой базовой схемы существуют десятки, если не сотни.

Составной транзистор (схема Дарлингтона)

Наиболее наглядный пример работы эмиттерного повторителя - схема составного транзистора (или схема Дарлингтона), см. ниже.

-8

После соединения 2 транзисторов по схеме, у сборки всего 3 внешних вывода - база левого транзистора, эмиттер правого, и соединенные вместе коллекторы обеих транзисторов. Эти выводы являются соответственно базой, эмиттером и коллектором составного транзистора.

Левый транзистор работает по схеме эмиттерного повторителя, с переходом база-эмиттер правого транзистора в качестве сопротивления нагрузки. Тем самым, составной транзистор обладает очень высоким коэффициентом усиления по току, равным произведению коэффициентов усиления обоих транзисторов, и высоким входным сопротивлением. В цепь же коллектора составного транзистора может быть включена мощная нагрузка, соответствующая допустимому току коллектора правого транзистора.

Можно возразить, что левый транзистор не вполне "эмиттерный повторитель", поскольку его коллектор не подключен к плюсу источника питания, и тем самым на его коллекторе напряжение меняется. Но в том и состоит особенность эмиттерного повторителя - его коэффициент усиления по напряжению мало зависит от коллекторного напряжения.

К недостаткам составного транзистора можно отнести:

  • суммирование падений напряжения база-эмиттерных переходов биполярных транзисторов, т.е. вместо обычных падений напряжения в 0,5-0,7 В (для кремниевых транзисторов) следует рассчитывать на напряжение порядка 1,0-1,4 В или вместо 0,1-0,2 В (для германиевых транзисторов) 0,2-0,4 В;
  • большое падение напряжения эмиттер-коллектор у открытого транзистора (доходит до 1-2 В);
  • низкое быстродействие в сравнением с быстродействием одного транзистора.

Иногда для увеличения быстродействия составного транзистора между переходом база-эмиттер правого транзистора включают резистор сопротивлением несколько сотен или тысяч ом.

Производители зачастую выпускают составные транзисторы в виде сборки в одном корпусе с 3 выводами. Эти транзисторы обладают большим коэффициентом усиления (до 6000) и большими допустимыми токами на выходе (до 20 А). Примером подобного транзистора являются транзисторы 2Т827 (КТ827). Ниже внешний вид транзистора данной серии и его эквивалентная схема (с включением некоторых дополнительных элементов, способствующих улучшению работы составного транзистора).

-9

Итак, в данном уроке, посвященном схеме усилителя с общим коллектором (эмиттерному повторителю), после представления схемы с ОК были рассмотрены 2-тактный бестрансформаторный выходной каскад УНЧ и составной транзистор (схема Дарлингтона), обе схемы на основе эмиттерного повторителя.

Схемотехника для начинающих