Добавить в корзинуПозвонить
Найти в Дзене
Минус фунт

539. Схемотехника для начинающих. Урок 10, Настройка колебательных контуров, Варикапы, Стабилитроны, Ограничители

Для начала рассмотрим процесс настройки колебательного контура входной цепи радиовещательного приемника, усилителя высокой частоты, перестраиваемого генератора сигналов. Далее будет рассмотрена электронная настройка контура варикапом, стабилизатор выпрямленного напряжения на стабилитроне и диодный ограничитель речевого сигнала. На рисунке ниже типичный входной контур радиовещательного приемника, с некоторым коэффициентом перекрытия диапазона (отношением верхней частоты диапазона к нижней). Скажем, в диапазоне средних волн (СВ), вещание на котором еще ведется в некоторых странах, диапазон частот 525-1605 кГц, а коэффициент перекрытия равен 1605/525=3,057. Для надежности в расчеты закладывается больший в 1,05 раза коэффициент перекрытия, или 1,05*3,057=3,210. Колебательный контур, настроенный на частоту приходящего сигнала - это катушка индуктивности L с позволяющим изменять индуктивность в некоторых пределах подстроечным сердечником, конденсатор переменной емкости (КПЕ) С, подключенны
Оглавление

Для начала рассмотрим процесс настройки колебательного контура входной цепи радиовещательного приемника, усилителя высокой частоты, перестраиваемого генератора сигналов.

Далее будет рассмотрена электронная настройка контура варикапом, стабилизатор выпрямленного напряжения на стабилитроне и диодный ограничитель речевого сигнала.

Настройка колебательного контура

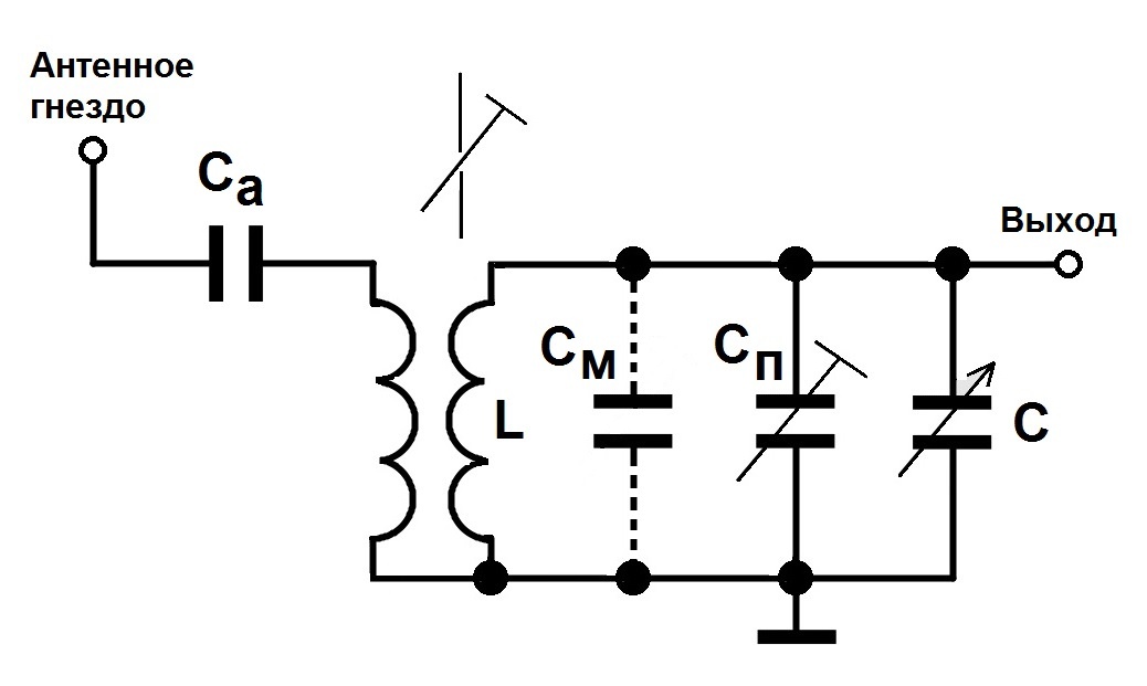
На рисунке ниже типичный входной контур радиовещательного приемника, с некоторым коэффициентом перекрытия диапазона (отношением верхней частоты диапазона к нижней).

-2

Скажем, в диапазоне средних волн (СВ), вещание на котором еще ведется в некоторых странах, диапазон частот 525-1605 кГц, а коэффициент перекрытия равен 1605/525=3,057. Для надежности в расчеты закладывается больший в 1,05 раза коэффициент перекрытия, или 1,05*3,057=3,210.

Колебательный контур, настроенный на частоту приходящего сигнала - это катушка индуктивности L с позволяющим изменять индуктивность в некоторых пределах подстроечным сердечником, конденсатор переменной емкости (КПЕ) С, подключенные параллельно КПЕ подстроечный конденсатор Сп, емкость монтажа См (порядка 15-30 пФ), емкость катушки (с которой надо считаться, это несколько пикофарад для однослойной катушки и до 30 пФ для многослойной), а также индуктивность и емкость подключенной к антенному гнезду через разделительный конденсатор Са антенны.

Катушки индуктивности с подстроечными сердечниками
Катушки индуктивности с подстроечными сердечниками

Поскольку к приемнику предполагается подключение разных антенн (если это только не профессиональный приемник, где антенна может быть штатной, в т.ч. приемопередающей), влияние антенны в некоторой степени устраняется разделительным конденсатором Са.

При настройке приемника сигнал на антенное гнездо подается от перестраиваемого по частоте генератора высокой частоты (при необходимости промодулированного по амплитуде или частоте). Генератор необходимо соединить с антенным гнездом приемника через эквивалент антенны, который заменяет реальную антенну при настройке приемников или передатчиков. Ниже схема одного из вариантов эквивалента антенны, всего их существует много, для разных диапазонов волн и типов приемников.

-4

В формулу резонансной частоты колебательного контура емкость контура входит как квадратный корень, тем самым, для обеспечения коэффициента перекрытия 3,210 (к примеру выше), емкость конденсатора контура с учетом дополнительных емкостей должна измениться в 3,210^2=10,3 раза.

Емкость типичного конденсатора переменной емкости изменяется в пределах 12-495 пФ, что превышает необходимый коэф. перекрытия; следовательно, для приведения коэф. перекрытия к должному параллельно КПЕ в схеме должен быть подключен дополнительный конденсатор. Его емкость - это влияние антенны, емкость монтажа, входа последующей схемы, самой катушки контура и пр., а также включаемого в схему подстроечного конденсатора Cп, емкость которого рассчитывается разработчиком с запасом, чтобы типичное положение движка (ротора) "подстроечника" после настройки соответствовало среднему его положению.

Ниже подстроечные конденсаторы, заливка краской на роторе отмечает положение максимальной емкости. Минимальная емкость - в противоположном положении ротора. Изменяется емкость подстроечного конденсатора вращением ротора, для чего предусмотрен шлиц под отвертку.

-5

Также, катушка индуктивности снабжена подстроечным сердечником, позволяющим изменять ее индуктивность в пределах ±30%.

Здесь необходимо обратить внимание на 2 важных момента, без понимания которых невозможно грамотно настроить контур. Сердечник изменяет индуктивность катушки, тем самым в равной степени (в относительных единицах) изменяет все частоты диапазона, в т.ч. и верхнюю и нижнюю.

Что касается второго регулировочного элемента (подстроечного конденсатора Сп), то его влияние на верхней частоте диапазона (где суммарная емкость контура минимальна) сильнее, чем на нижней частоте (где суммарная емкость контура максимальна). Это вызвано тем, что верхней частоте диапазона соответствует минимальное значение емкости КПЕ 12 пФ, а нижней частоте - максимальное значение 495 пФ.

Отсюда вытекает следующая рекомендация по настройке контура (самая общая, для освоения системы; к определенной схеме приемного устройства или генератора производитель может прилагать свою инструкцию по настройке, также указать необходимые для этого приборы).

  1. Выставляем подстроечный конденсатор Сп в среднее положение (соответствует средней его емкости).
  2. Выставляем на шкале низшую частоту диапазона.
  3. Настраиваем контур на эту частоту вращением сердечника катушки.
  4. Выставляем на шкале верхнюю частоту диапазона.
  5. Настраиваем контур на эту частоту подстроечным конденсатором.

Казалось бы, вот и все. Но ведь на нижнюю частоту мы настроили контур индуктивностью, а после изменения емкости подстроечного конденсатора нижняя частота изменилась. Вновь возвращаемся к п.2, производим подстройку низшей частоты индуктивностью п.3, после чего выполняем пп. 4, 5.

Затем вновь п.2 и т.д. Вопрос, не попали ли мы в "порочный круг", последовательно настраивая и вновь расстраивая контур? Да нет - описанный выше процесс настройки сходится, каждый последующий цикл настройки оказывается все более "тесным", а когда будет замечено, что процесс сошелся (очередная подстройка сердечником или подстроечным конденсатором не понадобилась), процесс настройки завершен.

После чего остается установить на шкале настройки среднюю частоту диапазона (для СВ это 1 МГц), и убедиться, меняя частоту генератора сигналов, что несоответствие находится в пределах допустимого.

Аналогично настраивается контур коротких волн, при условии перекрытия всего диапазона 3,95-12,10 МГц или схожего по коэффициенту перекрытия.

При настройке возможны 2 случая - может "недоставать" пределов изменения емкости подстроечного конденсатора Сп и/или пределов изменения индуктивности L подстроечным сердечником. Т.е. если будет замечено, что при настройке ротор подстроечного конденсатора Сп выводится в одно из крайних положений, либо же сердечник подстройки индуктивности также выводится в положение минимальной или максимальной индуктивности, контур настроить не удастся.

Дефект либо в неверном расчете числа витков катушки, либо в неверном учете емкостей. Что либо менять в подобном случае - не забота регулировщика РЭА. Если же настраивается индивидуальная конструкция, необходимо вновь подобрать число витков катушки, емкость подстроечного конденсатора и/или включить параллельно подстроечному конденсатору конденсатор небольшой емкости.

Колебательный контур с варикапом

Вместо конденсатора переменной емкости в колебательный контур (приемника, генератора колебаний) может быть установлен варикап. Само название п/п прибора подразумевает, что это устройство с изменяющейся электрической емкостью. Полупроводниковый переход диода при приложении к нему обратного напряжения обладает некоторой электрической емкостью, которая называется барьерной емкостью.

Наличие барьерной емкости у п/п диода, используемого в качестве выпрямительного или детекторного устройства - нежелательное явление, поскольку оно ограничивает его частотные свойства. Но в варикапах это нежелательное свойство обращено на пользу.

Нормальный режим работы варикапа - со смещением перехода в обратном направлении. При нулевом смещении емкость варикапа максимальна, и уменьшается с увеличением обратного напряжения, которое и используется для регулирования емкости в колебательном контуре (входном, усилителя или генератора и пр.).

Пример графика изменения емкости варикапа в зависимости от приложенного напряжения ниже.

-6

Как и КПЕ, варикапы характеризуются коэффициентом перекрытия по емкости (при определенных значениях обратного напряжения). В отличие от КПЕ с коэффициентом перекрытия порядка 495/12=41, коэф. перекрытия варикапа невелик и редко доходит до 6-8, составляя в среднем 3-4.

Максимальная емкость варикапов доходит до 400-600 пФ, но у большинства типов составляет единицы и десятки пикофарад. Вследствие своей малой емкости варикапы применяются в цепях повышенной частоты. Как и у обычных диодов, емкость перехода зависит от его площади и протяженности (ширины). Тем самым, для увеличения максимальной емкости варикапа увеличивают площадь перехода.

Уменьшение же емкости при увеличении обратного напряжения объясняется известным вам из предыдущих уроков увеличением ширины перехода (что, как у любого конденсатора, приводит к уменьшению емкости при увеличении толщины диэлектрика).

Стабилитроны (см. ниже), также работая при обратном смещении перехода, также могут быть использованы как конденсатор с управляемой емкостью. Ниже схема входной части радиоприемника с электронной настройкой.

-7

Вместо наружной или штыревой антенны в приемнике применена магнитная антенна (МА). Магнитные антенны являются разновидностью рамочных антенн. Их особенность – наличие сердечника с высокой магнитной проницаемостью, что позволяет уменьшить размеры рамки с ферритом по сравнению с рамкой без него. Магнитные антенны широко используются в транзисторных приемниках средних и реже коротких волн. Ориентировочно хорошая магнитная антенна на средних волнах эквивалентна штыревой антенне длиной 1-1,5 метра. При этом длина самой МА на ферритовом стержне обычно не превышает 20 см.

Контур магнитной антенны приемника по схеме выше настраивается диодом Д1 с изменяемой емкостью перехода в пределах 80-240 пФ, настройка колебательного контура производится потенциометром R1, посредством которого регулируется обратное напряжение да стабилитроне. Конденсатор С1 предотвращает замыкание цепи питания диода на обмотку МА. Для предотвращения шунтирования МА последующим каскадом усиления на транзисторе Т1 связь МА с каскадом неполная путем отвода от части витков МА.

Стабилизатор напряжения на стабилитроне

Полупроводниковые стабилитроны - это специальные диоды, которые могут работать в режиме пробоя в широком диапазоне обратных токов через переход. При этом в некотором диапазоне обратных токов напряжение на стабилитроне остается приблизительно постоянным - это и есть основной параметр стабилитрона - напряжение стабилизации Uст.

На рисунке ниже приведена ВАХ стабилитрона - зависимость тока через него от полярности и величины напряжения на нем.

-8

Стабилизатор напряжения на стабилитроне не только уменьшает колебания выпрямленного напряжения, но и сглаживает пульсации. На кремниевых стабилитронах можно построить стабилизатор с выходным напряжением от единиц до нескольких сотен вольт, а у низковольтных стабилитронов токи стабилизации достигают 1 ампера и выше. В основном же, ток стабилизации распространенных стабилитронов составляет несколько десятков миллиампер.

Простой стабилизатор напряжения на стабилитроне, называемый параметрическим стабилизатором напряжения - это делитель напряжения на резисторе и стабилитроне (рисунок ниже). Резистор Rо называется балластным или гасящим.

-9

Стабилитроны допускается соединять последовательно, в этом случае стабилизированное напряжение равно сумме напряжений стабилизации примененных стабилитронов. (Пример подобного стабилизатора с 2 последовательно соединенными стабилитронами приведен в схеме урока 16). Также, в схеме стабилизатора вместо стабилитрона можно использовать необходимое количество включенных в прямом направлении кремниевых диодов. Параллельно стабилитроны не включают.

Если необходимо стабилизировать напряжение на нагрузке с большим током потребления, не обеспечиваемым одним стабилитроном, к схеме стабилизатора на стабилитроне подключают мощный транзистор, называемый регулирующим. Подобные схемы будут изучены в уроке 20 после изучения свойств транзистора.

Для получения очень высокого коэффициента стабилизации, не обеспечиваемого простой схемой стабилитрона, за первым каскадом стабилизатора может следовать второй.

Ограничители на полупроводниковых диодах

Ниже 2 примера использования п/п диодов для ограничения речевого сигнала.

Сжатие динамического диапазона сигнала при радиопередаче

Речевой сигнал, снимаемый с выхода микрофонного УНЧ радиопередающего устройства, не слишком хорош для модуляции передатчика. У необработанного речевого сигнала слишком велико отношение максимальной амплитуды к минимально (динамический диапазон, выражается обычно в децибелах). Для повышения эффективности и дальности связи следует применить сжатие динамического диапазона речевого сигнала. Один из методов сжатия - применение ограничителя.

Простейший ограничитель НЧ сигнала - 2 кремниевых встречно-параллельно включенных диода, включенных между микрофонным усилителем и фильтром НЧ. Ниже схема подобного ограничителя.

-10

Ограничитель построен на резисторе R9 и диодах Д5, Д6. Уровень ограничения составляет 0,5 В, каждый из диодов ограничивает свою полуволну поступающего на ограничитель напряжения. Включенный за ограничителем фильтр НЧ (C8-L1-C9) с частотой среза 3 кГц срезает гармоники сигнала, возникающие после ограничителя, тем самым ограничивает спектр излучаемых частот. При подобном ограничении разборчивость речи почти не ухудшается.

-11

Ограничитель в схеме телефонного аппарата

Ниже схема телефонного аппарата ТА 72 с дисковым номеронабирателем, в котором еще не применялись п/п транзисторы и интегральные микросхемы.

2 диода включены встречно-параллельно телефонному капсюлю BF и служат для защиты уха абонента от акустических ударов, а также уменьшают громкость щелчков при заводе и возвращении диска номеронабирателя.

-12

Принцип действия ограничителя рассмотрен выше на примере ограничителя в радиопередающем устройстве.

Схемотехника для начинающих