Найти в Дзене
HandMaster Luk

Схема электрическая для автомобилей ГАЗ 3302 с карбом.

Всем здравствуйте. На моей газельке возникли не большие проблемы по электрической части и мне потребовалась схема электрическая для автомобилей ГАЗ-3302 с дв. ЗМЗ-4063. В поисках схемы (хорошего качества), перерыл весь интернет. 🌐 Напомню, у меня ГАЗ 3302 с карбюраторным 406 мотором, который микропроцессорное зажигание. Вообщем выкладываю: Схема электрооборудования автомобиля с двигателем ЗМЗ-4063 (панель приборов нового образца): 1 – левый боковой указатель поворота; 2 – левая блок-фара; 3 – датчик включения электровентилятора системы охлаждения двигателя*; 4 – электровентилятор системы охлаждения двигателя*; 5 – правая блок-фара; 6 – правый боковой указатель поворота; 7 – реле блок-фар; 8 – центральный переключатель освещения; 9, 10 – плафоны освещения грузового салона (для автофургонов); 11 – плафон освещения передней части кабины; 12 – электродвигатель стеклоомывателя; 13 – плафон освещения задней части кабины (для автомобилей с двумя рядами сидений); 14 – выключатель плафона осве

Всем здравствуйте. На моей газельке возникли не большие проблемы по электрической части и мне потребовалась схема электрическая для автомобилей ГАЗ-3302 с дв. ЗМЗ-4063. В поисках схемы (хорошего качества), перерыл весь интернет. 🌐 Напомню, у меня ГАЗ 3302 с карбюраторным 406 мотором, который микропроцессорное зажигание. Вообщем выкладываю:

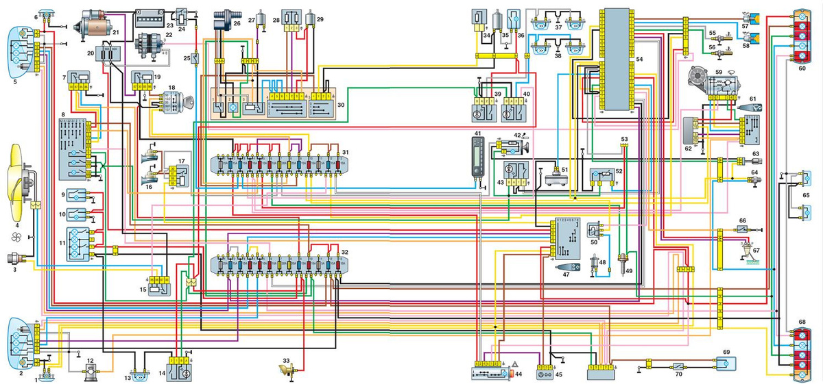
Схема электрическая для автомобилей ГАЗ-3302 с дв. ЗМЗ-4063.
Схема электрическая для автомобилей ГАЗ-3302 с дв. ЗМЗ-4063.

Схема электрооборудования автомобиля с двигателем ЗМЗ-4063 (панель приборов нового образца):

1 – левый боковой указатель поворота;

2 – левая блок-фара;

3 – датчик включения электровентилятора системы охлаждения двигателя*;

4 – электровентилятор системы охлаждения двигателя*;

5 – правая блок-фара;

6 – правый боковой указатель поворота;

7 – реле блок-фар;

8 – центральный переключатель освещения;

9, 10 – плафоны освещения грузового салона (для автофургонов);

11 – плафон освещения передней части кабины;

12 – электродвигатель стеклоомывателя;

13 – плафон освещения задней части кабины (для автомобилей с двумя рядами сидений);

14 – выключатель плафона освещения задней части кабины (для автомобилей с двумя рядами сидений);

15 – реле электровентилятора системы охлаждения двигателя;

16 – звуковые сигналы;

17 – реле звуковых сигналов;

18 – выключатель зажигания;

19 – реле стартера;

20 – центральный (основной) блок предохранителей;

21 – стартер;

22 – генератор;

23 – аккумуляторная батарея;

24 – выключатель аккумуляторной батареи;

25 – кнопка дистанционного управления выключателем аккумуляторной батареи;

26 – электропривод крана отопителя;

27 – электронасос дополнительного отопителя;

28 – резистор электровентилятора основного отопителя;

29 – электровентилятор основного отопителя;

30 – панель управления отоплением и вентиляцией:

-1 – выключатель крана отопителя;

-2 – лампа подсветки панели управления отоплением и вентиляцией;

-3 – реле;

-4 – выключатель элетровентилятора основного отопителя;

-5 – выключатель электровенитилятора и электронасоса дополнительного отопителя);

31 – верхний блок предохранителей;

32 – нижний блок предохранителей;

33 – подкапотная лампа;

34 – резистор электровентилятора дополнительного отопителя;

35 – электровентилятор дополнительного отопителя;

36 – плафон освещения подножки (для автобусов);

37 – светильники салона (правая сторона);

38 – светильники салона (левая сторона);

39 – выключатель светильников салона (правая сторона);

40 – выключатель светильников салона (левая сторона);

41 – головное устройство системы звуковоспроизведения;

42 – прикуриватель;

43 – выключатель проверки исправности сигнализаторов;

44 – выключатель аварийной световой сигнализации;

45 – реле-прерыватель указателей поворота;

46 – блок управления электрокорректором фар;

47 – левый подрулевой переключатель (выключатель звукового сигнала**, переключатель указателей поворота и света фар);

48 – выключатель сигнализатора стояночного тормоза;

49 – выключатель сигнала торможения;

50 – реле-прерыватель сигнализатора стояночного тормоза;

51 – датчик аварийного падения уровня тормозной жидкости;

52 – регулятор освещения комбинации приборов;

53 – разъем (колодка проводов) для подсоединения системы АБС;

54 – комбинация приборов;

55 – датчик указателя температуры охлаждающей жидкости;

56 – датчик сигнализатора перегрева охлаждающей жидкости;

57 – датчик указателя давления масла;

58 – датчик сигнализатора аварийного давления масла;

59 – стеклоочиститель;

60 – задний фонарь (правый);

61 – правый подрулевой переключатель (выключатель звукового сигнала** и переключатель стеклоочистителя);

62 – реле стеклоочистителя;

63 – датчик скорости;

64 – выключатель ламп света заднего хода;

65 – фонари освещения номерного знака;

66 – выключатель сигнализатора блокировки межосевого дифференциала (для автомобилей 4х4);

67 – датчик указателя уровня топлива;

68 – задний фонарь (левый);

69 – плафон освещения вещевого ящика;

70 – выключатель плафона освещения вещевого ящика.

* Устанавливается на часть автомобилей