Добавить в корзинуПозвонить
Найти в Дзене
Rina-designer

Как сделать замеры помещения самостоятельно

Хороший дизайн-проект начинается с тщательных замеров помещения. Эта многоэтапная процедура требует внимательности и точности. Для замеров понадобятся: Процесс замеров: Составление плана: Создайте обмерный план помещения на миллиметровке или в специализированном ПО. Укажите все размеры, расположение дверей, окон, коммуникаций и других элементов. Важные моменты: Для повышения точности, повторяйте замеры. Храните замеры и фотографии в порядке, доступном для дизайнера. Точность замеров гарантирует качество дизайн-проекта.
Альтернатива: Для экономии времени, денег и сил, доверьте замеры профессионалам. Специализированные фирмы используют профессиональное оборудование и гарантируют точность данных, что обеспечивает беспроблемный ремонт. Также профессиональный дизайнер всегда имеет под рукой лазерную рулетку и опыт, позволяющий снять все необходимые размеры. Я предлагаю услугу по замерам помещений с предоставлением обмерного плана. Замеры входят в стандартные пакеты моих услуг. Звоните +79

Хороший дизайн-проект начинается с тщательных замеров помещения. Эта многоэтапная процедура требует внимательности и точности.

Для замеров понадобятся:

  1. Рулетки: Две – 5-метровая и складная (2-3 метра) для труднодоступных мест. Обе должны быть исправны и точно откалиброваны.
  2. Уровень (не менее 60 см): Пузырьковый уровень для проверки вертикальности и горизонтальности.
  3. Измерительная лента: Тонкая гибкая лента для измерения толщины стен.
  4. Блокнот и ручка: Для записи всех замеров с указанием помещения и элементов.
  5. Смартфон с камерой: Для фотографирования помещения и деталей.
  6. План помещения (желательно БТИ): Существующий план упростит замеры и поможет определить несущие стены. При отсутствии плана потребуется его эскиз.

Процесс замеров:

  • Размеры помещения: Измерьте длину и ширину каждой стены в миллиметрах, указав ориентировочные стороны света.
  • Высота потолков: Измерьте высоту в нескольких местах каждой комнаты, отметив перепады.
  • Толщина стен: Измерьте толщину каждой стены в нескольких местах для расчета площади.
  • Проемы (двери и окна): Замерьте высоту и ширину проемов, расстояние от пола до подоконника, нижней и верхней части окна. Зафиксируйте тип и размеры рам.
  • Инженерные коммуникации: На плане отметьте расположение труб, радиаторов, вентиляционных каналов, розеток, выключателей и других элементов. Укажите размеры и расположение относительно стен и пола, сфотографируйте.
  • Ниши и выступы: Замерьте все ниши и выступы, указав размеры и местоположение.
  • Фото- и видеофиксация: Сделайте фотографии и видеозапись помещения с разных ракурсов для полного представления о пространстве.

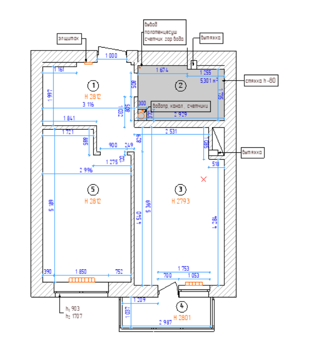
Составление плана:

Создайте обмерный план помещения на миллиметровке или в специализированном ПО. Укажите все размеры, расположение дверей, окон, коммуникаций и других элементов.

Важные моменты:

Для повышения точности, повторяйте замеры.

Храните замеры и фотографии в порядке, доступном для дизайнера.

Точность замеров гарантирует качество дизайн-проекта.

Альтернатива:

Для экономии времени, денег и сил, доверьте замеры профессионалам. Специализированные фирмы используют профессиональное оборудование и гарантируют точность данных, что обеспечивает беспроблемный ремонт. Также профессиональный дизайнер всегда имеет под рукой лазерную рулетку и опыт, позволяющий снять все необходимые размеры.

Я предлагаю услугу по замерам помещений с предоставлением обмерного плана. Замеры входят в стандартные пакеты моих услуг.

Звоните +79023384104 для консультации.

А это мой телеграм-канал

Обмерочный план для дизайн-проекта
Обмерочный план для дизайн-проекта