Добавить в корзинуПозвонить
Найти в Дзене
Будни инженера

Параллельный регистр

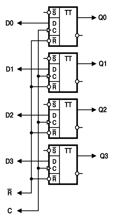
Продолжаю раскрывать основы цифровой электроники и базовые элементы, на которых она строится. Ранее я показал, как работает D-триггер. Сегодня покажу, как на таких триггерах строится параллельный регистр для хранения данных. Одна микросхема D-триггера может хранить только один бит. То есть только одноразрядное число, которое может принимать только одно из двух значений - 0 или 1. Чтобы увеличить возможное количество хранимых значений, нам надо увеличить разрядность числа (и, следовательно, количество триггеров). Например, чтобы хранить 4-разрядное число (значения от 0 до 16), нам потребуется 4 триггера: Такая схема называется параллельным регистром. Для того, чтобы сохранить какое-либо число в таком регистре, нужно сначала подать это число поразрядно на входы D0…D3 (D0 - младший разряд, D3 - старший). Затем на вход C схемы подается импульс записи. По заднему фронту этого импульса число записывается в регистр. При этом каждый разряд числа записывается в свой отдельный D-триггер. Записан

Продолжаю раскрывать основы цифровой электроники и базовые элементы, на которых она строится. Ранее я показал, как работает D-триггер. Сегодня покажу, как на таких триггерах строится параллельный регистр для хранения данных.

Одна микросхема D-триггера может хранить только один бит. То есть только одноразрядное число, которое может принимать только одно из двух значений - 0 или 1. Чтобы увеличить возможное количество хранимых значений, нам надо увеличить разрядность числа (и, следовательно, количество триггеров). Например, чтобы хранить 4-разрядное число (значения от 0 до 16), нам потребуется 4 триггера:

Такая схема называется параллельным регистром. Для того, чтобы сохранить какое-либо число в таком регистре, нужно сначала подать это число поразрядно на входы D0…D3 (D0 - младший разряд, D3 - старший). Затем на вход C схемы подается импульс записи. По заднему фронту этого импульса число записывается в регистр. При этом каждый разряд числа записывается в свой отдельный D-триггер. Записанное в регистр число можно считывать с выходов Q0…Q3.

В схеме регистра присутствует также вход сброса R. Он объединяет входы R всех триггеров и используется для начальной установки всех разрядов регистра в нулевое состояние. В цифровой технике это называется “начальная установка”.

В микропроцессорных устройствах чаще используются восьмиразрядные параллельные регистры. Они могут быть выполнены в виде отдельной микросхемы:

-2

Сегодня, конечно, всё это встроено в одну микросхему микроконтроллера. Но если продолжить рассказ о микропроцессорных системах, то там часто применялись параллельные регистры с расширенными возможностями. Такой регистр может работать с параллельной шиной данных. Для этого в регистр введены два новых входа:

  • Вход выбора микросхемы (CS)
  • Вход перевода выходов в высокоимпедансное состояние (OE)
-3

Вход выбора микросхемы CS (Chip Select) предназначен для её включения и выключения в разные моменты времени. Такие входы можно часто встретить у микросхем, предназначенных для микропроцессорной техники. Наличие таких входов позволяет соединять несколько подобных микросхем параллельно по входам, но работать с каждой микросхемой по отдельности. В случае параллельного соединения одноименных входов данные будут записаны только в тот из регистров, на входе CS которого в момент записи будет присутствовать низкий логический уровень. Состояние остальных регистров останется неизменным.

Вход CS также может называться CE (Chip Enable) - включение микросхемы.

Вход OE (Output Enable - включение выхода) используется при параллельном объединении нескольких регистров по их выходам. Такое объединение возможно только в том случае, если в каждый момент времени будут работать выходы только одной из микросхем. Выходы остальных параллельно соединенных микросхем должны уметь автоматически отключаться от схемы. Для этой цели микросхема, изображенная на последнем рисунке, имеет особый режим. В этом режиме все выходы микросхемы отключаются и не влияют на работу остальной схемы. Такое состояние выходов называется высокоимпедансным.

Импеданс - это полное сопротивление цепи. Если импеданс высокий, то можно считать, что соответствующий выход просто отключен. Микросхема переводит свои выходы в высокоимпедансное состояние при подаче логической единицы на вход OE. Если же на вход OE подать логический ноль, то выходы микросхемы перейдут обратно в рабочее состояние.

Считаю, что любой инженер-автоматизатор, а тем более электроник, должен знать основы цифровой электроники, а также устройство и принципы работы основных её элементов. Поэтому я время от времени будут возвращаться к этой теме.

На этом всё. Подписывайтесь на канал, чтобы ничего не пропустить…