Найти в Дзене
KOREA_CLUB_VRN

Головка блока цилиндров (ГБЦ) Haval Jolion. Диагности/Снятие/Установка.

1. С помощью лекальной линейки и набора плоских щупов измерьте не плоскостность каждой части контактной плоскости головки цилиндра Если плоскостность превышает максимальное значение, замените головку блока цилиндров. 2. Используйте метод проникновения красителя для проверки поверхности на стороне впуска, выпуска и блока цилиндров на
наличие трещин. При обнаружении трещин замените головку блока цилиндров 1. Сброс давления в топливной системе
2. Слейте жидкость из системы охлаждения
двигателя
3. Отсоедините «отрицательный» провод от
аккумуляторной батареи
4. Снимите катушки и свечи зажигания
5. Снимите клапан управления интеллектуальной системы изменения фаз газораспределения (VVT-i)
6. Снимите датчик фазы распределительного вала впускных клапанов
7. Снимите датчик температуры охлаждающей жидкости двигателя
8. Снимите топливные форсунки
9. Снимите впускной коллектор
10. Снимите турбокомпрессор
11. Снимите выпускной коллектор
12. Снимите крышку головки блока цилиндров
13. Сн
Оглавление

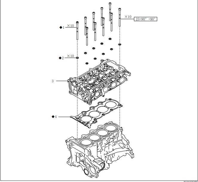
Расположение компонентов

1. Болт крепления головки блока цилиндров
2. Прокладка болта крепления головки блока
цилиндров
3. Головка блока цилиндров
4. Прокладка головки блока цилиндров
1. Болт крепления головки блока цилиндров 2. Прокладка болта крепления головки блока цилиндров 3. Головка блока цилиндров 4. Прокладка головки блока цилиндров

Проверка не плоскостности ГБЦ Haval Jolion

1. С помощью лекальной линейки и набора плоских щупов измерьте не плоскостность каждой части контактной плоскости головки цилиндра

-2
Если плоскостность превышает максимальное значение, замените головку блока цилиндров.

2. Используйте метод проникновения красителя для проверки поверхности на стороне впуска, выпуска и блока цилиндров на
наличие трещин. При обнаружении трещин замените головку блока цилиндров

Снятие/Установка ГБЦ Haval Jolion

Снятие

1. Сброс давления в топливной системе


2. Слейте жидкость из системы охлаждения
двигателя


3. Отсоедините «отрицательный» провод от
аккумуляторной батареи


4. Снимите катушки и свечи зажигания

5. Снимите клапан управления интеллектуальной системы изменения фаз газораспределения (VVT-i)

6. Снимите датчик фазы распределительного вала впускных клапанов


7. Снимите датчик температуры охлаждающей жидкости двигателя


8. Снимите топливные форсунки


9. Снимите впускной коллектор


10. Снимите турбокомпрессор


11. Снимите выпускной коллектор


12. Снимите крышку головки блока цилиндров

13. Снимите ремень привода генератора

14. Снимите генератор


15. Установите опорную стойку под двигатель


16. Снимите правую опору двигателя


17. Снимите кронштейн передней опоры двигателя


18. Снимите топливный насос


19. Снимите распределительный вал впускных/выпускных клапанов в сборе, снимите толкатель клапана

20. Снимите компоненты механизма ГРМ

21. Снимите 10 болтов крепления головки блока цилиндров в три этапа в последовательности, указанной на рисунке

-3
Снятие болтов крепления головки блока цилиндров в неправильной последовательности может привести к ее деформации и трещинам.
Болты крепления головки блока цилиндров являются одноразовыми деталями.

22. С помощью магнитного наконечника возьмите 10 шайб болтов крышки цилиндра, пересчитайте и сложите их. Следите за тем, чтобы они не попали в маслопровод. Снимите головку блока цилиндров
Обозначение приспособления: CC2008018

Шайбы болтов крепления головки блока цилиндров являются одноразовыми деталями.

23. Снимите прокладку головки блока цилиндров

Прокладка головки блока цилиндров является одноразовой деталью.

Установка

1. Удалите старый герметик с контактной поверхности, очистите поверхность от остатков масла

2. Нанесите герметик на верхнюю переднюю часть блока цилиндров

-4

Типд: силиконовый герметик Loctite 5900H
для плоских поверхностей или силиконовый герметик Tianshan 1598F для плоских поверхностей

Диаметр валика герметика: 3,5 - 4,5 мм

Центральная линия полосы герметика должна находиться на расстоянии 3±1 мм от передней части блока цилиндров

Наносимый герметик не должен выходить за пределы контактной поверхности.
Валик герметика при нанесении должен быть непрерывным, и сборка должна быть выполнена в течение 3 минут после нанесения герметика. Установка болтов производится в течение 15 минут.

3. Установите новую прокладку головки блока цилиндров в соответствии с установочным штифтом на блоке цилиндров

-5

4. В соответствии с расположением блока цилиндров нанесите герметик на верхнюю поверхность передней части прокладки головки блока цилиндров

-6

Типд: силиконовый герметик Loctite 5900H
для плоских поверхностей или силиконовый герметик Tianshan 1598F для плоских поверхностей
Диаметр валика герметика: 3,5 - 4,5 мм

Валик герметика при нанесении должен быть непрерывным, и сборка должна быть выполнена в течение 3 минут после нанесения герметика. Установка болтов производится в течение 15 минут.

5. Замените болты и шайбы болтов крепления головки блока цилиндров новыми
6. Установите болты с шайбами крепления блока цилиндров в отверстия под болты
7. Вращая коленчатый вал по часовой стрелке, отрегулируйте положение поршней в цилиндрах. Визуально убедитесь, что поршни в каждом цилиндре находятся в одной горизонтальной плоскости

Запрещается поворачивать коленвал против часовой стрелки (глядя на двигатель спереди)

8. Затяните болты крепления головки блока цилиндров в 3 этапа в последовательности, указанной на рисунке

-7

Первый этап: момент предварительной затяжки 23 Нм
Второй этап: поворот на 90°
Третий этап: поворот на 90°

9. Установите толкатели клапанов и распределительный вал 10. Установите топливный насос


11. Установите кронштейн передней опоры
двигателя


12. Установите правую опору двигателя
13. Установите генератор


14. Установите ремень привода генератора

15. Установите крышку головки блока цилиндров

16. Установите выпускной коллектор


17. Установите турбокомпрессор


18. Установите впускной коллектор


19. Установите топливные форсунки


20. Установите датчик температуры охлаждающей жидкости двигателя


21. Установите датчик фазы распределительного вала впускных клапанов


22. Установите клапан управления интеллектуальной системы изменения фаз газораспределения (VVT-i)


23. Установите свечи и катушки зажигания

24. Подсоедините провод к "отрицательному" выводу аккумуляторной батареи


25. Необходимо создать давление в топливной системе


26. Залейте жидкость в систему охлаждения двигателя